Автор Тема: Помогите сделать Footswitch на три кнопки для Engl E530!  (Прочитано 12492 раз)

0 Пользователей и 1 Гость просматривают эту тему.

Оффлайн AZG

  • Живу на форуме
  • *******
  • Сообщений: 95514
  • Санкт-Петербург
    • AZG CUSTOM
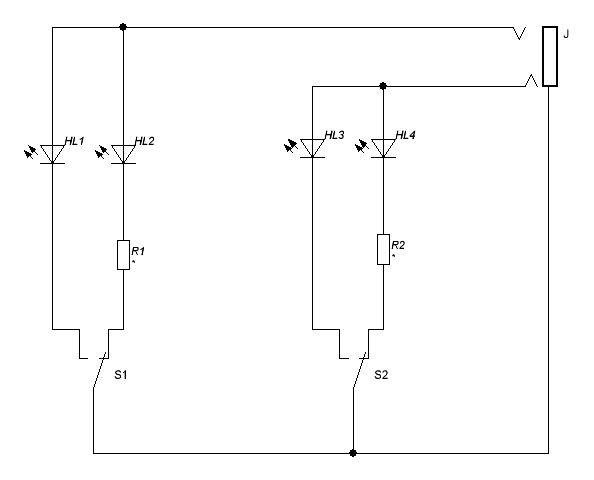
Вот схема. Резисторы надо подобрать по сопротивлению как я выше и писал. Соответсвенно светодиод без резистора на включение режима, с резистором на выключение.

« Последнее редактирование: Июля 30, 2014, 21:20:25 от AZG »

Оффлайн IceDimych

  • Опытный
  • ****
  • Сообщений: 854
Ага, теперь понятнее. Спасибо!

Оффлайн B@l@mut

  • Опытный
  • ****
  • Сообщений: 956
  • Blood Bowl FAN
Други, помогите советом... и прошу простить, что не по футсвич-профилю вопрос, но плодить отдельную тему не хочется.
ENGL E530 и G-Major 2. Хочу своими кривыми лапками сделать Y-образный кабель, что бы мажор переключал на энгле Clean - Lead (Relay 1 в мажоре) и включал\отключал Contour (Relay 2 в мажоре). Я Gain Lo не пользую вообще. Есть BJ Devices TB-12. Задумка такова: тык - пресет на Клин; тык - пресет на Хайгейн для ритма, тык - пресет на Хагейн для соло+Контур. Возможно? Если да, то как спаять кабель, что с чем соединять? Заранее спасибо!

Оффлайн AZG

  • Живу на форуме
  • *******
  • Сообщений: 95514
  • Санкт-Петербург
    • AZG CUSTOM
B@l@mut, Вопрос по существу - на чистом канале какой режим используется, Hi или LO? Все остальное реально.

Оффлайн B@l@mut

  • Опытный
  • ****
  • Сообщений: 956
  • Blood Bowl FAN
B@l@mut, Вопрос по существу - на чистом канале какой режим используется, Hi или LO? Все остальное реально.
спасибо за отклик! Видимо Ло, сейчас аппарат на точке, не могу глянуть. Прямо чистый чистый 😊

Оффлайн AZG

  • Живу на форуме
  • *******
  • Сообщений: 95514
  • Санкт-Петербург
    • AZG CUSTOM
спасибо за отклик! Видимо Ло, сейчас аппарат на точке, не могу глянуть. Прямо чистый чистый 😊

Тогда все просто. Два стерео-джека. На линии каналов тебе надо соединить вместе кольцо и кончик и на реле Мажора. На линии Контура кончик свободный, на кольцо реле Мажора. Земли объединить.

Оффлайн B@l@mut

  • Опытный
  • ****
  • Сообщений: 956
  • Blood Bowl FAN
AZG, Благодарю!
"соединить вместе кольцо и кончик" -  вот же я бестолочь  :pozor: :rolleyes:

На рисунке верно?

(нажмите чтобы показать/спрятать)

Оффлайн AZG

  • Живу на форуме
  • *******
  • Сообщений: 95514
  • Санкт-Петербург
    • AZG CUSTOM
B@l@mut, Верно!

будет автоматом включать или Клин-Ло или Драйв-Хай.

Оффлайн B@l@mut

  • Опытный
  • ****
  • Сообщений: 956
  • Blood Bowl FAN
B@l@mut, Верно!

будет автоматом включать или Клин-Ло или Драйв-Хай.
Отлично! Начинаю собирать :), спасибо ещё раз!

Оффлайн B@l@mut

  • Опытный
  • ****
  • Сообщений: 956
  • Blood Bowl FAN
AZG, Сегодня на репточке подключил спаяный шнур. Всё отлично! Ещё раз спасибо за подсказку!

Оффлайн AZG

  • Живу на форуме
  • *******
  • Сообщений: 95514
  • Санкт-Петербург
    • AZG CUSTOM
AZG, Сегодня на репточке подключил спаяный шнур. Всё отлично! Ещё раз спасибо за подсказку!

Всегда рад! Молодец!

Оффлайн Poosh

  • Опытный
  • ****
  • Сообщений: 566
  • In Flames We Trust
А вообще можно ли сделать футсвич с одной кнопкой? чтобы переключал с хайгейна на лоуклин?

Оффлайн AZG

  • Живу на форуме
  • *******
  • Сообщений: 95514
  • Санкт-Петербург
    • AZG CUSTOM
Да, можно. Просто параллелим кончик и кольцо и получаем ЛоКлин и ХайЛид на одной кнопке и даже с индикацией.

Оффлайн Poosh

  • Опытный
  • ****
  • Сообщений: 566
  • In Flames We Trust
Да, можно. Просто параллелим кончик и кольцо и получаем ЛоКлин и ХайЛид на одной кнопке и даже с индикацией.

АЗГ, а если вообще простой однокнопочный взять, где моно джек, он так и будет работать Локлин/Хайгейн?

Оффлайн AZG

  • Живу на форуме
  • *******
  • Сообщений: 95514
  • Санкт-Петербург
    • AZG CUSTOM
АЗГ, а если вообще простой однокнопочный взять, где моно джек, он так и будет работать Локлин/Хайгейн?

Нет, джек надо переделать на стерео. Иначе всегда будет режим HI.