Автор Тема: Помощь в схеме преампа  (Прочитано 3542 раз)

0 Пользователей и 1 Гость просматривают эту тему.

Оффлайн Pavel Khimin Автор темы

  • Новичок
  • *
  • Сообщений: 25
  • GuitarPlayer.Ru fan!
Re: Помощь в схеме преампа
« Ответ #15 : Июля 13, 2013, 12:53:55 »
это регулятор гейна, для регулятора громкости нужен такой же, но на выходе из всего преампа. какой номинал - не знаю, может 100к или 250к ???
Так гейн он же на входе должен быть. Тут громкость перед вторым триодом.
Не фантазируй :)
Регулятор громкости А1М
Уже начинаю путаться.

... и добавил:

Не имеет ли смысл впихнуть буфер после дилеяи тремоло?

Оффлайн akl

  • Живу на форуме
  • *******
  • Сообщений: 8114
  • не шарю ваще
Re: Помощь в схеме преампа
« Ответ #16 : Июля 13, 2013, 12:55:56 »
Так гейн он же на входе должен быть. Тут громкость перед вторым триодом.
гейн это то что на твоей схеме называется громкостью. для регулирования выходного сигнала нужен еще один такой же после второго каскада, всё логично  ???

Оффлайн Pavel Khimin Автор темы

  • Новичок
  • *
  • Сообщений: 25
  • GuitarPlayer.Ru fan!
Re: Помощь в схеме преампа
« Ответ #17 : Июля 13, 2013, 12:57:58 »
гейн это то что на твоей схеме называется громкостью. для регулирования выходного сигнала нужен еще один такой же после второго каскада, всё логично  ???
То бишь, грубо говоря, логарифмический мегаомный пот на между землей и out?

Оффлайн akl

  • Живу на форуме
  • *******
  • Сообщений: 8114
  • не шарю ваще
Re: Помощь в схеме преампа
« Ответ #18 : Июля 13, 2013, 13:00:04 »
То бишь, грубо говоря, логарифмический мегаомный пот на между землей и out?
да, одну крайнюю ногу на out, другую крайнюю на землю, со средней на оконечник/педальку

Оффлайн runing

  • Живу на форуме
  • *******
  • Сообщений: 12572
  • Киев
Re: Помощь в схеме преампа
« Ответ #19 : Июля 13, 2013, 14:54:42 »
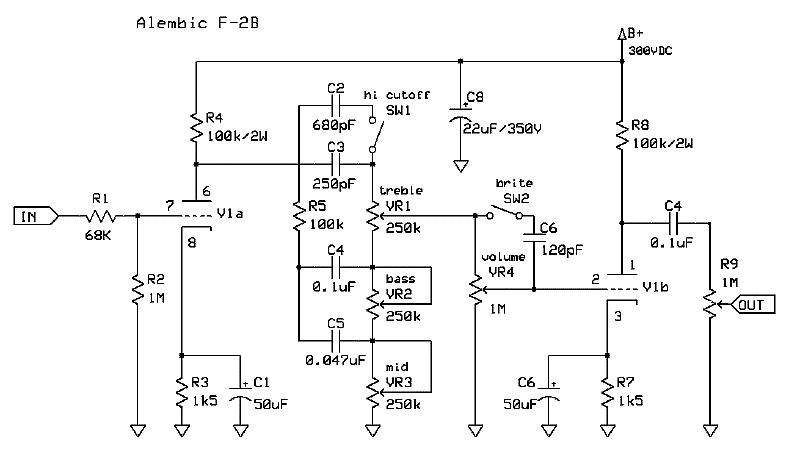
Pavel Khimin, вот аналогичная твоей схема преампа. На выходе R9 1М потенциометр:

943219-0

Оффлайн Rolly

  • Живу на форуме
  • *******
  • Сообщений: 9097
  • Мнение - не повод получить пулю сразу.
Re: Помощь в схеме преампа
« Ответ #20 : Июля 14, 2013, 06:34:56 »
Два замечания: 1)кривой темброблок и 2) регулятор громкости на выходе может быть и 250к и даже 100к, хотя в последнем случае это может слишком просадить бас.

Оффлайн Pavel Khimin Автор темы

  • Новичок
  • *
  • Сообщений: 25
  • GuitarPlayer.Ru fan!
Re: Помощь в схеме преампа
« Ответ #21 : Июля 14, 2013, 13:50:58 »
Два замечания: 1)кривой темброблок и 2) регулятор громкости на выходе может быть и 250к и даже 100к, хотя в последнем случае это может слишком просадить бас.
То есть вывод один - пробовать 250/500/1000 ком на выходе? Что будет лучше, чтобы не убить педали после него?

Оффлайн Santjago

  • Живу на форуме
  • *******
  • Сообщений: 10916
  • Hard As A Rock
Re: Помощь в схеме преампа
« Ответ #22 : Июля 14, 2013, 14:08:33 »
Что будет лучше, чтобы не убить педали после него?

не подавать на педали уровень сигнала способный их убить....

Оффлайн runing

  • Живу на форуме
  • *******
  • Сообщений: 12572
  • Киев
Re: Помощь в схеме преампа
« Ответ #23 : Июля 14, 2013, 14:13:53 »
Что будет лучше, чтобы не убить педали после него?

Лучше будет потенциометр А1М и после него делитель 220к/10к на землю.
А на мощнике перед фазоинвертором усилительный каскад 100к -анод и 1,5к/25uF катод.

Оффлайн Pavel Khimin Автор темы

  • Новичок
  • *
  • Сообщений: 25
  • GuitarPlayer.Ru fan!
Re: Помощь в схеме преампа
« Ответ #24 : Июля 14, 2013, 14:53:14 »
не подавать на педали уровень сигнала способный их убить....

Варианта два:
1) убрать педали после него
2) сделать петлю эффектов в преде

Оффлайн Santjago

  • Живу на форуме
  • *******
  • Сообщений: 10916
  • Hard As A Rock
Re: Помощь в схеме преампа
« Ответ #25 : Июля 14, 2013, 14:56:48 »
Pavel Khimin, зачем в преде петля эффектов, если всё-равно подключаться будешь, полагаю, в return усилителя? другое дело, если необходима параллельная петля...


Оффлайн KMG

  • Опытный
  • ****
  • Сообщений: 844
  • completely insane
    • KMG personal page
Re: Помощь в схеме преампа
« Ответ #26 : Июля 14, 2013, 15:00:54 »
Цитировать
Лучше будет потенциометр А1М и после него делитель 220к/10к на землю.
Грамотнее - пот на 50к, а от "верхнего" вывода пота на разделительный кондер 910к.
Убиваем двух зайцев - делим сигнал и понижаем выходной импеданс для работы на кабель.

Оффлайн Rolly

  • Живу на форуме
  • *******
  • Сообщений: 9097
  • Мнение - не повод получить пулю сразу.
Re: Помощь в схеме преампа
« Ответ #27 : Июля 14, 2013, 16:46:42 »
Если так за педали бояться, то можно повесить пару стабилитронов на выход, можно отключаемую.

Оффлайн Pavel Khimin Автор темы

  • Новичок
  • *
  • Сообщений: 25
  • GuitarPlayer.Ru fan!
Re: Помощь в схеме преампа
« Ответ #28 : Июля 14, 2013, 16:48:57 »
Pavel Khimin, зачем в преде петля эффектов, если всё-равно подключаться будешь, полагаю, в return усилителя? другое дело, если необходима параллельная петля...


о параллельной и речь

Оффлайн Rolly

  • Живу на форуме
  • *******
  • Сообщений: 9097
  • Мнение - не повод получить пулю сразу.
Re: Помощь в схеме преампа
« Ответ #29 : Июля 14, 2013, 16:50:47 »
То есть вывод один - пробовать 250/500/1000 ком на выходе? Что будет лучше, чтобы не убить педали после него?
Да, можно ещё организовать постоянный делитель по рецепту KMG.
« Последнее редактирование: Июля 14, 2013, 16:53:20 от Rolly »