Alex_SG, текущий вариант дорожек не ОК?
вот теперь думай, будут ли панели на плате, или на шасси, с соединением через отверстия в плате кабелями. оба варианта имеют плюсы/минусы.
кстати, мощные лампы не советую в плату, жарко! Плату можно укоротить по высоте, там сверху толком ничего нет. Кстати, эти огромные 5Ватт 120 Ом - спокойно можно влепить 3 2-ваттных параллельно, домиком (две на плату рядом, и один сверху) - место сильно меньше уходит, и дешевле.
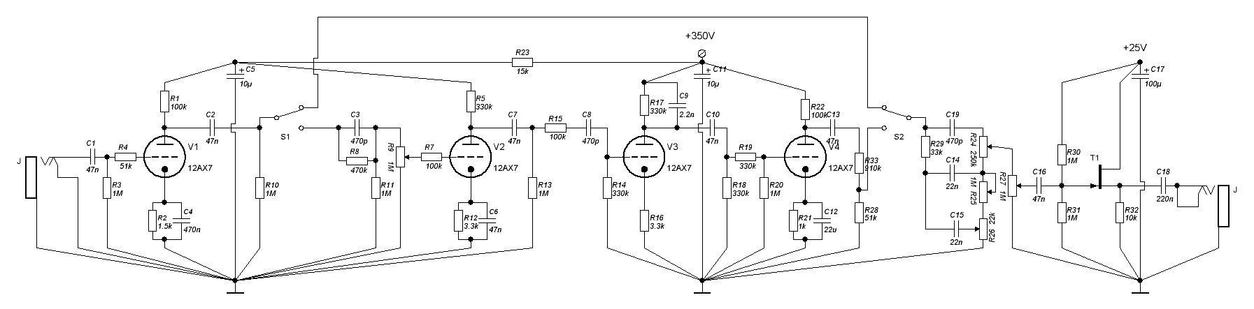
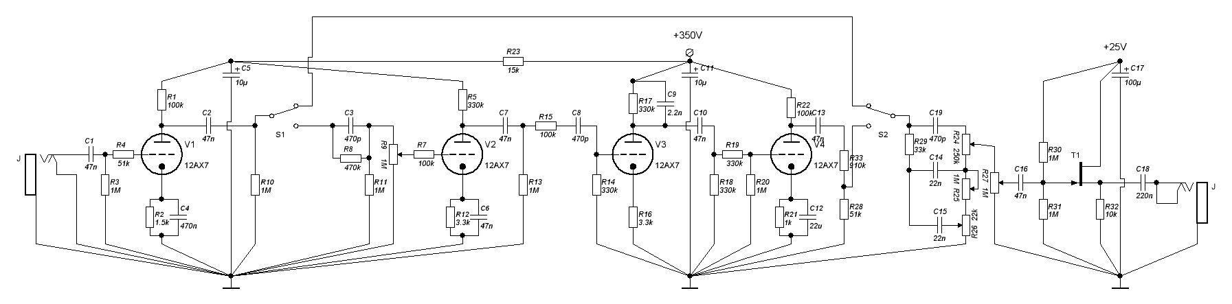
Ты вроде по системе делал разводку, видно, что думал, что куда... Но есть одна проблема в принципе. По земле течет ток, возвратный. Тот же, что и в сигнальных проводах/питании!
Теперь посмотри, как у тебя подсоединяется земля входа и всех потиков внизу?
входной ток, кототый у тебя правильно с джека идет очень коротко сразу на сетку... а вот как пойдет возвратный ток? Ему нужно "вернутся" в катод лампы?
Он у тебя через всю плату по низу идет в правый угол. (там токи питания). Потом наверх (там еще грязнее питание). Потом по центру снова влево (там токи выходных ламп, они в классе Б, очень нелинейные).
Это сильно плохо, прям хуже не сделать

То же и о других землях внизу, тонстэк, гейны итд. Они должны идти к электролитам питания того каскада, от которого они "питаются".
Вот типа так переделать надо:

Порезать это соединение земель снизу (желтым)
Земля со входа отдельной дорожкой до электролита в катоде первого триода! очень желательно прям рядом с дорожками входа на сетку. Можно даже под ними во втором слое.
И по этой земле ничего больше!
Земли снизу поблочно (тонстэк, гейн итд) - к своим электролитам питания наверх.
А, еще одно. Не соединяй земли петли и выхода на джеках отдельной платы. сделай к каждой из них свою площадку для провода. Эти земли нужно тянуть отдельно!