Привет!
Несколько месяцев увлекся схемотехникой, и, раз уж такое дело, решил собрать себе преамп, т.к. на цифровом перегрузе брынчать откровенно устал. Сначала в качестве преампа я решил запилить выскобленный лид-канал из Месы Буги Марка 5, ну, и заказал транформатор для него. Потом как следует подумал, помечтал и решил все-таки сделать на основе 5150.
Транс получился такой:

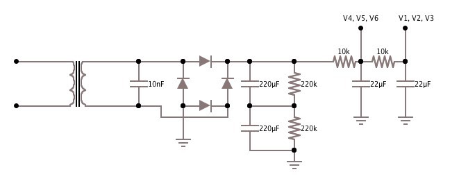
Собрал БП и получил напряжение без нагрузки — 512V. Так много, потому что заказывая транс, я не учел момент, что в сети у меня не 220, а 230-240 вольт.
1. Много ли это для 6Н2П? Тут, скорее, вопрос в том, насколько упадет напряжение при нагрузке или как это можно узнать?
2. Есть ли здравые способы понизить это напряжение? Понимаю, что в идеале размотать транс, но а вдруг

БП собирал по этой схеме.

Больше спасибо! Буду рад любой помощи
