Автор Тема: PP на 6п45с - фузит оконечник  (Прочитано 2669 раз)

0 Пользователей и 1 Гость просматривают эту тему.

Оффлайн Undiy Автор темы

  • Новичок
  • *
  • Сообщений: 21
PP на 6п45с - фузит оконечник
« : Сентября 23, 2013, 10:36:44 »
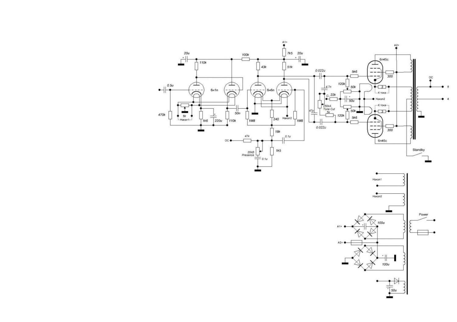
Есть совковый усилитель - оконечник на 2х 6п45с + преамп a-la фендер, в основном использую его с внешними преампами. При игре через перегруз преампа (пробовал AMT SS-20, R-1, Facegring, Scream'n'Growl VHT mod - последний есть сейчас) оконечник фузит - появляется такой неприятный песочек. Для борьбы с лишним песком добавил Tone Cut, и оказалось, что им этот песок срезать не удается: то есть при выкрученной ручке есть задавленный бубунеж + нетронутый песочек. После смены разделительных конденсаторов после фазика с 0.25u на 0.022u стало получше, но полностью песок не ушел. Может кто-нибудь посоветует, что ещё можно сделать?

Оффлайн Tyoma265261086

  • Эксперт
  • *****
  • Сообщений: 2119
  • Жизнь игра. Задумана хреново,но графика обалденная
Re: PP на 6п45с - фузит оконечник
« Ответ #1 : Сентября 23, 2013, 10:52:31 »
а куда усилок подключаешь?

Оффлайн AZG

  • Живу на форуме
  • *******
  • Сообщений: 95729
  • Санкт-Петербург
    • AZG CUSTOM
Re: PP на 6п45с - фузит оконечник
« Ответ #2 : Сентября 23, 2013, 11:03:42 »
Выходник с катодной связью... Я такое пока не пробовал в гитарном применении. Есть определенные сомнения.

Оффлайн Undiy Автор темы

  • Новичок
  • *
  • Сообщений: 21
Re: PP на 6п45с - фузит оконечник
« Ответ #3 : Сентября 23, 2013, 11:06:38 »
В кабинет включаю, конечно. :) Закрытый bull 1x12 c Eminence Cannabis Rex, есть ещё V30 (родной от каба).

Оффлайн AZG

  • Живу на форуме
  • *******
  • Сообщений: 95729
  • Санкт-Петербург
    • AZG CUSTOM
Re: PP на 6п45с - фузит оконечник
« Ответ #4 : Сентября 23, 2013, 11:07:57 »
Блин, с Каннабисом вообще песка не должно быть, там верха почти нет.

Оффлайн Undiy Автор темы

  • Новичок
  • *
  • Сообщений: 21
Re: PP на 6п45с - фузит оконечник
« Ответ #5 : Сентября 23, 2013, 11:12:22 »
Схему мне рисовал мастер, к которому я на реанимацию усилок возил. Насколько я понял, он [мастер] просто в радиоэлектронике разбирается, а не в гитарном стаффе... но оживить усилок - оживил.

... и добавил:

AZG, как раз канабис брал для этого, грешил на V30.

Так же в этот же каб играл через мини-амп на lm386 с предом Scream'n'Growl - то же все в порядке со звуком. ну и вне дома куда ни включал - все ОК.

Что меня смущает ещё с усилком этим, если играть через драйвы-дисты через родной пред или чистый канал внешнего преда, то этого песочка тоже нет  ???
« Последнее редактирование: Сентября 23, 2013, 11:16:25 от Undiy »

Оффлайн AZG

  • Живу на форуме
  • *******
  • Сообщений: 95729
  • Санкт-Петербург
    • AZG CUSTOM
Re: PP на 6п45с - фузит оконечник
« Ответ #6 : Сентября 23, 2013, 11:21:57 »
В целом ничего криминального не вижу кроме выходного транса и подключения выходных ламп. Можно уменьшить сеточные сопротивления в фазике до 1М, но это повлияет крайне мало.

Оффлайн Engener

  • Ветеран форума
  • ******
  • Сообщений: 3472
  • :-)
Re: PP на 6п45с - фузит оконечник
« Ответ #7 : Сентября 23, 2013, 13:56:00 »
интересная схема, а я делал макет на 6п45с, в более традиционном включении, тоже псевдотриод, вполне нормальный самый обычный звук ничего не песочило, может с лампами что-нибудь, а хотя посоветую заменить 6н6 в фазике, она дает зудящий звук.

Оффлайн Undiy Автор темы

  • Новичок
  • *
  • Сообщений: 21
Re: PP на 6п45с - фузит оконечник
« Ответ #8 : Сентября 23, 2013, 14:44:52 »
Engener, а на какую лампу её можно легко заменить (чтоб обвязку не менять)?

Оффлайн Engener

  • Ветеран форума
  • ******
  • Сообщений: 3472
  • :-)
Re: PP на 6п45с - фузит оконечник
« Ответ #9 : Сентября 23, 2013, 15:07:35 »
6н1п, 6н23п, 6н2п

Оффлайн Undiy Автор темы

  • Новичок
  • *
  • Сообщений: 21
Re: PP на 6п45с - фузит оконечник
« Ответ #10 : Сентября 26, 2013, 05:13:29 »
Поставил 6н1п-ЕВ в фазик - стало намного лучше! Даже не думал, что лампа в фазике так влияет на звук...
Engener, спасибо за совет!

Оффлайн Engener

  • Ветеран форума
  • ******
  • Сообщений: 3472
  • :-)
Re: PP на 6п45с - фузит оконечник
« Ответ #11 : Сентября 26, 2013, 15:01:53 »
Поставил 6н1п-ЕВ в фазик - стало намного лучше! Даже не думал, что лампа в фазике так влияет на звук...
Engener, спасибо за совет!

Пожалуйста! Сам просто ради интереса, лампы именно в фазике усилителя менял и слушал, очень сильно влияют на звук.

Оффлайн Vitallka

  • Эксперт
  • *****
  • Сообщений: 1175
  • Антиум
Re: PP на 6п45с - фузит оконечник
« Ответ #12 : Сентября 26, 2013, 17:01:19 »
Пожалуйста! Сам просто ради интереса, лампы именно в фазике усилителя менял и слушал, очень сильно влияют на звук.
При просто перетыкании ламп там чертичто получается

Оффлайн Engener

  • Ветеран форума
  • ******
  • Сообщений: 3472
  • :-)
Re: PP на 6п45с - фузит оконечник
« Ответ #13 : Сентября 26, 2013, 17:20:23 »
При просто перетыкании ламп там чертичто получается

ну так это и понятно. Важно получить приемлемый результат в итоге)

Оффлайн runing

  • Живу на форуме
  • *******
  • Сообщений: 12572
  • Киев
Re: PP на 6п45с - фузит оконечник
« Ответ #14 : Сентября 26, 2013, 18:57:26 »
При просто перетыкании ламп там чертичто получается

А если человеку именно это "чертичто" нравится ;)