Автор Тема: преамп для соло  (Прочитано 2394 раз)

0 Пользователей и 1 Гость просматривают эту тему.

Оффлайн BorisSev Автор темы

  • Новичок
  • *
  • Сообщений: 73
преамп для соло
« : Апреля 18, 2009, 21:48:29 »
Всем огромный привет И с празником!!!
какой собрать преамп чтоб получить яркий сольный звук как у Владимира Кузьмина если есть у кого инфа пожалуйста ответте.

Оффлайн NVN

  • Завсегдатай
  • ***
  • Сообщений: 471
Re: преамп для соло
« Ответ #1 : Апреля 18, 2009, 22:39:45 »
Богнер (Хафлер) по моду Бункера. Очень хорошо и ярко звучит. И тон-шифт обязательно на маршалловский темброблок. (470 пик на высоких)
« Последнее редактирование: Апреля 18, 2009, 22:43:37 от NVN »

Оффлайн BorisSev Автор темы

  • Новичок
  • *
  • Сообщений: 73
Re: преамп для соло
« Ответ #2 : Апреля 18, 2009, 22:45:54 »
А где можно посмотреть схемку?

Оффлайн NVN

  • Завсегдатай
  • ***
  • Сообщений: 471
Re: преамп для соло
« Ответ #3 : Апреля 18, 2009, 23:01:55 »
В темброблоке параллельно С17 приделай конденсатор на 470р через переключатель ( как В Энгл мод).

Оффлайн BorisSev Автор темы

  • Новичок
  • *
  • Сообщений: 73
Re: преамп для соло
« Ответ #4 : Апреля 18, 2009, 23:22:34 »
Вот спасибо!Я раньше много слышал про Богнер,но не думал что на нем мона такие веши играть.Судя по схеме середина должна быть в норме,а по низам-? Будем пытать.Огромное спасибо за схему.

Оффлайн AZG

  • Живу на форуме
  • *******
  • Сообщений: 95546
  • Санкт-Петербург
    • AZG CUSTOM
Re: преамп для соло
« Ответ #5 : Апреля 19, 2009, 00:24:57 »
В Шарпе не хватит певучести середины, совсем другая структура перегруза. Делай лучше Богнер Экстази. Реально, лучше для соляков тяжело найти.

Оффлайн BorisSev Автор темы

  • Новичок
  • *
  • Сообщений: 73
Re: преамп для соло
« Ответ #6 : Апреля 19, 2009, 07:23:47 »
Богнер Экстази!-спасибо, а схемка где лежит?

Оффлайн NVN

  • Завсегдатай
  • ***
  • Сообщений: 471
Re: преамп для соло
« Ответ #7 : Апреля 19, 2009, 08:23:02 »
Вроде эта. Я пока не делал, не знаю как звучит.

Оффлайн BorisSev Автор темы

  • Новичок
  • *
  • Сообщений: 73
Re: преамп для соло
« Ответ #8 : Апреля 19, 2009, 08:34:03 »
О спасибо!А по питанию наверно по 10 ком стоят меж каскадами! Хотелось конечно посмотреть всю схемку,там вроде 3 канала?В нэте сейчас рою не могу найти.

Оффлайн AZG

  • Живу на форуме
  • *******
  • Сообщений: 95546
  • Санкт-Петербург
    • AZG CUSTOM
Re: преамп для соло
« Ответ #9 : Апреля 19, 2009, 08:52:31 »
На ГТЛабе разжевано по полной.

Оффлайн SPI

  • Ветеран форума
  • ******
  • Сообщений: 5420
  • ибо нех
Re: преамп для соло
« Ответ #10 : Апреля 19, 2009, 09:04:19 »
Азнаур, ну чего там??

Оффлайн BorisSev Автор темы

  • Новичок
  • *
  • Сообщений: 73
Re: преамп для соло
« Ответ #11 : Апреля 19, 2009, 12:53:25 »
Что то я там тоже полной схемы не нашол!!! Или не там смотрел!-не пойму.там про богнеры не мало но не про те.

Оффлайн NVN

  • Завсегдатай
  • ***
  • Сообщений: 471
Re: преамп для соло
« Ответ #12 : Апреля 19, 2009, 17:26:18 »
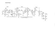
О спасибо!А по питанию наверно по 10 ком стоят меж каскадами! Хотелось конечно посмотреть всю схемку,там вроде 3 канала?В нэте сейчас рою не могу найти.

Там легко можно самому вычислить эти сопротивления. Вот для ориентира можно использовать эту схему. По опыту, отличие в несколько вольт некритично.
« Последнее редактирование: Апреля 19, 2009, 17:27:55 от NVN »

Оффлайн AZG

  • Живу на форуме
  • *******
  • Сообщений: 95546
  • Санкт-Петербург
    • AZG CUSTOM
Re: преамп для соло
« Ответ #13 : Апреля 19, 2009, 22:22:33 »
Что то я там тоже полной схемы не нашол!!! Или не там смотрел!-не пойму.там про богнеры не мало но не про те.

Я выкладывал ПДФ с полной схемой. Если что, свистни...

Оффлайн BorisSev Автор темы

  • Новичок
  • *
  • Сообщений: 73
Re: преамп для соло
« Ответ #14 : Апреля 20, 2009, 20:11:53 »
АZG подскажи где именно ПДФ лежит?