Автор Тема: Преамп Kasha Rockmod II  (Прочитано 6012 раз)

0 Пользователей и 1 Гость просматривают эту тему.

Оффлайн Сергей865 Автор темы

  • Новичок
  • *
  • Сообщений: 11
Преамп Kasha Rockmod II
« : Ноября 28, 2008, 14:54:39 »
Всем доброго времени суток.
Предистория такова:
На e-bay для любимого чада был куплен этот замечательный (и не дешевый!) прибор. При доставке какой-то гад бросил ящик с приличной высоты, результат - согнутая передняя панель, вырванные потенциометры, и (как потом выянилось) смерть двух оптронов. Цена посылки была занижена (для родной таможни), поэтому предъявлять претензии к EMS смысла не было.
Имея некоторый опыт "в делах паяльных" было решено вернуть прибор к жизни. НО..... Как здесь уже выкладывали фото внутренностей- половина платы залита приличным слоем какой-то твердой гадости. Вторая трудность -  схемы, или каких либо технических описаний найти не удалось. Поэтому пришлось обратиться непосредственно к производителю - господину John Kasha. В письме, после пары дифирамбов в адрес его творений, пожаловался на всемирную службу доставки, приложил фото преампа и попросил схему. В ответ он описал номиналы потенциометров и посоветовал проверить оптроны, схему - шишь:"Sorry, no Schematic, I do this to keep others from stealing my design."  В общем ОГОРЧИЛ... Забегая вперед скажу что прибор восстановлен и поет, НО... Я решил потратить немного времени и срисовал схему, печатку, номиналы и готов поделиться со всеми желающими. Назло буржуям!!! Если интересно - пишите.

Оффлайн Lekxs

  • Опытный
  • ****
  • Сообщений: 918
  • увлекаюсь гитарой,.. даже иногда играю
Re: Преамп Kasha Rockmod II
« Ответ #1 : Ноября 28, 2008, 15:18:38 »
Цитировать
Sorry, no Schematic, I do this to keep others from stealing my design.
:rofl:

Оффлайн InvaderAlex

  • Частый посетитель
  • **
  • Сообщений: 195
Re: Преамп Kasha Rockmod II
« Ответ #2 : Ноября 28, 2008, 15:24:54 »
Обязательно выкладывай, учить таких буржуев надо !!!!
Крупные Бренды просишь прислать они и то не отказывают,даже новые аппараты.
Выкладывай на http://www.onlinedisk.ru/
http://www.keep4u.ru/

Оффлайн Сергей865 Автор темы

  • Новичок
  • *
  • Сообщений: 11
Re: Преамп Kasha Rockmod II
« Ответ #3 : Ноября 28, 2008, 16:47:08 »
Итак, "НАШ ОТВЕТ ЧЕМБЕРЛЕНУ!" * ROCKMOD II .doc (59 КБ - загружено 447 раз.)

Оффлайн Сергей865 Автор темы

  • Новичок
  • *
  • Сообщений: 11
Re: Преамп Kasha Rockmod II
« Ответ #4 : Ноября 28, 2008, 17:03:48 »
И печатка. Расположение элементов не с фотографической точностью. Все-таки разводил как бы для себя. Отсутствует плата управления оптронов (о ней чуть позже) и некоторые детали. Т.е. это как бы концепция. Ну и конечно еще не проверялась, не паялась.

Оффлайн Сергей865 Автор темы

  • Новичок
  • *
  • Сообщений: 11
Re: Преамп Kasha Rockmod II
« Ответ #5 : Ноября 28, 2008, 17:16:31 »

Оффлайн Ден2

  • Ветеран форума
  • ******
  • Сообщений: 4278
Re: Преамп Kasha Rockmod II
« Ответ #6 : Ноября 28, 2008, 17:21:39 »
Спасибо))

Оффлайн Сергей865 Автор темы

  • Новичок
  • *
  • Сообщений: 11
Re: Преамп Kasha Rockmod II
« Ответ #7 : Ноября 28, 2008, 17:30:23 »
На здоровье!

Оффлайн Ivana

  • Завсегдатай
  • ***
  • Сообщений: 362
  • Зарегистрированный
Re: Преамп Kasha Rockmod II
« Ответ #8 : Ноября 28, 2008, 18:03:11 »
Сергей865, молодца, обрадовал (не столько схемой, пока другие проекты на очереди, хотя скачал на всякий :), сколько историей и финалом)
ЗЫ см ЛС :)

Оффлайн Lekxs

  • Опытный
  • ****
  • Сообщений: 918
  • увлекаюсь гитарой,.. даже иногда играю
Re: Преамп Kasha Rockmod II
« Ответ #9 : Ноября 29, 2008, 08:00:45 »
Сергей865
в схеме неточности, но для ознакомления кражи идеи Джона вполне достаточно  :sarcastic:
+1

Оффлайн The_doctor

  • Новичок
  • *
  • Сообщений: 82
Re: Преамп Kasha Rockmod II
« Ответ #10 : Ноября 29, 2008, 08:54:41 »
А можно печатку в формате Sprint LAyout, и фото внутренностей преампа?

Оффлайн Сергей865 Автор темы

  • Новичок
  • *
  • Сообщений: 11
Re: Преамп Kasha Rockmod II
« Ответ #11 : Ноября 29, 2008, 21:15:04 »
Печатка.
На ней не рисовал управление каналами и резюки входного делителя(левый кусок родной платы). Фото в теме https://guitarplayer.ru/index.php?topic=80140.0

Оффлайн Сергей865 Автор темы

  • Новичок
  • *
  • Сообщений: 11
Re: Преамп Kasha Rockmod II
« Ответ #12 : Ноября 29, 2008, 21:38:51 »
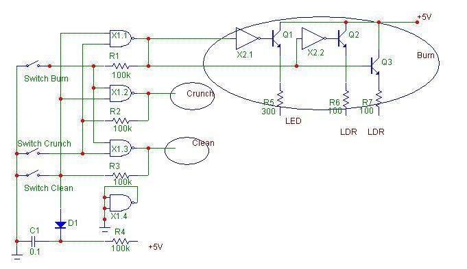
Пару слов о переключателе каналов. В оригинале - трезпозиционный переключатель, древний контроллер М2716, транзюки KN2222 и двухсторонняя плата. Вот сохранился черновичок114078-0. Это не доделано и только для общего представления. Я сделал вариант переключателя на логике (дешево, просто, надежно и три кнопки без фиксации!). Микросхемы 561ЛА7(CD4011), 561ЛН2(CD4069), транзюки 2N2222.

Оффлайн Сергей865 Автор темы

  • Новичок
  • *
  • Сообщений: 11
Re: Преамп Kasha Rockmod II
« Ответ #13 : Ноября 29, 2008, 21:47:10 »
Неточности возможны. К сожалению "рукописный" вариант не нашел. Так что перепроверить по быстрому не могу. Ну и еще раз повторю - не паял. Давайте уточнять вместе!

Оффлайн Сергей865 Автор темы

  • Новичок
  • *
  • Сообщений: 11
Re: Преамп Kasha Rockmod II
« Ответ #14 : Декабря 01, 2008, 19:17:21 »
Сергей865
в схеме неточности, но для ознакомления кражи идеи Джона вполне достаточно  :sarcastic:
+1

Lekxs, подскажи какие именно неточности. Перепроверю на аппарате.