Автор Тема: Presence & PPIV-MV  (Прочитано 1465 раз)

0 Пользователей и 1 Гость просматривают эту тему.

Оффлайн KSInex Автор темы

  • Частый посетитель
  • **
  • Сообщений: 164
Presence & PPIV-MV
« : Августа 21, 2011, 03:48:45 »
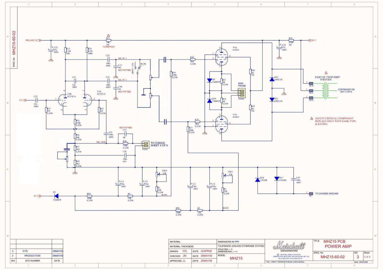
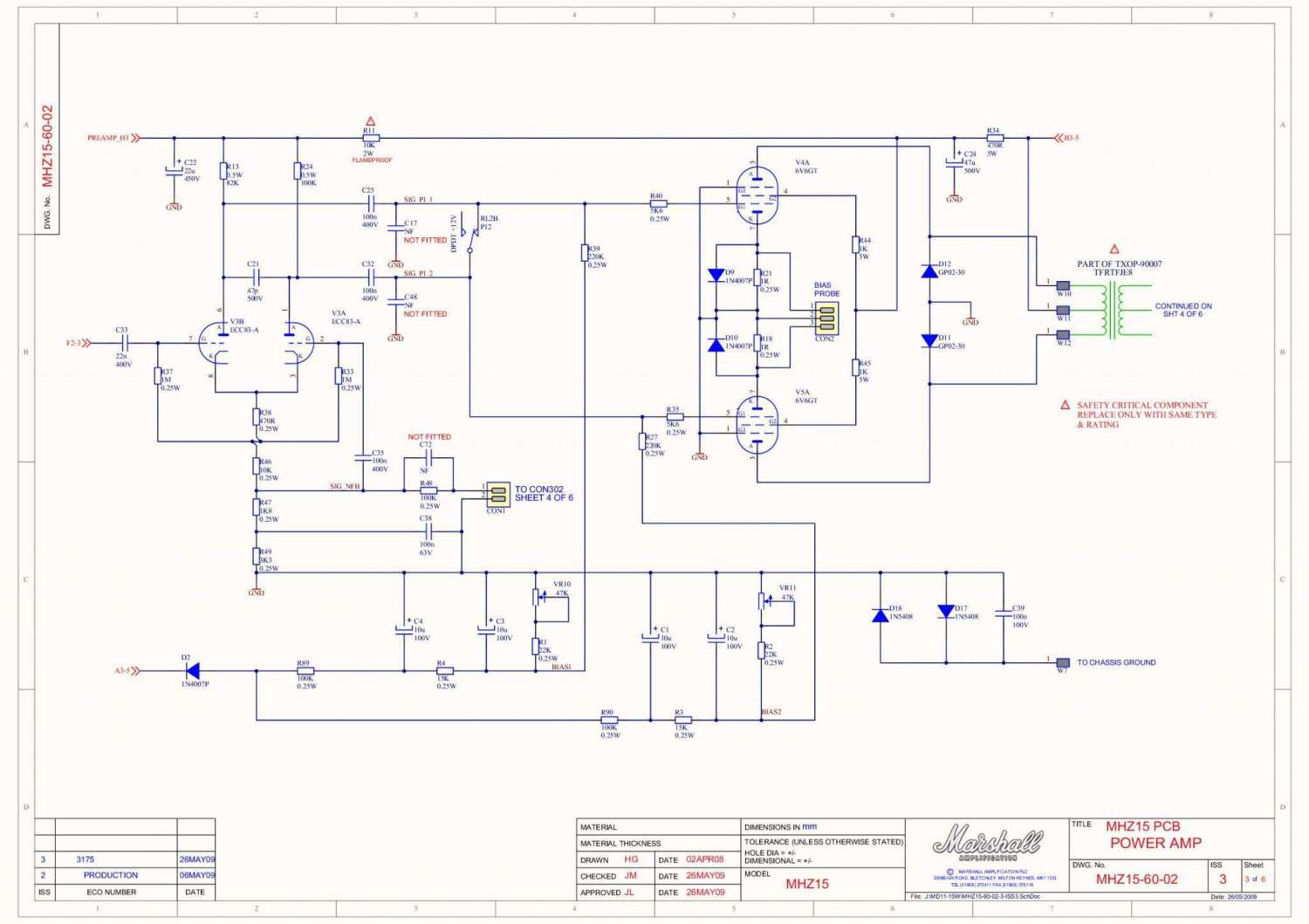
Гуглил-гуглил, вроде ничего сложного, но в конкретной схеме, что-то не могу понять - куда воткнуть :)

Если не трудно, дорисуйте пожалуйста схему :) Надо Presence и PPIV-MV, куда-то приспособить.

531032-0

Оффлайн Мяталист

  • Ветеран форума
  • ******
  • Сообщений: 5743
  • Будь как все. Собирай JCM 800 и SLO 100
Re: Presence & PPIV-MV
« Ответ #1 : Августа 21, 2011, 15:23:42 »
че такое PPIV-MV?

Оффлайн Землячёк

  • Эксперт
  • *****
  • Сообщений: 1304
  • В совершенстве владею 5-ю гитарами. Как владелец.
Re: Presence & PPIV-MV
« Ответ #2 : Августа 21, 2011, 15:52:56 »
Дорисовал531158-0

Оффлайн KSInex Автор темы

  • Частый посетитель
  • **
  • Сообщений: 164
Re: Presence & PPIV-MV
« Ответ #3 : Августа 21, 2011, 23:05:55 »

Оффлайн Rolly

  • Живу на форуме
  • *******
  • Сообщений: 9081
  • Мнение - не повод получить пулю сразу.
Re: Presence & PPIV-MV
« Ответ #4 : Августа 22, 2011, 09:47:41 »
В таком виде презенс с уменьшением громкости перестаёт работать в сторону уменьшения высоких. Если это критично, то можно заменить на воксовский Cut, как это сделал у себя runing.

Оффлайн Proks206

  • Опытный
  • ****
  • Сообщений: 588
  • Бог в помощь
Re: Presence & PPIV-MV
« Ответ #5 : Августа 22, 2011, 14:39:27 »
Воксовский Cut очень понравился, только советую попробовать 2,2н вместо 4,7 иначе бывает что до 12 часов полный глушняк и он совсем неюзабелен

Оффлайн runing

  • Живу на форуме
  • *******
  • Сообщений: 12572
  • Киев
Re: Presence & PPIV-MV
« Ответ #6 : Августа 22, 2011, 14:45:10 »
Воксовский Cut очень понравился, только советую попробовать 2,2н вместо 4,7 иначе бывает что до 12 часов полный глушняк и он совсем неюзабелен

Для этого лучше подпереть потенциометр с одной стороны резистором 33К. Тогда выкручивая потенциометр в "0", всё равно остаётся сопротивление.

Оффлайн KSInex Автор темы

  • Частый посетитель
  • **
  • Сообщений: 164
Re: Presence & PPIV-MV
« Ответ #7 : Сентября 02, 2011, 16:36:37 »
Для этого лучше подпереть потенциометр с одной стороны резистором 33К. Тогда выкручивая потенциометр в "0", всё равно остаётся сопротивление.

 А воксовский cut, куда врезать?

И если не трудно, дорисуйте схему пожалуйста с номиналами. По номиналам тоже все по разному пишут: PPIV - двойной переменник 500к, кондёры 22n?

Оффлайн runing

  • Живу на форуме
  • *******
  • Сообщений: 12572
  • Киев
Re: Presence & PPIV-MV
« Ответ #8 : Сентября 02, 2011, 17:23:02 »
А воксовский cut, куда врезать?

А посмотреть на схеме VOX-а ты не додумался?