Автор Тема: Проблема с усилителем на 6п6с  (Прочитано 2939 раз)

0 Пользователей и 1 Гость просматривают эту тему.

Оффлайн AZG

  • Живу на форуме
  • *******
  • Сообщений: 95679
  • Санкт-Петербург
    • AZG CUSTOM
Re: Проблема с усилителем на 6п6с
« Ответ #15 : Апреля 10, 2016, 17:52:32 »
не забыть проверить сеточный антизвонник...

Оффлайн firm0707 Автор темы

  • Новичок
  • *
  • Сообщений: 39
  • GuitarPlayer.Ru fan!
Re: Проблема с усилителем на 6п6с
« Ответ #16 : Апреля 10, 2016, 18:09:30 »
AZG, а при неисправном антизвоннике и закороченном входе ток покоя возможно было бы измерить?

Еще забыл сказать... Впихнул PPIMV в схему (ой...), может тут покопать...
Спасибо!

Оффлайн sammm

  • Завсегдатай
  • ***
  • Сообщений: 292
Re: Проблема с усилителем на 6п6с
« Ответ #17 : Апреля 10, 2016, 18:09:52 »
Спасибо!
При измерении сопротивления между 4-ми пинами (вторые сетки) обоих цоколей вижу мои сеточные резисторы по 470Ом. При измерении сопротивления между 5-ми пинами (аноды) обоих цоколей вижу наличие контакта. Пока не вытаскивал шасси из корпуса, поэтому проверяю так...
Спасибо за отклик!

Анод - нога нумер 3, а не 5.

Оффлайн firm0707 Автор темы

  • Новичок
  • *
  • Сообщений: 39
  • GuitarPlayer.Ru fan!
Re: Проблема с усилителем на 6п6с
« Ответ #18 : Апреля 10, 2016, 18:13:07 »
sammm, точно! Говорил про анод, думал про смещение, в итоге перепутал. Но первые сетки я бы не прозвонил))

Оффлайн sammm

  • Завсегдатай
  • ***
  • Сообщений: 292
Re: Проблема с усилителем на 6п6с
« Ответ #19 : Апреля 10, 2016, 18:16:05 »
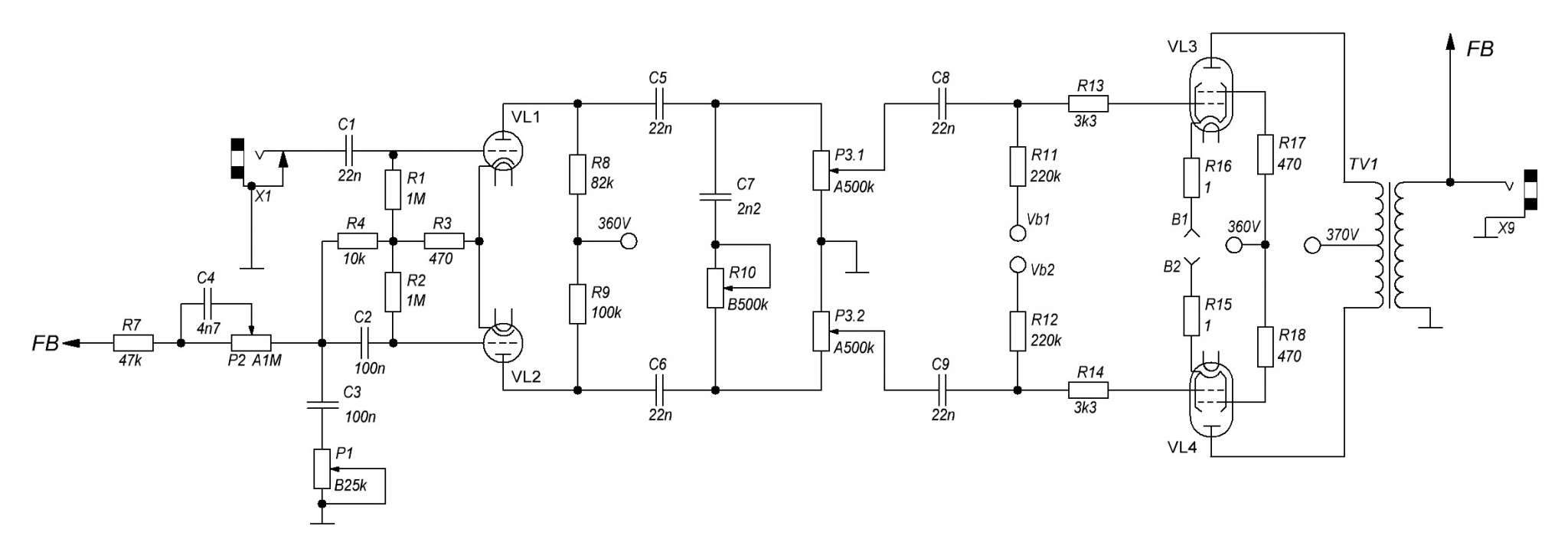
firm0707, ты бы показал реальную схему оконечника, вспомнив все внесенные моды.

Оффлайн firm0707 Автор темы

  • Новичок
  • *
  • Сообщений: 39
  • GuitarPlayer.Ru fan!
Re: Проблема с усилителем на 6п6с
« Ответ #20 : Апреля 10, 2016, 18:50:43 »
Вот так вот.

Оффлайн sammm

  • Завсегдатай
  • ***
  • Сообщений: 292
Re: Проблема с усилителем на 6п6с
« Ответ #21 : Апреля 10, 2016, 19:01:19 »
firm0707, PPIMV не будет влиять на смещение если конденсаторы 22n живые. Вытаскивай выходные лампы и проверяй
 (и сравнивай в панельках) наличие обозначенных величин. Смещение тоже покрути, но со вставленной лампой - может на нее
приходит -50в и она просто заперта.
« Последнее редактирование: Апреля 10, 2016, 19:04:11 от sammm »

Оффлайн firm0707 Автор темы

  • Новичок
  • *
  • Сообщений: 39
  • GuitarPlayer.Ru fan!
Re: Проблема с усилителем на 6п6с
« Ответ #22 : Апреля 10, 2016, 19:02:55 »
sammm, ну да, они там потому и стоят) То есть без ламп, но с нагрузкой усилитель включить можно?

Оффлайн Алексей Ф

  • Эксперт
  • *****
  • Сообщений: 2267
  • GuitarPlayer.Ru fan!
Re: Проблема с усилителем на 6п6с
« Ответ #23 : Апреля 10, 2016, 19:04:40 »
А он вообще с PPiMV работал?

Оффлайн firm0707 Автор темы

  • Новичок
  • *
  • Сообщений: 39
  • GuitarPlayer.Ru fan!
Re: Проблема с усилителем на 6п6с
« Ответ #24 : Апреля 10, 2016, 19:08:27 »
sammm, ОК, спасибо, попробую!
Алексей Ф, в смысле использовался регулятор интенсивно или нет? В принципе, я его проверил на работоспособность при пуско-наладке и в основном он был выкручен на максимум с редкими исключениями при игре на чистом.

Оффлайн sammm

  • Завсегдатай
  • ***
  • Сообщений: 292
Re: Проблема с усилителем на 6п6с
« Ответ #25 : Апреля 10, 2016, 19:10:32 »
firm0707, да можно конечно, если электролиты в питании расчитаны на полную анодку, а не с расчетом на просадку.

Оффлайн firm0707 Автор темы

  • Новичок
  • *
  • Сообщений: 39
  • GuitarPlayer.Ru fan!
Re: Проблема с усилителем на 6п6с
« Ответ #26 : Апреля 10, 2016, 19:12:15 »
sammm, с этим норм. Пошел проверю. Спасибо!

... и добавил:

sammm, нету напряжения на второй сетке на "правой" лампе. Что я ж тогда звонил....
« Последнее редактирование: Апреля 10, 2016, 19:21:54 от firm0707 »

Оффлайн Ден2

  • Ветеран форума
  • ******
  • Сообщений: 4278
Re: Проблема с усилителем на 6п6с
« Ответ #27 : Апреля 10, 2016, 19:26:33 »
Возможно, контакт нестабильный. Надо бы всё-таки раскрыть и пропаять, тыкать щупами в панельки можно долго,)

Оффлайн sammm

  • Завсегдатай
  • ***
  • Сообщений: 292
Re: Проблема с усилителем на 6п6с
« Ответ #28 : Апреля 10, 2016, 19:27:54 »
firm0707, Надо найти и наказать! :threaten: Потом :happy-happy:

Оффлайн firm0707 Автор темы

  • Новичок
  • *
  • Сообщений: 39
  • GuitarPlayer.Ru fan!
Re: Проблема с усилителем на 6п6с
« Ответ #29 : Апреля 10, 2016, 19:33:38 »
Беда, блин.
Ден2, думал диагностировать с извне, но не вышло)
sammm, завтра шасси достану проверю-поищу)
Спасибо за помощь!