Друзья форумчане, диайщики, мастера, и всем кому интересно помочь обратите внимание.
Имею в наличии VHT Special 6 Ultra. Кто с ним знаком, думаю, могут согласится с тем, что у данного усилителя не все лады с перегрузом, да и чистый канал, надо сказать, не так мурлычет как подобает ламповым... Ну кто слушал, тот знает. Особенно перегруз. Виной тому излишне загаженная схема усилителя, как отмечают некоторые знатоки этого дела... ("этого" дела брать с собой по два литра

)
Так вот, ближе к делу. Появилась идея у меня избавить схему от лишних деталей, а может быть и даже лишить базового функционала, в угоду звуку. А именно, хотелось бы по динамичнее звук, ибо комбик на клине орет, а кранча как нет, так и не видать вдали, даже если включить встроенный бустер. А уж на входе Ultra там и говорить о вкусном драйве не стоит, грязь. Я не хочу сказать, что там все хреново, напротив, на любителя, но все же...
Мои предпочтения такие: Может быть можно лишить его канала Ультра, вместо чего сделать мастер громкость. Предусилитель организовать как-то иначе. Оптимизировать схему что ли...
Возможно, это станет кому-то интересно, может владельцам, а может просто добрым людям.
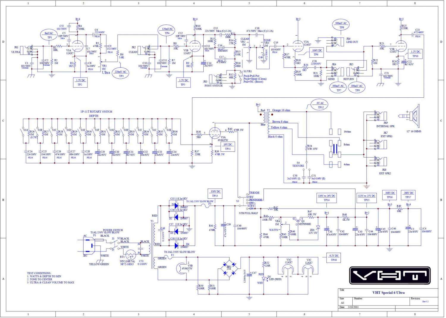
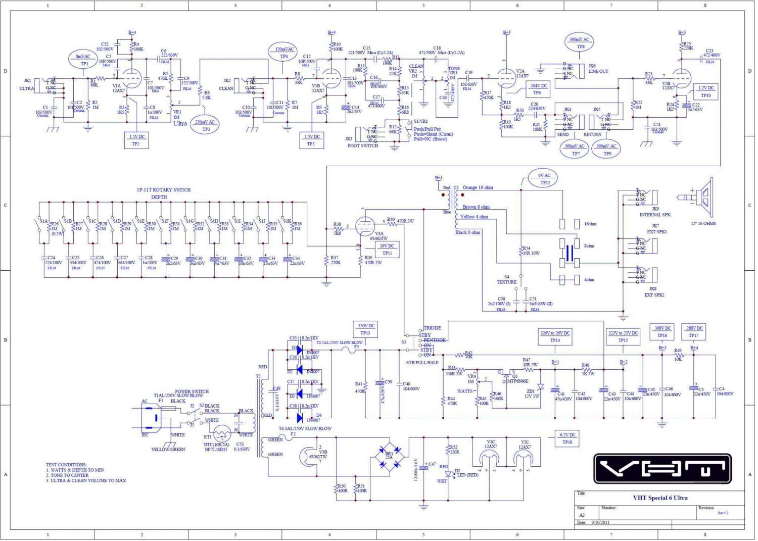
Схема аппарата во вложении. Кто понимает в схемах ламповых усилителей, думаю по качает головой и скажет - вот это да

Я вот слаб в этом. Понять принципиально, что и как обознгачено на схеме могу, а вот как конкретно тот или иной узел влияет на работу сказать не могу. Зато могу перепаять, если есть схема.