Здравствуйте. Моя проблема такова: при игре в коллективе появилась необходимость при исполнении соло "звучать громче", чем при ритмической поддержке. Вариантов решения нашел много (использовать бустер, эквалайзер во время игры сольных партий)... А еще у меня появилась идея создания одного примитивного приборчика (настолько примитивного, что его, в принципе, даже "приборчиком" не назовешь:).
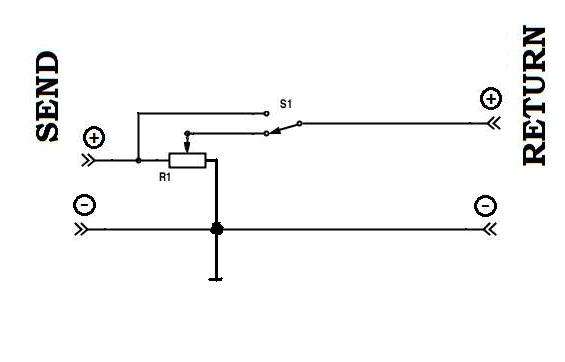
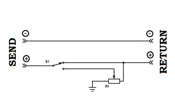
Суть его работы в следующем: в разрыв между преампом и оконечником воткнуть потенциометр, прохождение сигнала через который (или не проходя его) переключается кнопкой. Т.е. в итоге имеем: звук на "соло" (сигнал проходит напрямую из преампа к оконечнику) и звук на "ритм" (уровень сигнала гасится потенциометром и, соответственно, тише). (схема прилагается).
А вопрос у меня такой: не будет ли, с точки зрения электронки/здравого смысла/опасности повредить оборудование, использование сего "прибора" нецелесообразным/опасным/"портящим" звук?
В электронике разбираюсь почти никак, вот и решил попросить помощи обитателей данного форума

Заранее спасибо!