Автор Тема: Простой ламповый компрессор от Trace Elliot  (Прочитано 24048 раз)

0 Пользователей и 1 Гость просматривают эту тему.

Оффлайн sadky

  • Эксперт
  • *****
  • Сообщений: 2655
Re: Простой ламповый компрессор от Trace Elliot
« Ответ #15 : Июля 16, 2014, 18:14:50 »
Так, судя по полной схеме. комп в Трейсе имеет перед собой от трёх до пяти каскадов усиления. Он, наверное, и не заработает от гитарного сигнала ;) А схема Миллера-Джонса тоже, насколько я понял, от 3 вольт начинает шевелиться. Если не заработает как есть - предлагаю докинуть на вход один каскадик на триоде или на ЛНД. Но это если не заработает... И, кстати, - никто зрячее меня не обнаружил сведений о величине анодки для сабжевых схем? :rolleyes:

Оффлайн Tander Автор темы

  • Ветеран форума
  • ******
  • Сообщений: 3732
    • Efremoff
Re: Простой ламповый компрессор от Trace Elliot
« Ответ #16 : Июля 16, 2014, 19:43:12 »
чот какая-то непруха... Попробовал вариант из статьи, который первый.. Ну и ничего. положение потенциометра никак не влияет на наличие либо отсутсвие компрессии...Причем вообще не слышно, чтобы лампа как-то работала (согласно схеме, звук через пару конденсаторов, резистор в 470к и еще один конденсатор - отлично выходит на выход, хоть и ослабленный резистром)... включена лампа, выключена - без разницы... пробовал разные варианты делителя на входе (R3 и R4 - на первой схеме из статьи), так же другую пару в качестве анодного и "проходного" резистора)... ЧЯДНТ???


... и добавил:

Лампа - 6н9с.

... и добавил:

Самое обидное - нигде не могу найти адекватную схема компрессора, на лампах, чтобы не было - кучи трансформаторов, или операционников (на которые нужно отдельное питание мутить) с оптопарами.... Думал трейсэлиотовский побороть - а нет, не работает и все тут... Из статьи - там вообще 5 деталей по сути - и тоже без толку... обидно... Преамп на трех лампах, басовый - придумал, собрал на ура - работает, слов нет... не говоря о том что за плечами уже куча разных усилителей, гитарных и не гитарных, куча разных педалей, и прочего... а казалось бы простую вещь.... ппц просто обидно как...
« Последнее редактирование: Июля 16, 2014, 19:47:11 от Tander »

Оффлайн sadky

  • Эксперт
  • *****
  • Сообщений: 2655
Re: Простой ламповый компрессор от Trace Elliot
« Ответ #17 : Июля 16, 2014, 19:50:11 »
Tander,
А на входе что - гитара?

Оффлайн Tander Автор темы

  • Ветеран форума
  • ******
  • Сообщений: 3732
    • Efremoff
Re: Простой ламповый компрессор от Trace Elliot
« Ответ #18 : Июля 16, 2014, 19:55:46 »
Так, судя по полной схеме. комп в Трейсе имеет перед собой от трёх до пяти каскадов усиления. Он, наверное, и не заработает от гитарного сигнала ;) А схема Миллера-Джонса тоже, насколько я понял, от 3 вольт начинает шевелиться. Если не заработает как есть - предлагаю докинуть на вход один каскадик на триоде или на ЛНД. Но это если не заработает... И, кстати, - никто зрячее меня не обнаружил сведений о величине анодки для сабжевых схем? :rolleyes:

Перед трейсом ставил 3 каскада усиления, от преампа. На входе - смею заметить - стоит делитель в соотношении 30:1 - т.е. трейсовский должен без проблем завеститсь от слабого сигнала (т.к. входной, с кучи каскадов перед ним - в 30 раз ослабляется (ну примерно)).

... и добавил:

Так, воткнул миллера джонса после преда - да, компрессия появилась, достаточно правильная. но - потенциометр и дальше ни на что не влияет...
« Последнее редактирование: Июля 16, 2014, 20:03:45 от Tander »

Оффлайн sadky

  • Эксперт
  • *****
  • Сообщений: 2655
Re: Простой ламповый компрессор от Trace Elliot
« Ответ #19 : Июля 16, 2014, 20:05:11 »
Tander,
Да Бог с ним уже, с Трейсовским...  Я про Миллеровский спрашивал - на вход гитарный сигнал подавали?

Оффлайн Tander Автор темы

  • Ветеран форума
  • ******
  • Сообщений: 3732
    • Efremoff
Re: Простой ламповый компрессор от Trace Elliot
« Ответ #20 : Июля 16, 2014, 20:11:13 »
Миллеровский заработал, достаточно правильно, хоть и очень грубо, после преда. Нужно попробовать варианты где-то внутри преда его разместить (например после первого или второго каскада). Развести его нормально на борде, и пробовать...

Оффлайн sadky

  • Эксперт
  • *****
  • Сообщений: 2655
Re: Простой ламповый компрессор от Trace Elliot
« Ответ #21 : Июля 16, 2014, 20:17:15 »
Tander,
Ну дык, там же написано, что при отладке подавали на вход с генератора сигнал от 3 до 15 вольт, о чём я вам и напоминал в постах выше. Вот и выходит, что даный комп надо втыкать минимум после первого каскада, где и будет 3-5 вольт... (наверное) :rolleyes:

... и добавил:

А вообще, конечно, запускать такие схемы без генератора и осциллографа - это гражданский подвиг, снимаю шляпу! Я бы давно уже разобрал и выкинул >:(
Вот тема. где собирали Трейсовский вариант: http://forum.gtlab.net/cgi-bin/yabb2/YaBB.pl?num=1340286809
« Последнее редактирование: Июля 16, 2014, 20:33:48 от sadky »

Оффлайн Tander Автор темы

  • Ветеран форума
  • ******
  • Сообщений: 3732
    • Efremoff
Re: Простой ламповый компрессор от Trace Elliot
« Ответ #22 : Июля 16, 2014, 20:37:54 »
Кстати, я вот подумал... А что если - данный компрессор "миллера" поставить по выходу преда, но - вход и выход компрессора завести через сдвоенный потенциометр. первые выводы соеденить между собой, третьи соответсвенно подключить ко входу и выходу компрессора, выводы движков - соответсвенно на выход преда и вход оконечника. Т.е. когда движки в верхнем положении - то сигнал, минуя компрессор идет через соединенные первые ноги потенциометра, а в нижнем положении - сигнал идет только через компрессор. Тогда - выбирая разные положения потенциометра можно будет получит что-то типа регулатора Ratio. Такая схема жизнеспособна?

... и добавил:



... и добавил:

Потенциометры - 1 сдвоенный, где-то так на 100к.

Оффлайн sadky

  • Эксперт
  • *****
  • Сообщений: 2655
Re: Простой ламповый компрессор от Trace Elliot
« Ответ #23 : Июля 16, 2014, 20:43:42 »
Посмотрите, как это реализуется в параллельных петлях эффектов, сделайте так же  и не изобретайте велосипед . Всё уже украдено придумано до нас ;)

Оффлайн Сергей Куфлей

  • Завсегдатай
  • ***
  • Сообщений: 389
  • toiler
Re: Простой ламповый компрессор от Trace Elliot
« Ответ #24 : Июля 16, 2014, 20:44:21 »
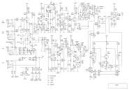
Это я выкладывал когда то компрессор.
Если интересно,то он входил с состав вот такого преампа.
Правее будет уже ФИ оконечника.

... и добавил:

Нормально он работает.
« Последнее редактирование: Июля 16, 2014, 20:46:00 от Сергей Куфлей »

Оффлайн Tander Автор темы

  • Ветеран форума
  • ******
  • Сообщений: 3732
    • Efremoff
Re: Простой ламповый компрессор от Trace Elliot
« Ответ #25 : Июля 16, 2014, 21:07:53 »
Сергей Куфлей,  вот как раз с этого  компрессора все и начиналось, но с элементами от трейсэлиота не завелся он у меня нормально. Вопрос - связка резисторов R19-R20 действительно так есть? Это жеж что одинрезистор на 100К получается? Т.е. в данной схеме все элементы соответствуют действительности и все работает???

Оффлайн Сергей Куфлей

  • Завсегдатай
  • ***
  • Сообщений: 389
  • toiler
Re: Простой ламповый компрессор от Trace Elliot
« Ответ #26 : Июля 16, 2014, 21:13:20 »
Эти два резистора просто исторически получились в процессе подборки.
Нужно было сразу исправить.
А так просто 100к.

... и добавил:

И работает.Регулятор на 12 самое оно.Если на всю,то даже перекомпрессия получается.
А убрать на всю,так его нет.
Кстати,его на ГтЛабе повторяли-работает.
« Последнее редактирование: Июля 16, 2014, 21:15:39 от Сергей Куфлей »

Оффлайн Tander Автор темы

  • Ветеран форума
  • ******
  • Сообщений: 3732
    • Efremoff
Re: Простой ламповый компрессор от Trace Elliot
« Ответ #27 : Июля 16, 2014, 21:16:22 »
И  R18 4,7k, вместо оригинального  47К?

Оффлайн Сергей Куфлей

  • Завсегдатай
  • ***
  • Сообщений: 389
  • toiler
Re: Простой ламповый компрессор от Trace Elliot
« Ответ #28 : Июля 16, 2014, 21:18:22 »
И  R18 4,7k, вместо оригинального  47К?

Нет!Это случайно-ошибка.Правильно 47к.

Оффлайн Tander Автор темы

  • Ветеран форума
  • ******
  • Сообщений: 3732
    • Efremoff
Re: Простой ламповый компрессор от Trace Elliot
« Ответ #29 : Июля 16, 2014, 21:19:29 »
Ок. А чисто случайно нету платы или п2п лейки? :)