Автор Тема: Простой ламповый компрессор от Trace Elliot  (Прочитано 24045 раз)

0 Пользователей и 1 Гость просматривают эту тему.

Оффлайн Сергей Куфлей

  • Завсегдатай
  • ***
  • Сообщений: 389
  • toiler
Re: Простой ламповый компрессор от Trace Elliot
« Ответ #30 : Июля 16, 2014, 21:21:10 »
Нету,к сожалению.Просто навесом собрано и все.

Оффлайн Tander Автор темы

  • Ветеран форума
  • ******
  • Сообщений: 3732
    • Efremoff
Re: Простой ламповый компрессор от Trace Elliot
« Ответ #31 : Июля 16, 2014, 21:26:46 »
ок. Попробую еще раз собрать, мож где ошибся...

Оффлайн Сергей Куфлей

  • Завсегдатай
  • ***
  • Сообщений: 389
  • toiler
Re: Простой ламповый компрессор от Trace Elliot
« Ответ #32 : Июля 16, 2014, 21:31:12 »
ок. Попробую еще раз собрать, мож где ошибся...
Я его сделал применительно именно к этому преампу и в единственном экземпляре.
Но то,что он работает,клянусь.

Оффлайн halvalife

  • Опытный
  • ****
  • Сообщений: 890
Re: Простой ламповый компрессор от Trace Elliot
« Ответ #33 : Июля 17, 2014, 05:37:56 »
Сергей Куфлей,  При ручке компрессии в ноль - чистое прохождение сигнала? А то я маюсь, делать ли обход компрессора (не шибко много места под тумблерок). Тут мне один камрад еще утверждал, что это больше лимитер, чем компрессор (собсвенно мне больше лимитер и нужен).
« Последнее редактирование: Июля 17, 2014, 05:39:43 от halvalife »

Оффлайн Сергей Куфлей

  • Завсегдатай
  • ***
  • Сообщений: 389
  • toiler
Re: Простой ламповый компрессор от Trace Elliot
« Ответ #34 : Июля 17, 2014, 06:00:41 »
halvalife,
Да,при ручке в ноль компрессии нет.
Но звук немного отличается если пускать через байпасс.
Это,вроде,как петля эффектов в усилителях является частью звука.

Оффлайн halvalife

  • Опытный
  • ****
  • Сообщений: 890
Re: Простой ламповый компрессор от Trace Elliot
« Ответ #35 : Июля 17, 2014, 06:02:02 »
Таки сделаю обход.

Оффлайн Сергей Куфлей

  • Завсегдатай
  • ***
  • Сообщений: 389
  • toiler
Re: Простой ламповый компрессор от Trace Elliot
« Ответ #36 : Июля 17, 2014, 07:22:40 »
Таки сделаю обход.
У меня обход управляется футсвичем.А как иначе выключать компрессор во время игры?
Не регулятор же крутить.

Оффлайн Targitay

  • Завсегдатай
  • ***
  • Сообщений: 362
Re: Простой ламповый компрессор от Trace Elliot
« Ответ #37 : Июля 17, 2014, 08:48:27 »
halvalife,
Да,при ручке в ноль компрессии нет.
Но звук немного отличается если пускать через байпасс.
Это,вроде,как петля эффектов в усилителях является частью звука.
Сергей Куфлей, а почему компресор стоит после темброблока?  Обычно, вроде, перед...  :rolleyes:

Оффлайн Tander Автор темы

  • Ветеран форума
  • ******
  • Сообщений: 3732
    • Efremoff
Re: Простой ламповый компрессор от Trace Elliot
« Ответ #38 : Июля 17, 2014, 10:04:04 »
Вообще, если рассматривать "педальную" цепочку - то компрессор обычно ставится одним из первых. И я вот думаю - если у нас все равно на входе стоит делитель 30:1 - может компрессору все же хватит сигнала от инструмента (соответсвенно уменьшив соотношение делителя), чтобы адекватно работать, и поставить его тогда перед преампом... эх. макетить и еще раз макетить... и искать осцил...

Кстати, диоды - как-то влияют на скорость срабатывания или что-то подобное? если например вместо 1N4007 поставить ультрафасты UF4007?
« Последнее редактирование: Июля 17, 2014, 10:05:48 от Tander »

Оффлайн Сергей Куфлей

  • Завсегдатай
  • ***
  • Сообщений: 389
  • toiler
Re: Простой ламповый компрессор от Trace Elliot
« Ответ #39 : Июля 17, 2014, 11:33:54 »
Сергей Куфлей, а почему компресор стоит после темброблока?  Обычно, вроде, перед...  :rolleyes:
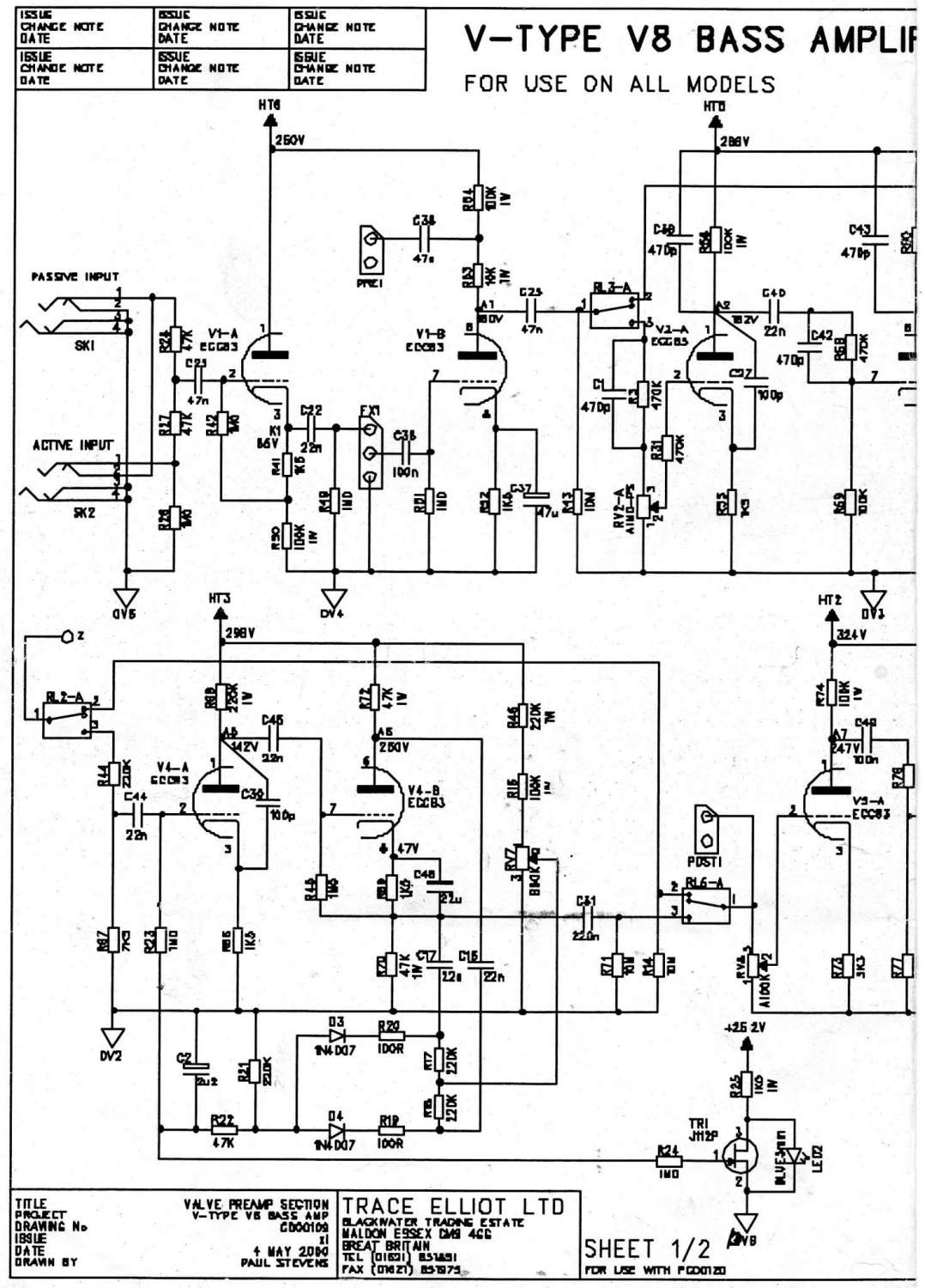
Если смотреть всю схему оригинального аппарата,то легко увидеть,что он здесь после темброблока.
А почему?Я даже и не вникал. ???

Оффлайн sadky

  • Эксперт
  • *****
  • Сообщений: 2655
Re: Простой ламповый компрессор от Trace Elliot
« Ответ #40 : Июля 17, 2014, 11:42:57 »
Tander,
На скорость срабатывания компрессора влияют C2 и R22 .

Оффлайн Tander Автор темы

  • Ветеран форума
  • ******
  • Сообщений: 3732
    • Efremoff
Re: Простой ламповый компрессор от Trace Elliot
« Ответ #41 : Июля 17, 2014, 11:57:47 »
Увеличивая C2 и R22 - Я буду увеличивать атаку и время отпускания? Т.е диоды можно поставить ультрафасты (за неимением 1н4007)?

Оффлайн sadky

  • Эксперт
  • *****
  • Сообщений: 2655
Re: Простой ламповый компрессор от Trace Elliot
« Ответ #42 : Июля 17, 2014, 12:04:06 »
Да диодами-то кашу не испортишь ;) А по C2 и R22 - увеличивая их, увеличите время изменения управляющего напряжения (время заряда конденсатора/ собственно, время срабатывания компрессора - до уменьшения усиления)

Оффлайн halvalife

  • Опытный
  • ****
  • Сообщений: 890
Re: Простой ламповый компрессор от Trace Elliot
« Ответ #43 : Июля 17, 2014, 12:44:33 »
Тут есть печатка http://guitar-gear.ru/forum/index.php?app=core&module=attach&section=attach&attach_id=33776, вкладка DI OUT and COMPRESSOR (только DI OUT выбросить)

Оффлайн Tander Автор темы

  • Ветеран форума
  • ******
  • Сообщений: 3732
    • Efremoff
Re: Простой ламповый компрессор от Trace Elliot
« Ответ #44 : Июля 17, 2014, 13:33:05 »
за печатку спасибо, я правда уже свою развел, протравил и щас паяю ))


... и добавил:

спаял. проверил - подключил после преда. Звук есть, но ничего не меняется, при повороте движка потениометра в какую либо сторону. По амплитуде - доводил до того что лампа компрессора начинает входить в ограничение, но при этом компресси - не увидел и не услышал.

... и добавил:

единственное отличие от схемы автора - катодный конденсатор второго триода - 10мкф, вместо 22. но не думаю что это может как-то сильно влиять...
« Последнее редактирование: Июля 17, 2014, 15:26:26 от Tander »