пересмотрел всё, ошибок не нашел.
Думается что эти схемы какие-то неправильные, фейковые может.
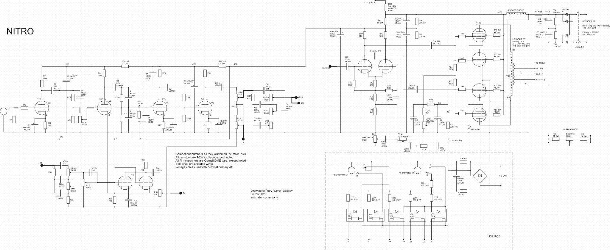
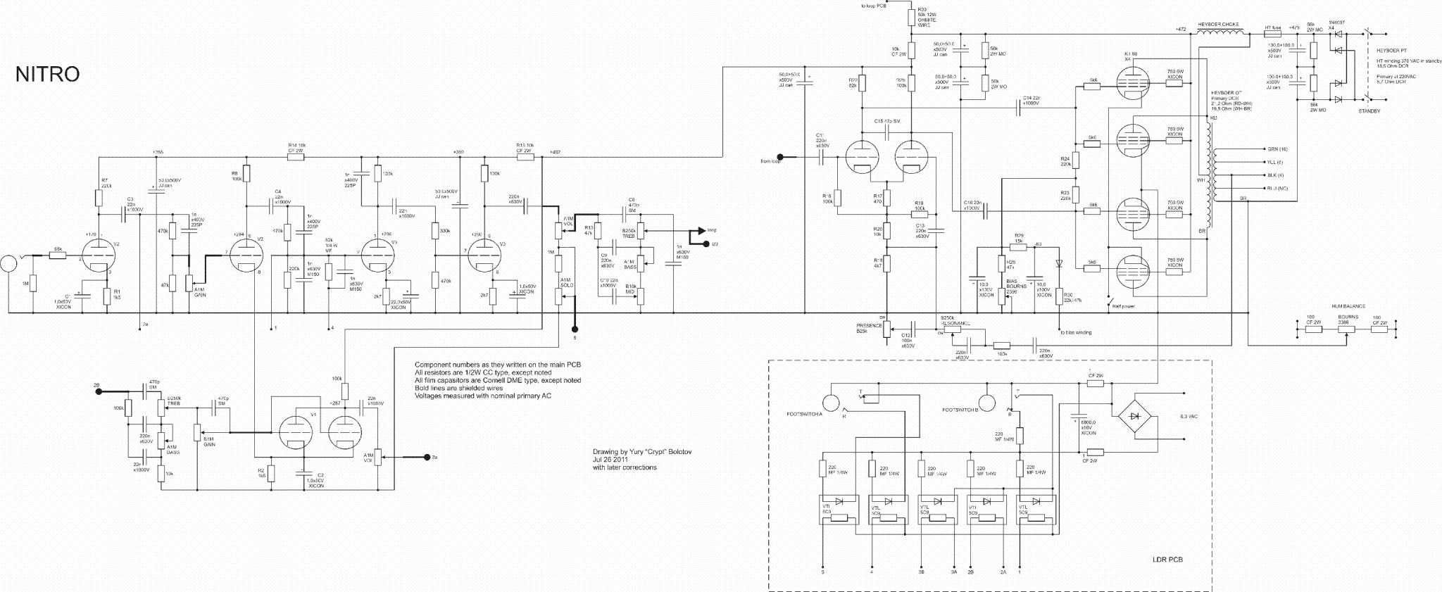
Схемы абсолютно рабочие, причем прекрасно выдерживают корректировку некоторых элементов, под индивидуальные задачи. И ДА! Элементы Темброблока по Маршаллу...Собирал лично эдакий суперкомбайн на базе SLO...с коммутацией преобразования в Splawn. Саунд прекрасный в обеих вариациях. Гейн мощный, тембр вкусный. Все рули работают четко и правильно. Ни о каких фузах и захлебываниях и речи нет. Ищите проблемы и косяки у себя...начиная с ламп, режимов по питанию...трансы и остальное. И не надо бездумно ,на обум, тасовать детали. Надо четко понимать предназначение каждого узла и элемента схемы.Удачи
... и добавил:Может оно?
Рабочая схема...только по факту, резистор на 47 ком, в параллели с рулем Гейна на 1 М, включается опционно, как лоу-гейн. На некоторых схемах гуляющих в сети, криво сняты подобные фишки...Короче есть муть...которую приходиться решать.
... и добавил:Undead_J, 22мкФ в третьем каскаде явно лишнее, лучше или оригинал оставить или уменьшить,
... и добавил:
Оригинал? Вот один из них...22 мкф Реализованы в данном варианте Splawn, при чем , в реале звучит прекрасно...хотя , в этой позициии R 2.7 k ll C 1mf тоже вкусны...
