Форум гитаристов
У нас самая большая гитарная тусовка
Добро пожаловать,
Гость
. Пожалуйста,
войдите
или
зарегистрируйтесь
.
Не получили
письмо с кодом активации
?
1 час
1 день
1 неделя
1 месяц
Навсегда
В теме
В разделе
По форуму
Яндекс
Начало
Помощь
Поиск
Media
Пользователи
Общий список
Поиск пользователей
Вход
Регистрация
|
Размещение рекламы
Правила форума
Форум гитаристов
»
Оборудование
»
equipment.craft
(Модератор:
Dying Fetus
) »
Тема:
Разрыв в шумодаве
« предыдущая тема
следующая тема »
Печать
Страницы: [
1
]
Вниз
Автор
Тема: Разрыв в шумодаве (Прочитано 656 раз)
0 Пользователей и 1 Гость просматривают эту тему.
andrewrussel
Новичок
Сообщений: 93
Разрыв в шумодаве
«
:
Января 16, 2023, 07:51:25 »
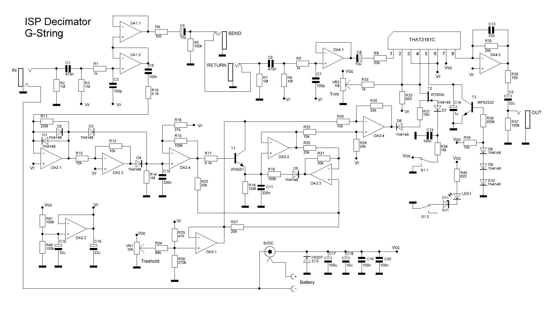
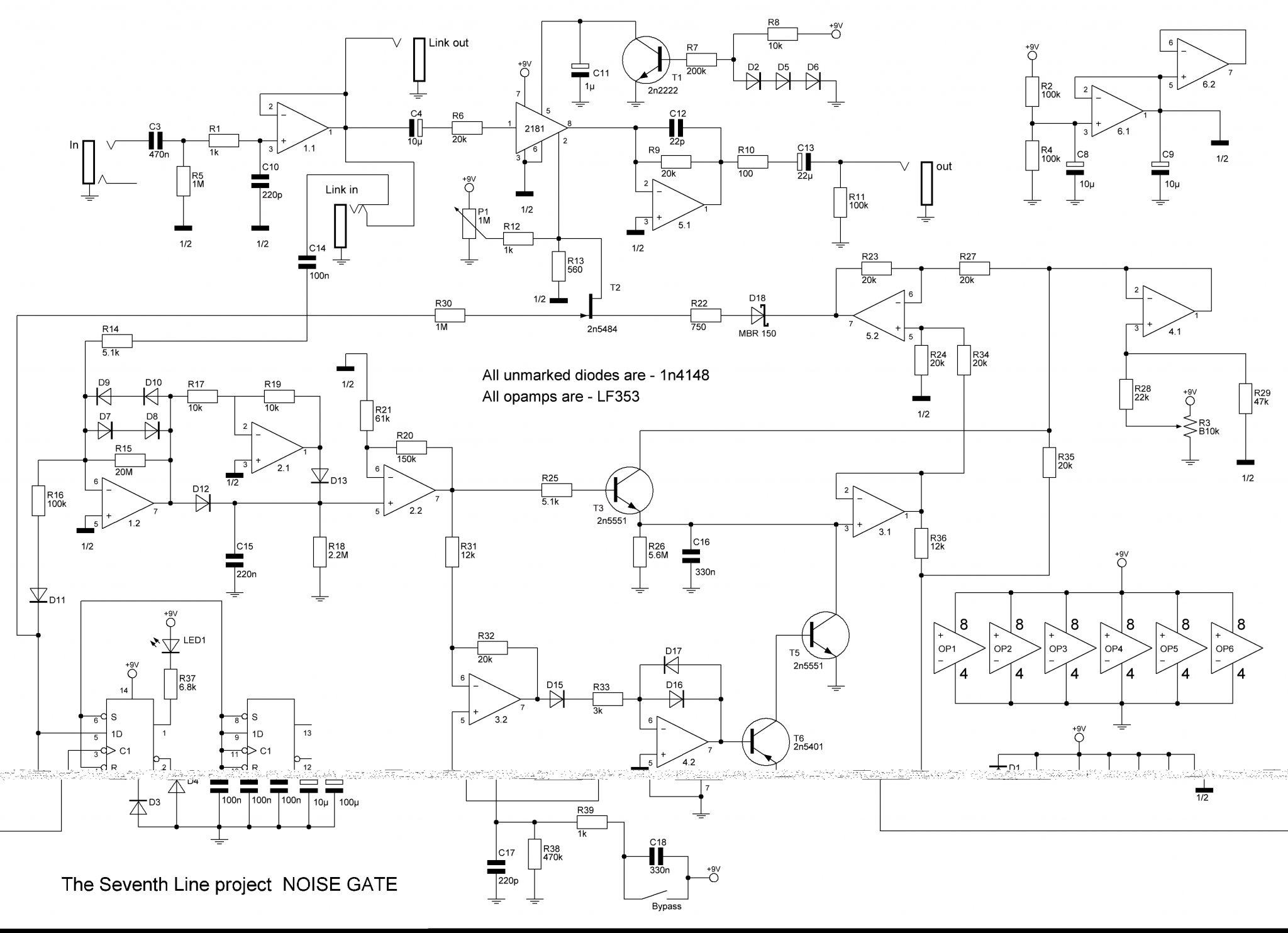
Доброго времени суток. Может кто подсказать как сделать send/return на первой схеме? Нужно ли добавлять резисторы и кондеры как во второй?
Записан
Печать
Страницы: [
1
]
Вверх
« предыдущая тема
следующая тема »
Форум гитаристов
»
Оборудование
»
equipment.craft
(Модератор:
Dying Fetus
) »
Тема:
Разрыв в шумодаве