Автор Тема: Разрыв в VOX AC4C1-12  (Прочитано 2278 раз)

0 Пользователей и 1 Гость просматривают эту тему.

Оффлайн Roman8181 Автор темы

  • Новичок
  • *
  • Сообщений: 8
  • GuitarPlayer.Ru fan!
Разрыв в VOX AC4C1-12
« : Февраля 17, 2017, 05:36:10 »
Приветствую.
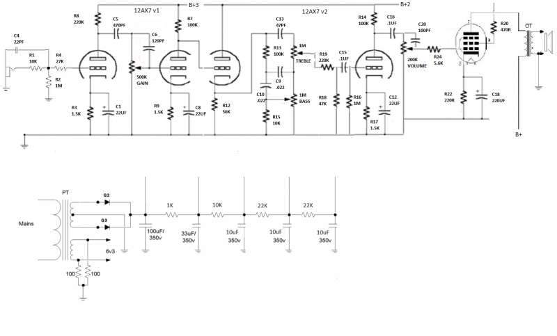
Имеется комбик VOX AC4C1-12. Хотелось бы добавить разрыв, чтобы подключать внешний преамп сразу на вход мощника комбика
Пожалуйста, покажите на схеме, в каких точках сделать разрыв.
Пока хочу попробовать, стоит ли оно того. Т.е. времянку.
Для этого хочу вытащить лампы предусилителя. Затем нужно сигнал с внешнего преампа подать на мощник.
Я так понимаю один провод припаиваем к регулятору громкости комбика (2 нога лампы), а второй на 3-ую ногу лампы EL84 ?

Заранее благодарю за ответ.
« Последнее редактирование: Февраля 17, 2017, 08:26:58 от Roman8181 »

Оффлайн Алексей Ф

  • Эксперт
  • *****
  • Сообщений: 2262
  • GuitarPlayer.Ru fan!
Re: Разрыв в VOX AC4C1-12
« Ответ #1 : Февраля 17, 2017, 22:35:15 »
Нет. Верхняя точка потенциометра volhme.

Оффлайн Roman8181 Автор темы

  • Новичок
  • *
  • Сообщений: 8
  • GuitarPlayer.Ru fan!
Re: Разрыв в VOX AC4C1-12
« Ответ #2 : Февраля 20, 2017, 08:10:14 »
Нет. Верхняя точка потенциометра volhme.

Спасибо за ответ.
Уточню. Один провод - верхняя точка потенциометра Volume, а второй провод можно на  "землю"?  Нигде цепь   разрывать не нужно, чтобы отключить преамп?

« Последнее редактирование: Февраля 20, 2017, 08:15:31 от Roman8181 »

Оффлайн Rolly

  • Живу на форуме
  • *******
  • Сообщений: 9050
  • Мнение - не повод получить пулю сразу.
Re: Разрыв в VOX AC4C1-12
« Ответ #3 : Февраля 20, 2017, 08:36:05 »
Хе, я бы после ТБ сделал вход, там где уже какой-то разрыв провода. Или после делителя, что после ТБ идёт, тогда там можно целуя петлю нагородить. :hmmm: Выкинуть С15 и на его место выводы.

Оффлайн Roman8181 Автор темы

  • Новичок
  • *
  • Сообщений: 8
  • GuitarPlayer.Ru fan!
Re: Разрыв в VOX AC4C1-12
« Ответ #4 : Февраля 20, 2017, 08:50:42 »
Хе, я бы после ТБ сделал вход, там где уже какой-то разрыв провода. Или после делителя, что после ТБ идёт, тогда там можно целуя петлю нагородить. :hmmm: Выкинуть С15 и на его место выводы.
Да петля не нужна.
Нужно как можно проще и быстрее  :)

Вот вопрос интересует, если припаюсь к потенциометру громкости и на землю, то термоблок механически отсекать нужно или нет? Если да, то разорвать провод после С15?

И второй вопрос, плата печатная, пока неохота ее уродовать. Сойдет как временный вариант вытащить лампы предусилителя и припаять провод на регулятор громкости и землю?
« Последнее редактирование: Февраля 20, 2017, 08:58:43 от Roman8181 »

Оффлайн Rolly

  • Живу на форуме
  • *******
  • Сообщений: 9050
  • Мнение - не повод получить пулю сразу.
Re: Разрыв в VOX AC4C1-12
« Ответ #5 : Февраля 20, 2017, 08:57:39 »
Можно и не петлю, разница в коммутации, количестве гнёзд. В остальном то же самое - выкинуть С15, впаяться на его место.

... и добавил:

Гнездо нужно такое, чтобы отключало предъидущий тракт при втыкании джека.
« Последнее редактирование: Февраля 20, 2017, 09:00:04 от Rolly »

Оффлайн Roman8181 Автор темы

  • Новичок
  • *
  • Сообщений: 8
  • GuitarPlayer.Ru fan!
Re: Разрыв в VOX AC4C1-12
« Ответ #6 : Февраля 20, 2017, 09:00:11 »
Можно и не петлю, разница в коммутации, количестве гнёзд. В остальном то же самое - выкинуть С15, впаяться на его место.
И второй вопрос, плата печатная, пока неохота ее уродовать. Сойдет как временный вариант вытащить лампы предусилителя и припаять провод на регулятор громкости и землю?

... и добавил:

Можно и не петлю, разница в коммутации, количестве гнёзд. В остальном то же самое - выкинуть С15, впаяться на его место.

... и добавил:

Гнездо нужно такое, чтобы отключало предъидущий тракт при втыкании джека.
A C15 какую роль тогда на схеме играет? Если его совсем удалить что изменится?
« Последнее редактирование: Февраля 20, 2017, 09:02:41 от Roman8181 »

Оффлайн Rolly

  • Живу на форуме
  • *******
  • Сообщений: 9050
  • Мнение - не повод получить пулю сразу.
Re: Разрыв в VOX AC4C1-12
« Ответ #7 : Февраля 20, 2017, 09:05:08 »
Если уж совсем так, то можно. Только проверить напряжение накала при вытащенных лампах.

Ничего особенного С15 не делает, стоит он там из каких-то смутных соображений.

Оффлайн Roman8181 Автор темы

  • Новичок
  • *
  • Сообщений: 8
  • GuitarPlayer.Ru fan!
Re: Разрыв в VOX AC4C1-12
« Ответ #8 : Февраля 20, 2017, 09:12:21 »
Если уж совсем так, то можно. Только проверить напряжение накала при вытащенных лампах.

Ничего особенного С15 не делает, стоит он там из каких-то смутных соображений.
Спасибо за советы!