Автор Тема: REGENT 60 вопрос к знатокам -2  (Прочитано 2887 раз)

0 Пользователей и 1 Гость просматривают эту тему.

Оффлайн SG59 Автор темы

  • Частый посетитель
  • **
  • Сообщений: 107
REGENT 60 вопрос к знатокам -2
« : Апреля 24, 2015, 09:07:14 »
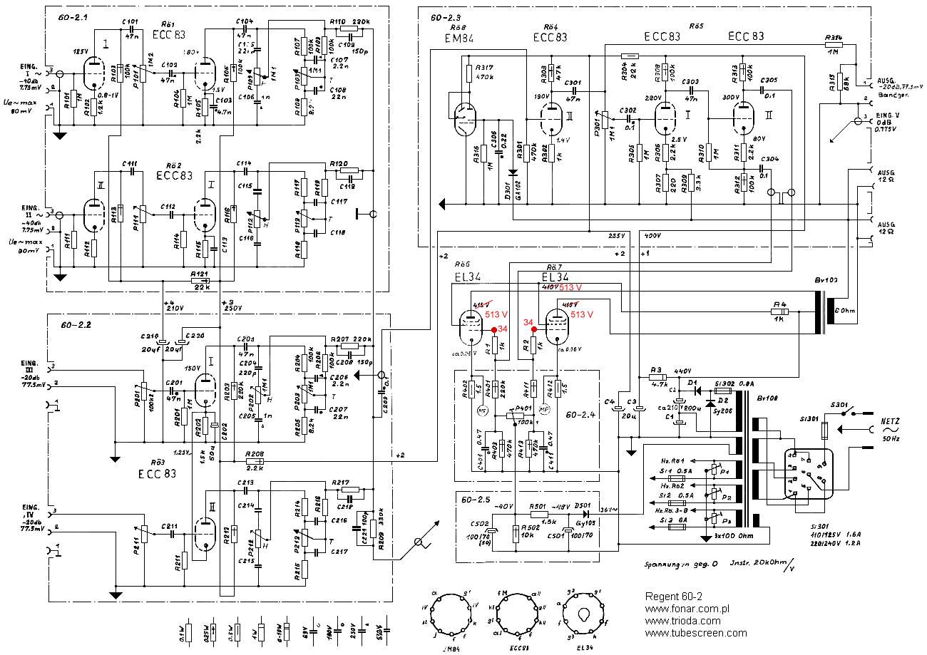
1615893-0помогите , пожалуйста советом !
вот схема усилителя .
какими элементами или элементом или от чего зависит величина анодного напряжения ??
у меня вместо 255 - 335 вольт !!!
анодное для EL34 вроде в норме -370 вольт .
куда смотреть ??
подскажите пожалуйста !


Оффлайн GeorgeM

  • Ветеран форума
  • ******
  • Сообщений: 5432
  • тайный агент sovietguitars.com на ГП
Re: REGENT 60 вопрос к знатокам -2
« Ответ #1 : Апреля 24, 2015, 09:10:08 »
меряешь с лампами или без?

Оффлайн SG59 Автор темы

  • Частый посетитель
  • **
  • Сообщений: 107
Re: REGENT 60 вопрос к знатокам -2
« Ответ #2 : Апреля 24, 2015, 09:11:11 »
да . меряю с лампами .
все на месте .

... и добавил:

со вторичной переменка - 150 . в норме вроде ...

... и добавил:

и еще !!
сильно микрофонит .
все звуки с корпуса , все шорохи слышно в динамике .

... и добавил:

там еще не оригинальные потенциометры на входах установлены . М47Ф
по схеме 100к
и если мастер закрыи - то не микрофонит
а если чуть мастер приоткрыть - сразу микрофонит .

... и добавил:

мастер - тоже не оригинал
тоже м47ф вместо 1М
« Последнее редактирование: Апреля 24, 2015, 09:19:13 от SG59 »

Оффлайн LIONSOUND

  • Эксперт
  • *****
  • Сообщений: 2249
  • Не надо делать круто, надо делать правильно
    • Lionsoundlab
Re: REGENT 60 вопрос к знатокам -2
« Ответ #3 : Апреля 24, 2015, 09:29:44 »
какими элементами или элементом или от чего зависит величина анодного напряжения ??
у меня вместо 255 - 335 вольт !!!
анодное для EL34 вроде в норме -370 вольт .
куда смотреть ??
После R304 (22k)  "анодное для EL34" (400в) понижается до анодного 255в.
Проверь его номинал.

Оффлайн SG59 Автор темы

  • Частый посетитель
  • **
  • Сообщений: 107
Re: REGENT 60 вопрос к знатокам -2
« Ответ #4 : Апреля 24, 2015, 09:35:25 »
После R304 (22k)  "анодное для EL34" (400в) понижается до анодного 255в.
Проверь его номинал.
Спасибо !
да.

этот резистор первым делом проверил .
даже на другой менял .
бесовщина какая то ---  335 вольт !!  ...
у товарища такой же регент - у него 250 вольт .
может у меня лампы старые ?? я их не менял .

... и добавил:

сейчас вытащил ВСЕ маленькие лампы - стало 386 вольт ...
« Последнее редактирование: Апреля 24, 2015, 10:37:27 от SG59 »

Оффлайн NektoS

  • Эксперт
  • *****
  • Сообщений: 1619
Re: REGENT 60 вопрос к знатокам -2
« Ответ #5 : Апреля 24, 2015, 11:56:38 »
Через все лампы перестал протекать ток? А накал-то на них есть?

Оффлайн Ден2

  • Ветеран форума
  • ******
  • Сообщений: 4278
Re: REGENT 60 вопрос к знатокам -2
« Ответ #6 : Апреля 24, 2015, 12:45:24 »
Действительно, похоже на то, что мелкие лампы не работают как надо. Чтобы на 22к упало 145в, нужен ток в 6.5мА. Вполне правдоподобная величина для этоих лампочек. Мы же имеем (400-335)/22к=2,9мА. Значит, какая-то лампочка сдохла. Или две. Или, действительно, накал отвалился. Или смещение. Или утечка. Обмерять аноды и катоды мелких ламп и, думаю, станет яснее, что к чему.

Оффлайн NektoS

  • Эксперт
  • *****
  • Сообщений: 1619
Re: REGENT 60 вопрос к знатокам -2
« Ответ #7 : Апреля 24, 2015, 12:59:41 »
И посмотреть, для успокоения, R208 2.2k. Через него три лампы запитаны, хотя 10 В роли не сыграют.
« Последнее редактирование: Апреля 24, 2015, 13:05:07 от NektoS »

Оффлайн SG59 Автор темы

  • Частый посетитель
  • **
  • Сообщений: 107
Re: REGENT 60 вопрос к знатокам -2
« Ответ #8 : Апреля 24, 2015, 13:20:17 »
спасибо !!
накал есть , проверил .
но лампы только заменой проверить можно ... а менять пока не на что ...

Оффлайн LIONSOUND

  • Эксперт
  • *****
  • Сообщений: 2249
  • Не надо делать круто, надо делать правильно
    • Lionsoundlab
Re: REGENT 60 вопрос к знатокам -2
« Ответ #9 : Апреля 24, 2015, 13:24:05 »
ну хотя бы напругу на анодах у них глянь...

Оффлайн SG59 Автор темы

  • Частый посетитель
  • **
  • Сообщений: 107
Re: REGENT 60 вопрос к знатокам -2
« Ответ #10 : Апреля 24, 2015, 13:26:46 »
причем !!
и это  хоть как то обнадеживает , - звук ( сигнал) проходит !
в колонке слышно музыку .
но с фоном и не нормального качества .

Оффлайн NektoS

  • Эксперт
  • *****
  • Сообщений: 1619
Re: REGENT 60 вопрос к знатокам -2
« Ответ #11 : Апреля 24, 2015, 13:27:19 »
SG59, Ден2 уже прикинул величины. Маловероятно, что все лампы, запитанные после R304, вышли из строя. Для интереса измерьте напряжения на резисторах автосмещения на каждой лампе.

Оффлайн SG59 Автор темы

  • Частый посетитель
  • **
  • Сообщений: 107
Re: REGENT 60 вопрос к знатокам -2
« Ответ #12 : Апреля 24, 2015, 13:29:52 »
ну хотя бы напругу на анодах у них глянь...

хорошо !
.......
а не опасно с таким высоким напряжением ... 335 вольт держать включенным усилитель ??

... и добавил:

 измерьте напряжения на резисторах автосмещения на каждой лампе.
[/quote]

извините за серость .
резисторы автосмещения это которые ??
« Последнее редактирование: Апреля 24, 2015, 13:32:31 от SG59 »

Оффлайн LIONSOUND

  • Эксперт
  • *****
  • Сообщений: 2249
  • Не надо делать круто, надо делать правильно
    • Lionsoundlab
Re: REGENT 60 вопрос к знатокам -2
« Ответ #13 : Апреля 24, 2015, 13:45:45 »
а не опасно с таким высоким напряжением ... 335 вольт держать включенным усилитель ??
Для многих усилков это штатное напряжение.  ???

Оффлайн NektoS

  • Эксперт
  • *****
  • Сообщений: 1619
Re: REGENT 60 вопрос к знатокам -2
« Ответ #14 : Апреля 24, 2015, 13:59:59 »
SG59, R102, R105, R112, R115, R202, R302. Т.е., между катодом и землёй.
« Последнее редактирование: Апреля 24, 2015, 14:01:38 от NektoS »