Всем доброго времени суток! Я понимаю, что девайс далеко не гитарный, но специфику вопроса можно отнести к данной ветке.
Проблема следующая через вход hi-z аудиокарты гитара стала звучать в разы тише и мутнее. Когда играю через Di-Box в тот же канал - всё ок. Раньше такой разницы не было. Во входной цепи присутствует полевой транзистор j112. А предположительная причина его выхода из строя - подключение Sans Amp Gt-2 на высокой громкости (так получилось). Не сразу, но после этого, я заметил неисправность. Через Di-Box я могу играть - это выход. Но встроенный вход может неожиданно пригодиться.
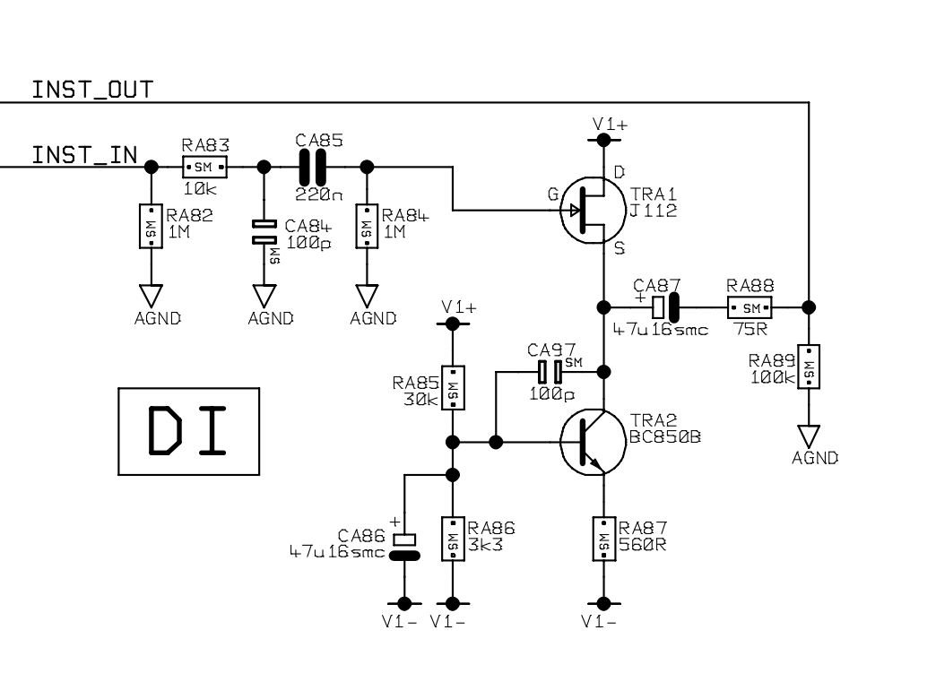
Схему удалось откопать старой модификации, но думаю, что там мало что поменялось. Прикреплю схему входного каскада, а так же PDF с полной схемой. Прошу помощи в починке!
