Автор Тема: Сборка ЛУ, проблемы...  (Прочитано 6316 раз)

0 Пользователей и 1 Гость просматривают эту тему.

Оффлайн Ден2

  • Ветеран форума
  • ******
  • Сообщений: 4278
Re: Сборка ЛУ, проблемы...
« Ответ #60 : Октября 02, 2012, 19:33:39 »
Похоже, подгоревший резистор стоит в RC-фильтре питания, перед вторыми сетками оконечных ламп. Возможно, какая-то из старых ламп была неисправна, из-за чего ток вторых сеток сильно превышал нормальное значение,и резистор перегревался. Сейчас я бы посоветовал измерить фактический номинал этого резистора на выключенном усилителе (по идее должно быть 2,2к) и падение напряжения на нём в рабочем режиме СОБЛЮДАЯ ТЕХНИКУ БЕЗОПАСНОСТИ! (должно быть в районе 20в). Если замеры в норме - можно не переживать. Если сильно расходятся - тогда заменить резистор и проверить участок платы на обгорание (именно обгорание, до угля, просто потемнение текстолита не опасно). Если есть обугливание - вычистить, например бормашиной.

Оффлайн vovian

  • Завсегдатай
  • ***
  • Сообщений: 285
Re: Сборка ЛУ, проблемы...
« Ответ #61 : Октября 03, 2012, 12:27:10 »
А вот подгоревший резистор говорит о том, что не все в норме.

да уж. но мне кажется что его заменили. он как то не выглядит полгоревшим. может на его месте стоял раньше другой. он и подгорел.  кстати я сразу не написалЮ что куб на 110 вольт. я пользуюс трансформатором 220-110 вольт. может старый пользователь его пытался по другому подключить? (: мог ли , интерестно , из-за этого сгореть резистор?

Оффлайн kynep

  • Ветеран форума
  • ******
  • Сообщений: 6828
  • Руби МиТоЛ!!!
Re: Сборка ЛУ, проблемы...
« Ответ #62 : Октября 03, 2012, 15:49:09 »
vovian, из за этого мог сгореть трансформатор и ты бы не смог им пользоваться вообще. Резистор не сгорел, а просто от его нагрева потемнел текстолит. Слишком большая мощность на нем рассеивается. Это нормально для Китайских "поделок".

А вот почему он так греется, уже вопрос другой. Нужна схема аппарата.
« Последнее редактирование: Октября 03, 2012, 15:50:48 от kynep »

Оффлайн AntonVIP

  • Живу на форуме
  • *******
  • Сообщений: 13729
  • Люблю качественную музыку в стиле "мясо"
    • Страница на ютубе
Re: Сборка ЛУ, проблемы...
« Ответ #63 : Октября 03, 2012, 17:01:22 »
kynep, скорее всего что-то с режимами выходных ламп было не так.

Оффлайн vovian

  • Завсегдатай
  • ***
  • Сообщений: 285
Re: Сборка ЛУ, проблемы...
« Ответ #64 : Октября 03, 2012, 18:18:36 »
vovian,  Резистор не сгорел, а просто от его нагрева потемнел текстолит. Слишком большая мощность на нем рассеивается. Это нормально для Китайских "поделок".

я трогаю этот резистор, он  не нагревается больше тех других. даже сказал бы не нагревается вообще. куб точно не китайский. сделан в мексике в 2003 году. схему надыбаю.

... и добавил:

Похоже, подгоревший резистор стоит в RC-фильтре питания, .....

спасибо за дельный совет. я попробую всё замерить и напишу.

Оффлайн kynep

  • Ветеран форума
  • ******
  • Сообщений: 6828
  • Руби МиТоЛ!!!
Re: Сборка ЛУ, проблемы...
« Ответ #65 : Октября 03, 2012, 18:54:36 »
я трогаю этот резистор, он  не нагревается больше тех других. даже сказал бы не нагревается вообще. куб точно не китайский. сделан в мексике в 2003 году. схему надыбаю.

А сколько времени проходит после включения аппарата и твоим прикосновением? Подержи минут 30-40 включенным, потом потрогай.

... и добавил:

AntonVIP, с режимами по-любому не то, вряд ли лампы подобранная пара, это раз, второе, из-за других ламп режимы  уплыли в любом случае.

Оффлайн vovian

  • Завсегдатай
  • ***
  • Сообщений: 285
Re: Сборка ЛУ, проблемы...
« Ответ #66 : Октября 03, 2012, 19:28:20 »
Лампы (блольшие) были плохие. Куб трещял при нагревании.  я их заменил. пробовал вставлять 6п14п и EL 84. в итоге EL 84 оставил, у них звук лучше. у советских середина более ясней звучит, а ел-84 помягче. теперь всё нормально работает.
Завтра поиграю потом проверю, на сколько температура будет отличаться между разными резисторами.
 

Оффлайн Ден2

  • Ветеран форума
  • ******
  • Сообщений: 4278
Re: Сборка ЛУ, проблемы...
« Ответ #67 : Октября 03, 2012, 19:45:24 »
Только не вздумай под напругой трогать.

Оффлайн vovian

  • Завсегдатай
  • ***
  • Сообщений: 285
Re: Сборка ЛУ, проблемы...
« Ответ #68 : Октября 03, 2012, 19:52:52 »
на выключенном усилителе (по идее должно быть 2,2к) и падение напряжения на нём в рабочем режиме (должно быть в районе 20в)
просмотрел на выключенном усилке такие замеры:
резистор R 47 (см. на фото) - 2,73 к
R48 - 9.86к
R49 - 9.90к

... и добавил:

"падение напряжения на нём в рабочем режиме должно быть в районе 20в"  - а как замерить это, я не понял. подскажи пожалуйста. Я просто мультиметром косяюсь его с двух сторон там он ничего ясного не показывает.

... и добавил:

« Последнее редактирование: Октября 04, 2012, 20:11:21 от vovian »

Оффлайн Dying Fetus

  • Moderator
  • *****
  • Сообщений: 10320
  • DIYng Fetus
    • http://cathar.ru
Re: Сборка ЛУ, проблемы...
« Ответ #69 : Октября 04, 2012, 12:59:16 »
vovian, нет. напряжение нужно мерить в режиме постоянного тока - DC. Щупы по обе стороны от резистора, во вход дажэ джек не засовывай.

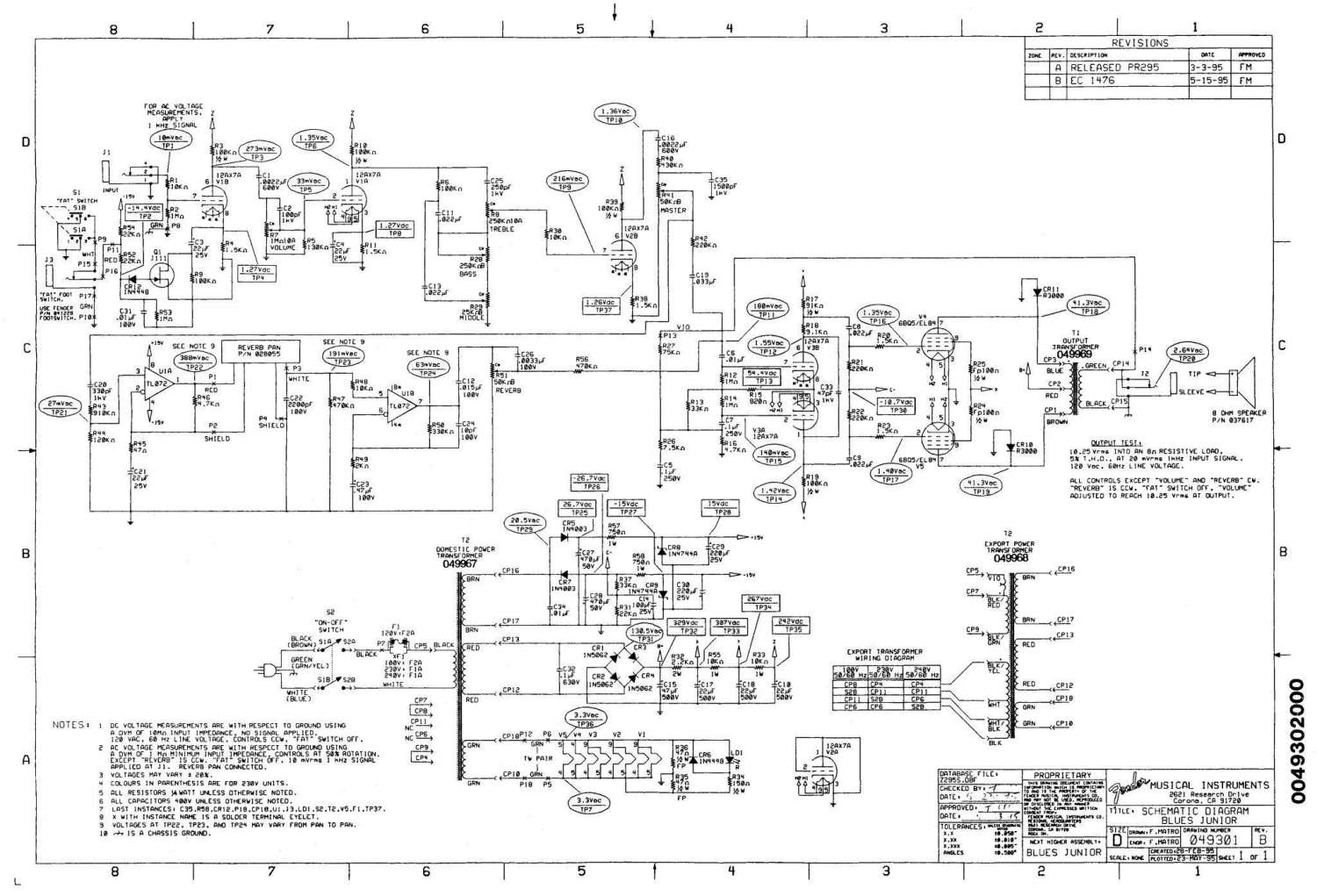
Если смотреть по схеме:


То резистор R47 2,2 кОм. Падение напряжения на нём 22 В. Ток через него 22В/2,2кОм = 10 мА. Мощность должна быть 22В*10мА=0,22 Вт.

... и добавил:

Я бы просто заменил резистор и посмотрел бы смещение.

Смещение меряется тоже на постоянке. чёрный щуп на корпус, красный в точку соединения R51, R52 и минуса C33

... и добавил:

Должно быть около -10,6 В(именно минус)
« Последнее редактирование: Октября 04, 2012, 13:03:06 от Dying Fetus »

Оффлайн vovian

  • Завсегдатай
  • ***
  • Сообщений: 285
Re: Сборка ЛУ, проблемы...
« Ответ #70 : Октября 04, 2012, 18:45:28 »
Dying Fetus  а это точно та часть схемы? просто не вижу в нёй R 47.
« Последнее редактирование: Октября 04, 2012, 20:12:04 от vovian »

Оффлайн Dying Fetus

  • Moderator
  • *****
  • Сообщений: 10320
  • DIYng Fetus
    • http://cathar.ru
Re: Сборка ЛУ, проблемы...
« Ответ #71 : Октября 04, 2012, 18:56:31 »
Страница нумер 2
* _schematics_guitar_amplifiers_Blues_Junior_schematic.pdf (561.77 КБ - загружено 83 раз.)

Оффлайн vovian

  • Завсегдатай
  • ***
  • Сообщений: 285
Re: Сборка ЛУ, проблемы...
« Ответ #72 : Октября 04, 2012, 19:58:28 »
замерил
R 47 - 28 v
R48 - 32 v
R49 - 19 v
Dying Fetus  - это нормальные показатели или нет?  Также не очень понял как посмотреть смещение. (R51, R52  нашел на плате, но что дальше?)
И третье, по поводу замены резистора. мне кажеться он уже заменен.
короче жду следующих ваших указаний. спасибо.


... и добавил:

опа. спасибо. за схемки.
« Последнее редактирование: Октября 05, 2012, 09:47:46 от vovian »

Оффлайн el-doctor

  • Ветеран форума
  • ******
  • Сообщений: 3734
Re: Сборка ЛУ, проблемы...
« Ответ #73 : Октября 04, 2012, 20:09:57 »
да завещание напиши и потрогай, чего там.

Оффлайн vovian

  • Завсегдатай
  • ***
  • Сообщений: 285
Re: Сборка ЛУ, проблемы...
« Ответ #74 : Октября 05, 2012, 09:50:12 »

[/quote]
Сейчас я бы посоветовал измерить фактический номинал этого резистора на выключенном усилителе (по идее должно быть 2,2к)

R 47  - 2,73 к
R48 - 9.86к
R49 - 9.90к
Это нормальные показатели или нет?