Автор Тема: Сборка усилителей Mesa Boogie  (Прочитано 33687 раз)

0 Пользователей и 1 Гость просматривают эту тему.

Оффлайн ColorBox

  • Опытный
  • ****
  • Сообщений: 712
  • ббб
    • Очень Клевая Тема
Re: Сборка усилителей Mesa Boogie
« Ответ #360 : Июля 11, 2025, 16:12:02 »
Цитировать
После отпуска погоняю.
Только сперва надо ставить специальную программу

(нажмите чтобы показать/спрятать)
« Последнее редактирование: Июля 11, 2025, 16:48:21 от ColorBox »

Оффлайн Spero_In_Inteligo

  • Живу на форуме
  • *******
  • Сообщений: 8949
  • Код пишу, на досуге на проволоку нажимаю.
Re: Сборка усилителей Mesa Boogie
« Ответ #361 : Июля 11, 2025, 22:41:24 »
Только сперва надо ставить специальную программу

(нажмите чтобы показать/спрятать)

Пасиб, погружусь)

Оффлайн Efisher

  • Новичок
  • *
  • Сообщений: 41
  • GuitarPlayer.Ru fan!
Re: Сборка усилителей Mesa Boogie
« Ответ #362 : Декабря 16, 2025, 14:38:53 »
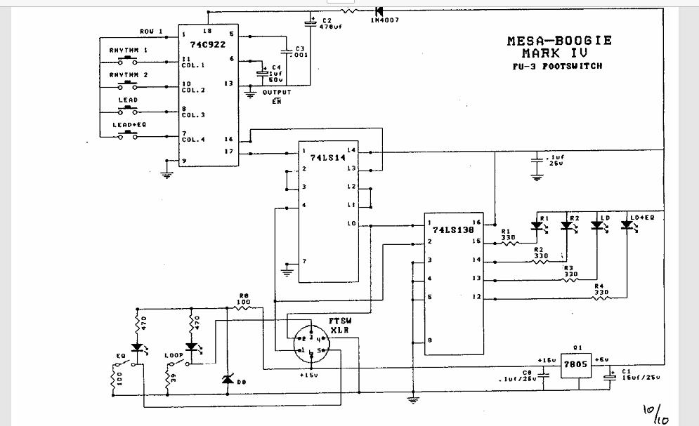
Собрал педаль и она не правильно работает. Но об этом не у кого не написано. Ошибка в самой схеме месы. Странно.

Оффлайн AZG

  • Живу на форуме
  • *******
  • Сообщений: 95636
  • Санкт-Петербург
    • AZG CUSTOM
Re: Сборка усилителей Mesa Boogie
« Ответ #363 : Декабря 16, 2025, 16:08:16 »
Efisher, Какая педаль то? ???

Оффлайн Efisher

  • Новичок
  • *
  • Сообщений: 41
  • GuitarPlayer.Ru fan!
Re: Сборка усилителей Mesa Boogie
« Ответ #364 : Декабря 16, 2025, 19:57:51 »
Вот эта.
2480616-0

Оффлайн AZG

  • Живу на форуме
  • *******
  • Сообщений: 95636
  • Санкт-Петербург
    • AZG CUSTOM
Re: Сборка усилителей Mesa Boogie
« Ответ #365 : Декабря 16, 2025, 20:13:54 »
так то футсвич, а не педалька. И что-же там такого странного?

Оффлайн melon

  • Новичок
  • *
  • Сообщений: 41
  • GuitarPlayer.Ru fan!
Re: Сборка усилителей Mesa Boogie
« Ответ #366 : Декабря 16, 2025, 20:40:15 »
Есть уточненная схема FU-3 (footswitch) и на ней:
10 вывод 74LS14 соединен с 1 выводом 74LS138 и они соединены с 1 выводом FTSW XLR.
4 вывод 74LS14 соединен с 2 выводом 74LS138 и они соединены с 2 выводом FTSW XLR.
При таком включении все работает правильно.

Оффлайн Efisher

  • Новичок
  • *
  • Сообщений: 41
  • GuitarPlayer.Ru fan!
Re: Сборка усилителей Mesa Boogie
« Ответ #367 : Декабря 16, 2025, 21:42:01 »
С 10 на 2 с 4 на 1 вот так правильно но и 1 и2 на разъеме поменять.
« Последнее редактирование: Декабря 16, 2025, 21:46:47 от Efisher »

Оффлайн AZG

  • Живу на форуме
  • *******
  • Сообщений: 95636
  • Санкт-Петербург
    • AZG CUSTOM
Re: Сборка усилителей Mesa Boogie
« Ответ #368 : Декабря 16, 2025, 21:44:05 »
Сомневаюсь, что ФС собирали. Но да, с поправками схема встречалась.

Оффлайн Efisher

  • Новичок
  • *
  • Сообщений: 41
  • GuitarPlayer.Ru fan!
Re: Сборка усилителей Mesa Boogie
« Ответ #369 : Декабря 16, 2025, 21:48:05 »
На фотографиях есть ФС собранные. Без них как играть?

Оффлайн melon

  • Новичок
  • *
  • Сообщений: 41
  • GuitarPlayer.Ru fan!
Re: Сборка усилителей Mesa Boogie
« Ответ #370 : Декабря 16, 2025, 21:50:18 »
ФС с изменениями работает уже 2 года.

Оффлайн Efisher

  • Новичок
  • *
  • Сообщений: 41
  • GuitarPlayer.Ru fan!
Re: Сборка усилителей Mesa Boogie
« Ответ #371 : Декабря 16, 2025, 21:52:07 »
Собираю потихоньку и поблочно проверяю, по мере возможности. Вот наткнулся на не соответствие.

... и добавил:

Сомневаюсь, что ФС собирали. Но да, с поправками схема встречалась.
У меня только оригинальная схема.
« Последнее редактирование: Декабря 16, 2025, 21:55:42 от Efisher »

Оффлайн melon

  • Новичок
  • *
  • Сообщений: 41
  • GuitarPlayer.Ru fan!
Re: Сборка усилителей Mesa Boogie
« Ответ #372 : Декабря 16, 2025, 22:05:47 »
Вот нашел схему. Есть уровни сигналов на разъеме XLR.

Оффлайн AZG

  • Живу на форуме
  • *******
  • Сообщений: 95636
  • Санкт-Петербург
    • AZG CUSTOM
Re: Сборка усилителей Mesa Boogie
« Ответ #373 : Декабря 16, 2025, 22:25:50 »
Efisher, В реалии у меня 4 варианта схем в коллекции. Где-то больше где-то меньше.

Оффлайн Vivaldis

  • Опытный
  • ****
  • Сообщений: 974
  • GuitarPlayer.Ru fan!
Re: Сборка усилителей Mesa Boogie
« Ответ #374 : Декабря 17, 2025, 14:34:28 »
В посте 283 в корпусе стоит вентилятор. Можно по подробней про систему охлаждения. Какой вентилятор. Напряжение на нем. Куда дует вниз или вверх. Дыра в корпусе внизу закрыта чем то.