лет 15 назад я пробовал что-то собирать на этой лампе = как итог, оно микрофонило жутко
хотя довольно сносный чистый звук довало
как будто проще купить 6н2п за 200 рублей и на ней собрать фендер-стайл пред 
Есть под разбор радиола рекорд 314, как раз и с 6н2п и 6п14п, но это будет следующее, что буду пробовать собрать. Не хочу первым усилителем делать что-то высоковольтажное. Да и динамик нужен нормальный под него.
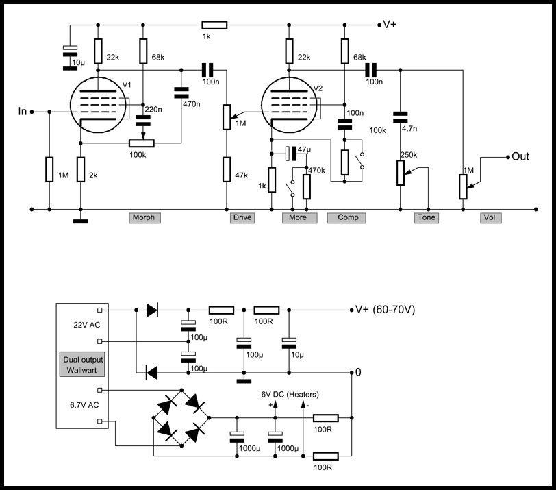
А тут у меня есть китайский кит с 6ж1п(именно они), трансформатор 12в 1а, готовый оконечник на TPA3116D2, импульсный блок питания 24в 2а с LS фильтром.
Есть схема питания для преампа, от того же кита:

Нужна только схема самого преампа(пусть и не проверенная) или походу придёться химичить и ко всему идти опытным путём, пробами и ошибками

P.S. на ютубе есть чел, который собирал такие простые гибридники в банках от печенья,на этих китайских китах и оконечника типа TDA2030(50). Но к сожалению он удалил все видео с канала, хотя выкладывал он их пару месяцев назад.
