Вся предистория моего повествования уже освещалась на форуме.
Для интересующихся ссылки:
http://guitarplayer.ru/index.php?topic=103698.msg1882845#msg1882845http://guitarplayer.ru/index.php?topic=116343.msg2129341#msg2129341.
Теперь по существу вопроса.
Когда агрегат собирался в первый раз, все вышло в виде прробного макета.
Кроме того, когда были выложены семплы, был добавлен еще один мод, для приборки песочка на хайгейне.
Потом был долгий период, когда ни на что совсем не было времени. Работа, мать ее за ногу.
С месяц назад, появилось определенное свободное время, да и доча благополучно отбыла к бабушке на каникулы.
Вот с этого момента, и появился определенный зуд в конечностях. Основная идея заключалась в приведении потрохов к более менее приличному виду.
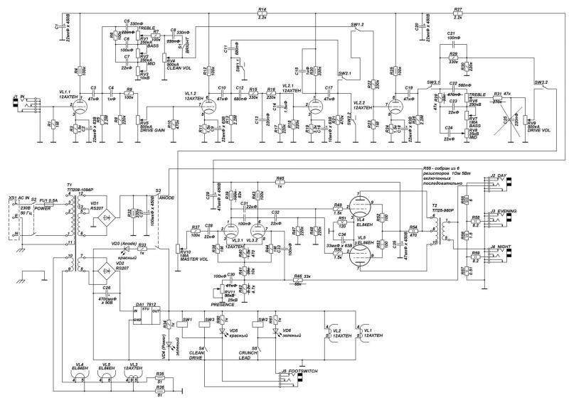
Для начала была в очередной раз изменена схема, был устранен резистор в цепи сетки первого триода, а также почиканы 100омные сопротивления в цепи 12В постоянного тока (при постоянном накале они особого смысла не имеют), минус от 12В был включен на землю.
Таким образом была получена новая версия схемы.

Дальше встал вопрос о реализации монтажа, в силу того, что аппарат хайгейновый, да еще и трехканальный, был выбран печатный монтаж.
Отсутствие лазерника, хлорного железа (по этому вопросу ой как не хотелось ехать в магазин) и паталогическое неумение рисовать (если лаком дорожки то) вызывали вполне понятные вопросы о технологии изготовления плат.
Вопросы были решены просто, что русский мужик не сможет сделать при помощи молотка и дрели, он запросто сможет реализовать ножом для бумаги и энным количеством сменных лезвий к нему. Итак ненужная фольга была безжалостно срезана с текстолита макетным ножичком.
Образчики технологии, совместно с инструментом,
Плата преампа

и мощника (немного недорезанная ышшо).

Далее, в сборе плата мощника (интегрированного с высоковольтным БП), преампа и плата коммутации.

Далее, разводим по шассю накал, и индикацию сети и стэндбая, для чего мв шасси монтируем плату БП на 12 В.

Собираем платы аттенюатора и тонстэков, кранч-лидовый тонстэк совмещенный с мастером и презенсом.

И собираем все в подвале шасси.

Вот так вот, за 17 лет радиолюбительства, так и не научился красиво разводить провода, не было опыта серийного производства..
Включаем, и АЙ-ЯЙ-ЯЙ! Во что превратились R27 и R45.

Как же ж можно было не заметить каплю припоя в ненужном месте, не спешите так, mon cher ami. Хорошо, что силовик сгореть не успел.
Находим замену, меняем, устраняем источник коротыша, привинчиваем платы на стойки, вставляем лампы.
Унд их арбайтэн механизмен.
Скажу сразу, особого улучшения звука не добился, все как звучало, так и звучит. Но зато выглядит то солиднее.