Автор Тема: Слабый хайгейн на Ерасов Гаврош10  (Прочитано 5757 раз)

0 Пользователей и 1 Гость просматривают эту тему.

Оффлайн MichailSarichev Автор темы

  • Частый посетитель
  • **
  • Сообщений: 150
  • GuitarPlayer.Ru fan!
Слабый хайгейн на Ерасов Гаврош10
« : Января 16, 2025, 18:06:50 »
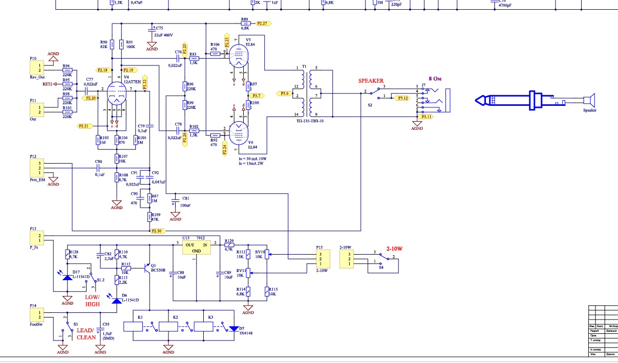
Здравствуйте друзья. Возникла проблема. На хайгейне усилка Ерасов Гаврош 10 пропали низы, звук  плоский и практически как кранч. Кранч же стал почти как клин. В чем может быть проблема и что можно отремонтировать самому? Лампы стоят все новые. Проблема именно в предусилителе. Так как с внешними педалями хайгейна звук нормальный. Так же в наушниках хайгейн такой же, как и в кабинете. Схему на всякий случай прикрепляю.
Заранее благодарю.

Оффлайн Alex_SG

  • Живу на форуме
  • *******
  • Сообщений: 7526
  • хейтер и пессимист :crazy:
Re: Слабый хайгейн на Ерасов Гаврош10
« Ответ #1 : Января 16, 2025, 18:16:12 »
Схема в человеческом формате. А то полуразмытые картинки смотреть не инересно.

... и добавил:

Берём мультиметр и проверяем ррежим лампы V2 по постоянке. Ну естественно при полной уверенности в том, что она исправна.
« Последнее редактирование: Января 16, 2025, 18:18:22 от Alex_SG »

Оффлайн Geezer

  • Живу на форуме
  • *******
  • Сообщений: 12789
  • Atypique
Re: Слабый хайгейн на Ерасов Гаврош10
« Ответ #2 : Января 16, 2025, 20:29:20 »
Цитировать
пропали низы, звук  плоский и практически как кранч. Кранч же стал почти как клин

Надо проверить электролиты С71, С72, С70, С67 - вероятно, внутренний обрыв или высохли и ёмкость их катастрофически упала.
Если прибора их померить нет, тогда купить конденсаторы новые, заведомо годные, и приконтачивать их параллельно сомнительным и слушать результат.
Приконтачивать их удобно и безопасно, укусив их пластмассовой прищепкой :)

Оффлайн AZG

  • Живу на форуме
  • *******
  • Сообщений: 95557
  • Санкт-Петербург
    • AZG CUSTOM
Re: Слабый хайгейн на Ерасов Гаврош10
« Ответ #3 : Января 16, 2025, 21:35:04 »
Не так давно аппарат полностью был проверен. Все там ОК. Порекомендую для начала поработать с разъемами на платах. Подглючивают из-за нюансов сборки.

Оффлайн MichailSarichev Автор темы

  • Частый посетитель
  • **
  • Сообщений: 150
  • GuitarPlayer.Ru fan!
Re: Слабый хайгейн на Ерасов Гаврош10
« Ответ #4 : Января 17, 2025, 03:22:07 »
Не так давно аппарат полностью был проверен. Все там ОК. Порекомендую для начала поработать с разъемами на платах. Подглючивают из-за нюансов сборки.
Ну если это такой у него нормальный перегруз, то даже не знаю... А с разъемами что нужно? Подпаять их?

Оффлайн AZG

  • Живу на форуме
  • *******
  • Сообщений: 95557
  • Санкт-Петербург
    • AZG CUSTOM
Re: Слабый хайгейн на Ерасов Гаврош10
« Ответ #5 : Января 17, 2025, 08:30:16 »
Ну если это такой у него нормальный перегруз, то даже не знаю... А с разъемами что нужно? Подпаять их?

Примера же нет как он сейчас звучит. Судить можно только по реальной работе.

А разъемы - проверить чтобы везде был контакт. Ерасовцы их паяют и иногда припой затекает не туда куда надо.

Оффлайн Geezer

  • Живу на форуме
  • *******
  • Сообщений: 12789
  • Atypique
Re: Слабый хайгейн на Ерасов Гаврош10
« Ответ #6 : Января 17, 2025, 10:54:50 »
Чтобы устранить самопроизвольное расконтачивание разъёмов, надо их разсоединить, капнуть в них спирта и несколько раз энергично соединить опять - это освежит сопрягаемые поверхности контактов.
Напряжение на схему можно подавать только после полного испарения спирта.
« Последнее редактирование: Января 17, 2025, 19:42:38 от Geezer »

Оффлайн Alex_SG

  • Живу на форуме
  • *******
  • Сообщений: 7526
  • хейтер и пессимист :crazy:
Re: Слабый хайгейн на Ерасов Гаврош10
« Ответ #7 : Января 17, 2025, 12:18:29 »
 :pozor: :pozor: :pozor:

Оффлайн Алексей Ф

  • Эксперт
  • *****
  • Сообщений: 2261
  • GuitarPlayer.Ru fan!
Re: Слабый хайгейн на Ерасов Гаврош10
« Ответ #8 : Января 18, 2025, 11:38:35 »
 :D Полный контакт!

Оффлайн MichailSarichev Автор темы

  • Частый посетитель
  • **
  • Сообщений: 150
  • GuitarPlayer.Ru fan!
Re: Слабый хайгейн на Ерасов Гаврош10
« Ответ #9 : Января 18, 2025, 11:47:49 »
Опять ручка громкости хайгейна шуршит и издает треск.
Если крутить выше половины, то может пойти сильный писк(не знаю, как он называется, самовозбуждение? ).
Потенциометр громкости мы меняли, значит в где-то дальше неисправность. Еще нет в схеме конденсатора с92 (может так и должно быть). Тут я совсем не спец, что делать дальше. На выходных постараюсь заменить все электролиты. Короче методом тыка. Может реле сдохли?
Азнаур Апаратович, к вам вопрос  снизу потенциометра громкости у клина припаян маленький желтый кондер.
Он там прямо необходим?

Оффлайн AZG

  • Живу на форуме
  • *******
  • Сообщений: 95557
  • Санкт-Петербург
    • AZG CUSTOM
Re: Слабый хайгейн на Ерасов Гаврош10
« Ответ #10 : Января 18, 2025, 12:24:56 »
MichailSarichev, Это Брайт клина. Без него будет более округло-мутный звук. Это часть переделки. В максимальном варианте есть тумблер на этот Брайт.

Повторюсь про коммутацию. И шуршания - тоже частично признак таких проблем. Ну и надо параллельно проверять хотя бы анодные напряжения по цепям питания. Это уже многое скажет. А так, не помешает проверить все режимы каскадов и что там на сетках ламп.

Оффлайн MichailSarichev Автор темы

  • Частый посетитель
  • **
  • Сообщений: 150
  • GuitarPlayer.Ru fan!
Re: Слабый хайгейн на Ерасов Гаврош10
« Ответ #11 : Января 18, 2025, 17:30:55 »
MichailSarichev, Это Брайт клина. Без него будет более округло-мутный звук. Это часть переделки. В максимальном варианте есть тумблер на этот Брайт.

Повторюсь про коммутацию. И шуршания - тоже частично признак таких проблем. Ну и надо параллельно проверять хотя бы анодные напряжения по цепям питания. Это уже многое скажет. А так, не помешает проверить все режимы каскадов и что там на сетках ламп.
Хорошо, анодные напряжения проверю. Спросил про конденсатор потому, что поменял местами потенциометры громкости с клина на хайгейн. Пришлось временно убрать этот конденсатор. На клине потенциометр громкости работает нормально. На хайгейне же вообще сейчас непонятно что. Ручка громкости издает сильные щелчки, при увеличении громкости часто появляется сильный визг.
 На сетках ламп проверять тоже напряжение на соответствие номинальному?
Почему такое нехорошее и сильное шуршание на громкости хайгейна? В схеме после потенциометра стоит реле К3, может в нем дело?

Оффлайн AZG

  • Живу на форуме
  • *******
  • Сообщений: 95557
  • Санкт-Петербург
    • AZG CUSTOM
Re: Слабый хайгейн на Ерасов Гаврош10
« Ответ #12 : Января 18, 2025, 17:34:03 »
Реле тут ни при чем. Это прост переключатель. А причем может быть любой разделительный конденсатор до этой громкости, в том числе и с темроблоке. На потенциометре находится постоянное напряжение от этого он и шуршит.

Пот новый, зачем надо было его опять трогать и менять? Цель этого действа? Если проблема повторилась, то пот ни при чем. Это же очевидно.

Оффлайн MichailSarichev Автор темы

  • Частый посетитель
  • **
  • Сообщений: 150
  • GuitarPlayer.Ru fan!
Re: Слабый хайгейн на Ерасов Гаврош10
« Ответ #13 : Января 18, 2025, 19:49:51 »
Реле тут ни при чем. Это прост переключатель. А причем может быть любой разделительный конденсатор до этой громкости, в том числе и с темроблоке. На потенциометре находится постоянное напряжение от этого он и шуршит.

Пот новый, зачем надо было его опять трогать и менять? Цель этого действа? Если проблема повторилась, то пот ни при чем. Это же очевидно.
Ну хоть и новый, но на каждую старуху бывает порнуха. А какие именно конденсаторы вы бы поменяли?

Оффлайн AZG

  • Живу на форуме
  • *******
  • Сообщений: 95557
  • Санкт-Петербург
    • AZG CUSTOM
Re: Слабый хайгейн на Ерасов Гаврош10
« Ответ #14 : Января 18, 2025, 19:55:00 »
Ну хоть и новый, но на каждую старуху бывает порнуха. А какие именно конденсаторы вы бы поменяли?

Надо измерениями смотреть где идет постоянка. И уже от этого решать кто и почему виноват. В Темброблоке три конденсатора и плюс еще один после реле. Какой из них имеет утечку - определить реально. Все три тембра на максимум и измерять напряжение на их выводах. Громкость на середину и тоже обмерить выводы при включенном перегрузе. На каком больше всего и покажет какой из конденсаторов протекает.