Автор Тема: Сломался Boss  (Прочитано 2047 раз)

0 Пользователей и 1 Гость просматривают эту тему.

Оффлайн kain613 Автор темы

  • Эксперт
  • *****
  • Сообщений: 2204
  • Аццкая человекотыква!!!
Сломался Boss
« : Июня 18, 2009, 14:58:13 »
Вышел из строя перегруз Boss HM-3. Предпосылок к этому не было никаких, разве что почтенный возраст (педаль 2001 года выпуска). Симтомы - жуткое пердение на низах и изменение окраски перегруза не в лучшую сторону. Семпл записал в линию напрямую для наглядности. Ссылка на ютуб Boss Hyper Metal HM-3 Demo
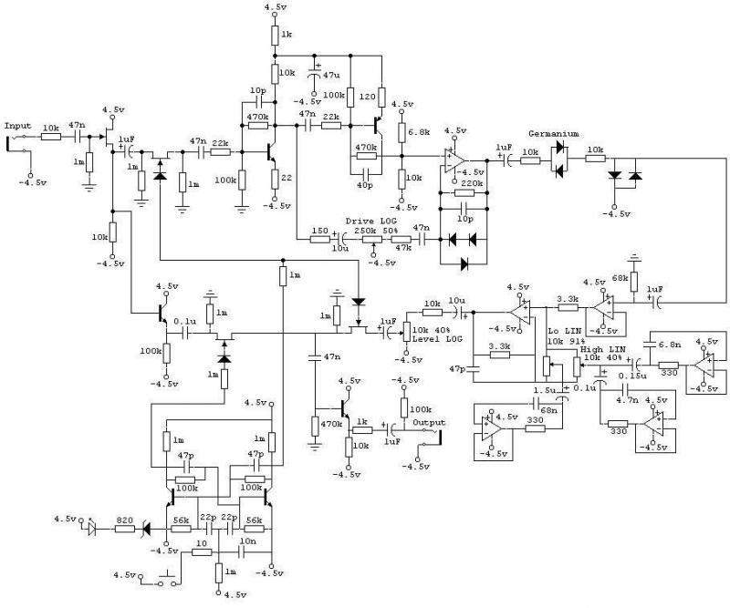
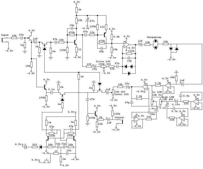
Принципиальную схему прикладываю. Доктора электронных дел помогите советом, возможно ли её починить и есть ли целесообразность ремонта (при стоимости педали 1,5 тыр)

... и добавил:

В семпле все ручки на 12 часов, гейн на 3 часа.

Оффлайн Lekxs

  • Опытный
  • ****
  • Сообщений: 918
  • увлекаюсь гитарой,.. даже иногда играю
Re: Сломался Boss
« Ответ #1 : Июня 18, 2009, 15:27:54 »
Как вариант - за 8 лет села батарейка  ;)

Оффлайн kain613 Автор темы

  • Эксперт
  • *****
  • Сообщений: 2204
  • Аццкая человекотыква!!!
Re: Сломался Boss
« Ответ #2 : Июня 18, 2009, 15:30:31 »
Lekxs, Как вариант у меня ни разу от батарейки не питалась, только от стабилизированного боссовского БП ;)

Оффлайн NektoS

  • Эксперт
  • *****
  • Сообщений: 1619
Re: Сломался Boss
« Ответ #3 : Июня 18, 2009, 16:16:32 »
Так надо было не демо выкладывать, а звучание "больного". Может быть что угодно: дохлый электролит, плохой контакт, съехала искусственная средняя точка.

Оффлайн AZG

  • Живу на форуме
  • *******
  • Сообщений: 95563
  • Санкт-Петербург
    • AZG CUSTOM
Re: Сломался Boss
« Ответ #4 : Июня 18, 2009, 16:37:07 »
Чинить. раритет с ужасным звуком.

Оффлайн kain613 Автор темы

  • Эксперт
  • *****
  • Сообщений: 2204
  • Аццкая человекотыква!!!
Re: Сломался Boss
« Ответ #5 : Июня 18, 2009, 17:12:34 »
NektoS, семпл прикреплён к первому посту.
AZG, По примеру с ютуба вполне неплох, не хуже метлзоны=)

Оффлайн Lekxs

  • Опытный
  • ****
  • Сообщений: 918
  • увлекаюсь гитарой,.. даже иногда играю
Re: Сломался Boss
« Ответ #6 : Июня 18, 2009, 17:19:44 »
Возможна похерилась пайка, либо неисправны регуляторы, надо смотреть...
Починить возможно, насчёт целесообразности - думай сам :)
Если что, готов купить этот "раритет с ужасным звуком", пиши в личку.

Оффлайн NektoS

  • Эксперт
  • *****
  • Сообщений: 1619
Re: Сломался Boss
« Ответ #7 : Июня 18, 2009, 17:23:38 »
Чинить. раритет с ужасным звуком.
Таки да :)Но слегка модернизировать можно.

Трудно сразу сказать, что там случилось. Для начала попробовать послушать через другой аппарат, проверить цепи питания. А лучше всего - генератор, осциллограф и пройтись по всему тракту.
« Последнее редактирование: Июня 18, 2009, 17:25:18 от NektoS »

Оффлайн kain613 Автор темы

  • Эксперт
  • *****
  • Сообщений: 2204
  • Аццкая человекотыква!!!
Re: Сломался Boss
« Ответ #8 : Июня 18, 2009, 17:25:51 »
NektoS, Слушалось через 3 аппарата. Со своей ламмерской точки зрения могу предположить, что вышел из строя фильтр вч, только не знаю где именно.
Lekxs, задорого его не продашь, а задёшево и самому сгодится ;D

Оффлайн Lekxs

  • Опытный
  • ****
  • Сообщений: 918
  • увлекаюсь гитарой,.. даже иногда играю
Re: Сломался Boss
« Ответ #9 : Июня 18, 2009, 17:33:44 »
Ну так оно и слышно, что вч нет. Смотри поты (high в частности), возможно ушатались со временем, ну и пайку в целом.

Оффлайн kain613 Автор темы

  • Эксперт
  • *****
  • Сообщений: 2204
  • Аццкая человекотыква!!!
Re: Сломался Boss
« Ответ #10 : Июня 18, 2009, 17:34:43 »
Lekxs, сомневаюсь, поты крутятся нормально, никаких посторонних привуков.

Оффлайн Evgen404

  • Новичок
  • *
  • Сообщений: 10
Re: Сломался Boss
« Ответ #11 : Июня 18, 2009, 17:46:54 »
Вопрос не совсем в тему, но про HM-3. Какие моды можно сделать и целесообразен-ли на ней труъ байпас?

Оффлайн Lekxs

  • Опытный
  • ****
  • Сообщений: 918
  • увлекаюсь гитарой,.. даже иногда играю
Re: Сломался Boss
« Ответ #12 : Июня 18, 2009, 17:51:25 »
Evgen404, моды зависят от вкусовых предпочтений, от того, что ты хочешь в результате услышать.
По поводу байпаса - тру необязателен (у холодного байпаса свои минусы, у горячего - свои), а вот избавиться от полевых ключей крайне желательно :)

... и добавил:

Lekxs, сомневаюсь, поты крутятся нормально, никаких посторонних привуков.
А ты не сомневайся, бери и проверяй весь тракт прохождения сигнала покаскадно.
Призвуков может и нет, но ты писал про "окрас" (сэмпл малоинформативен, кстати), регулировки все адекватные?
« Последнее редактирование: Июня 18, 2009, 17:54:17 от Lekxs »

Оффлайн kain613 Автор темы

  • Эксперт
  • *****
  • Сообщений: 2204
  • Аццкая человекотыква!!!
Re: Сломался Boss
« Ответ #13 : Июня 18, 2009, 17:59:43 »
Lekxs, да, регулировки все исполняют свои функции. Про окрас - эффект как-будто фуззит. По поводу проверять - это не ко мне, значит пущай пока поваляется, деньги появятся - отвезу к мастеру.

Оффлайн Evgen404

  • Новичок
  • *
  • Сообщений: 10
Re: Сломался Boss
« Ответ #14 : Июня 18, 2009, 18:01:28 »
Lekxs Ну вот допустим засенить диоды на led-диоды(зуда меньше стать должно) или я не прав?
и как избавится от полевых ключей кроме как тру байпасом?  
Автору мои извенения за влезание в тему, но думаю что моды автору тоже интересны.
« Последнее редактирование: Июня 18, 2009, 18:03:23 от Evgen404 »