Автор Тема: Слушается дело о Peavey Valveking 112  (Прочитано 2797 раз)

0 Пользователей и 1 Гость просматривают эту тему.

Оффлайн anton_fazer Автор темы

  • Завсегдатай
  • ***
  • Сообщений: 474
  • CBR1100XX
Слушается дело о Peavey Valveking 112
« : Января 16, 2015, 18:16:52 »
Приветствую!

Так уж сложилось что пришлось покинуть родину, перебрался в Швецию на учебу, страну Роксет, АББЫ и Ингви. Пришла темная скучная скандинавская зима и очень сильно захотелось поиграть на гитарке в усилитель, который остался в родном краю. Начал смотреть на доступные ламповые комбики тут по месту, следовательно все то что боль-мень нормально звучит тут стоит очень дорого, но можно купить Peavey Valveking 112, или еще что того же класса за очень разумную и самое главное доступную для меня сейчас сумму. Послушав демки усилителя понял что это далеко не то что я хочу услышать от гитарного усилителя.

Пришла изобредея, почему бы не пересобрать данный сабж в что то путнее. Время по вечерам есть, доступ в лабораторию со всем необходимым есть и желание то же есть. Покрутив схемку вэлвкинга понял что в нем есть потенциал для переделок. Есть неплохой кабинет, шасси и трансы, блок питания с анодкой под 500В и плата выходника которую планируется оставить с незначительными переделками: добавить дроссель, возможно уменьшить емкость конденсаторов в питании, переделать в параллельный ф.и. Еще хотелось бы регулятор мастер поставить после фазоинвертора, знаю были удачные эксперименты.

А вот пред планируется полностью пересобрать. Так как в преде всего две лампы т.е. четыре каскада, полноценный двухканальный преамп вряд ли получится внедрить (а еще одну лампу сомневаюсь что транс вытянет), но альтернативы рассматриваются. Пока еще размышляю на какой схеме остановится. Модерновый перегруз не интересует. Хочется чего то теплого, читаемого артикулятивного и интересного, может даже рокабильного. До боли понравился перегруз на Маршалл Сильвер Джубили, но чистый не очень. Фендеры нравятся, но на перегрузе начинают "подфуживать". Свой шарм в этом есть конечно, но не мое. Машаловские усилители хорошо звучат, но не хватает в них "воздушности" тем более для открытых кабинетов. Более того, в пивике оконечник на 6Л6 что может не увязаться с маршаловским звуком. Был безумно впечатлен звуком усилителей Park, предшественников Маршала, вот прямо в точку. Но схем на них я не нашел, и не знаю на каких комплектующих были собраны эти аппараты.

Динамик то же будет заменен. Очень понравился по звуку на демках Jensen Tornado с неодимовым магнитом, универсальный теплый и главное легкий динамик с характерным "толчком". 

Хотелось бы узнать что общественность думает по поводу идеи, может кто сталкивался с вэлвкингом. Может чего посоветуете из интересных схем и решений. В общем, комментарии и доброжелательные посты очень приветствуются. Спасибо.

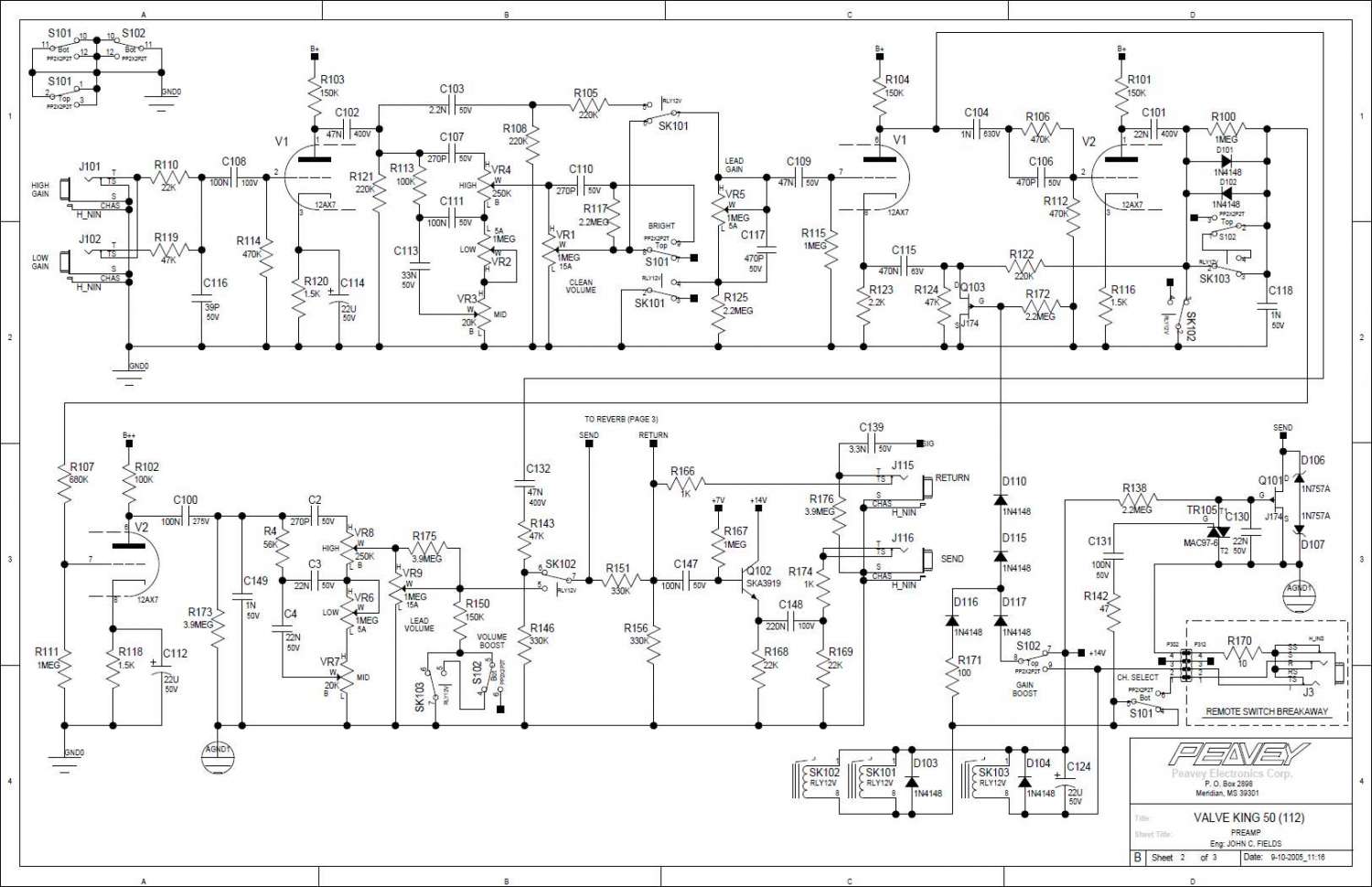
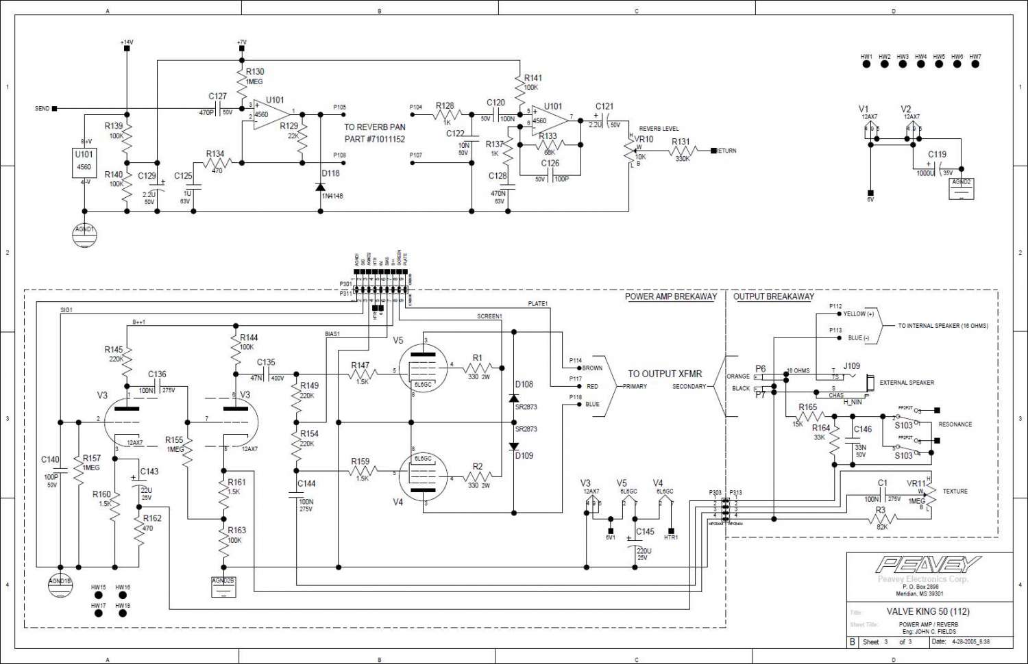
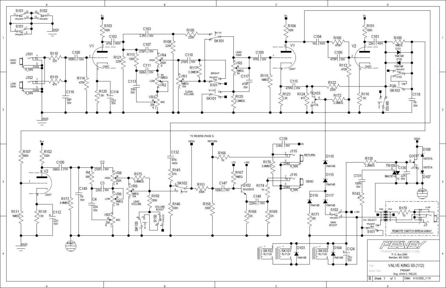
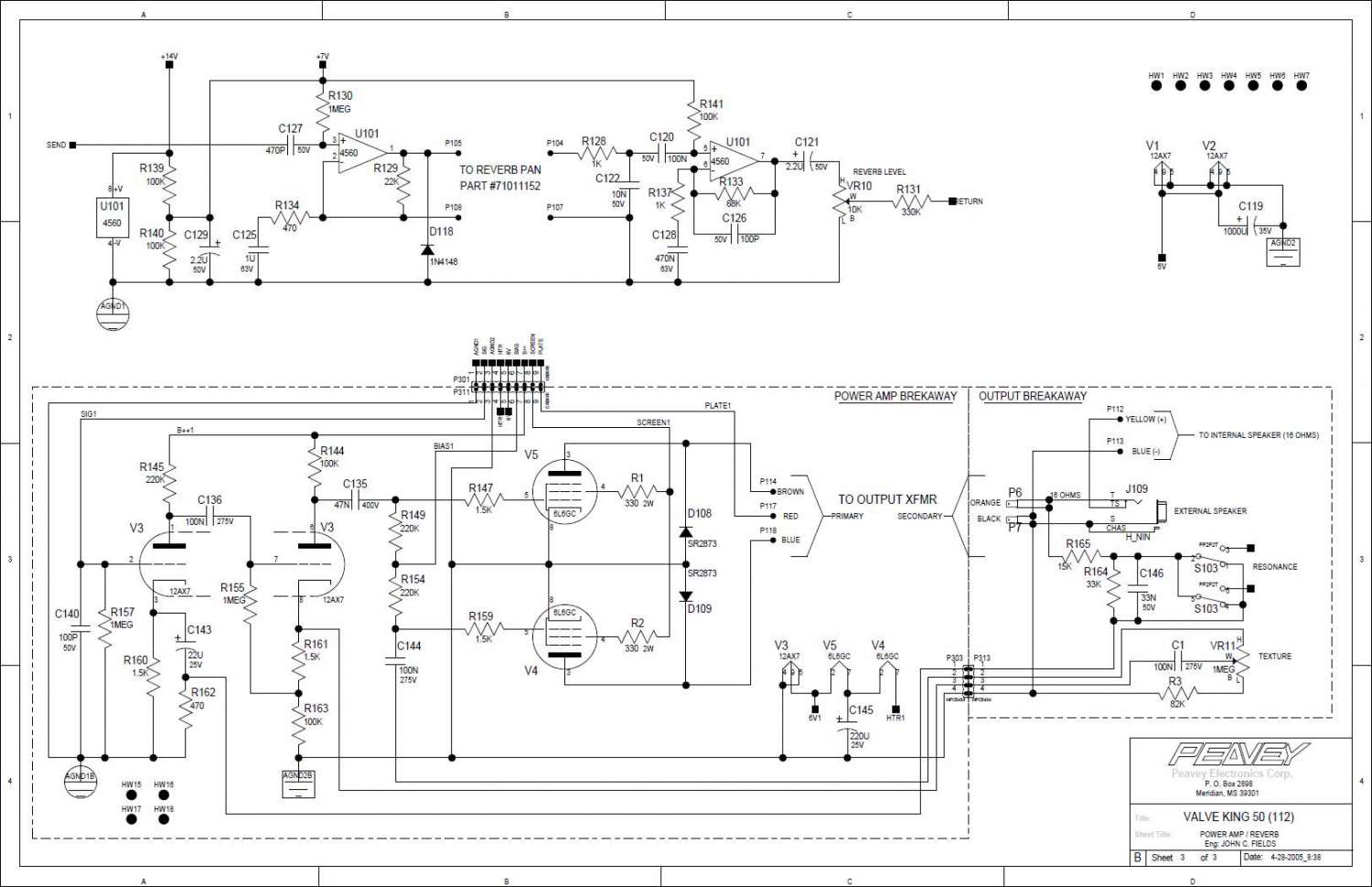
В приложении схема, и фото внутрянки пивика.

Оффлайн AZG

  • Живу на форуме
  • *******
  • Сообщений: 95615
  • Санкт-Петербург
    • AZG CUSTOM
Re: Слушается дело о Peavey Valveking 112
« Ответ #1 : Января 16, 2015, 20:31:44 »
Двухканальность можно использовать и родную. На счет куда крутить схему - можно сделать классическую трехкаскадку в стиле Плекси, раз понравились что-то от Парк (которые от Маршаллов ничем не отличались, просто параллельная ветка для обхода контрактных условий).

Оффлайн Chichipok

  • Завсегдатай
  • ***
  • Сообщений: 297
Re: Слушается дело о Peavey Valveking 112
« Ответ #2 : Января 17, 2015, 01:05:33 »
Я бы накал в нем тоже переделал .