Автор Тема: Собираем буфер из Klon Centaur (Klon Centaur Buffer) + схемы для самых зеленых  (Прочитано 16498 раз)

0 Пользователей и 1 Гость просматривают эту тему.

Оффлайн Asker Автор темы

  • Частый посетитель
  • **
  • Сообщений: 101
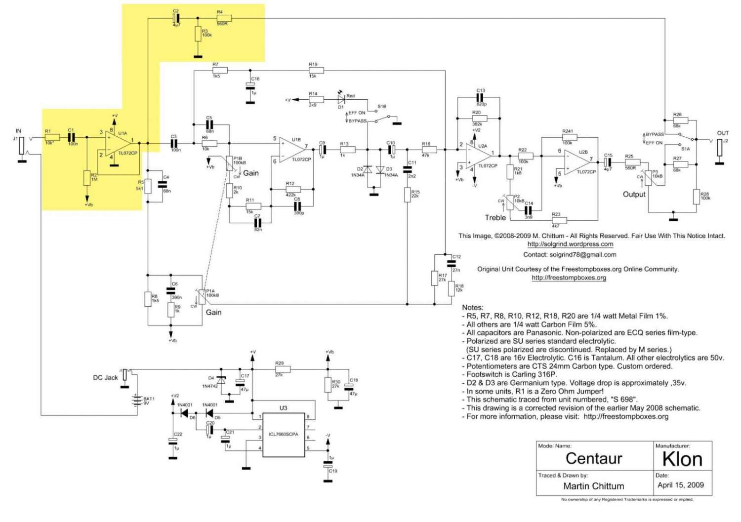
Теряются высокие частоты ? Используете длинные кабели ? Сигнал в высоком диапазоне становится мутным и вялым ? Нет яркости в звуке ? Тогда можете продолжить читать ... Если интересно! К сожалению готовой темы по сборке буфера я не смог найти, спасибо парням которые отвечали на мои вопросы какой буфер выбрать, мне посоветовали буфер из "мега крутой" примочки "Klon Centaur" которая стоит 2000$ по разным оценкам, самому лично звук данной педали мне не подходит и вряд ли я бы ее купил будь даже миллионером, но в практически все "бутиковые" гитарные примочки ставят буферы из данной педали, хотя схематически как я понял, ничего выдающегося нет, но приписываются "мифические улучшения в звуке" ... Собрав окончательно вчера свой буфер могу сказать одно, охренительно!!! Имея очень качественные провода, имея 6 педалей с буфером, поставив его первым, вернулись высокие частоты, сигнал стал продуваться гораздо более уверенно, появилось ощущение компрессора, но на тон гитары буфер вообще не влияет, разве, что увеличивает ясность в звуке, особенно на высокочастотном диапазоне, что и требуется от него. Изучая вопрос, я выяснил, что большинство профи гитаристов, коммутируют свое железо через буферы, хотя есть мнение о тру байпассе как о самом лучшем и не вносящим в звук никаких посторонних искажений и ухудшений... Отчасти я согласен, но используя тру байпас появляется такое понятие как Ёмкость, также длинные провода вносят значительный вклад в это понятие - ЁМКОСТЬ .... Преодолев 5 метров кабеля, сигнал в верхнем диапазоне теряет высокие частоты, преодолев гору или даже несколько всеми любимыми тру байпасс педалей высокие частоты также теряются, причем чем хуже кабель ( в плане высокой емкости) тем больше теряется! Но ситуацию можно выпрямить поставив первым в цепи буфер, который согласовывает входное и выходное сопротивление гитары, усиливает не меняя тон сигнал и высокие остаются на месте... Можно использовать просто стандартные педали с буфером, (boss и тд) но есть поверие в котором я вчера убедился сам лично, что поставив качественный буфер вначале цепи, мы значительно повышаем качество сигнала, и остальные буферы уже вносят менее значимый вклад в звук!
Бутиковые конторы например Vertex ставят малюханькую схему в педаль громкости и продают их по 500$ есть куча фирм которые делают буферы JHS, Suhr, Cornish, Empress, Keeley и прочие ребятишки, которые за свои устройства хотят дохрена денег! Учитывая, что большая часть оплачивается за бренд, решил послать их к черту и самому собрать такое простое устройство... Был изучен вопрос, как вообще строятся подобные устройства: 1. На полевых транзисторах, 2. На операционных усилителях ... Предпочтение отдалось второму варианту ... И парень с данного форума подсказал, что раньше собирал подобную схему на макетной плате, и работал он просто отлично, поверив ему, но почитав зарубежные форумы, решил остановиться на Клоне, так как 99% людей сталкивающихся с буфером из этой педали были довольны результатом. В схеме нет ничего особенного, многие профессионалы могут обсмеять данную тему, но нигде не было четкого руководства о сборке, а так как я понятия не имел как его сделать, то и решил сделать очень подробную инструкцию для любого человека, который захочет собрать себе данное устройство не имея никакого опыта вообще! Для этого я попросил одного человека нарисовать схему для печатной платы в программе, так как собирать на макетной плате я не умею, просить не хотел никого, решил используя хорошую поговорку "нормально делай - нормально будет" сделать по совести )) В общем тот кто не знает, можете посмотреть на YouTube что такое буфер и что он делает с сигналом, а мы начнем...
И так, на рынке буферы стоят достаточно дорого, не оправданно дорого, мы сделаем аналогичное устройство используя точную схему Klon Centaur (буфер) и потратим на все детали, копус, краску чуть больше 500 рублей, и создадим качественное устройство которое будет радовать вас думаю долгие годы, так как вряд ли вы его не будете использовать, после того, когда услышите то, что он делает со звуком... Если конечно вы специально не хотите "пригасить" высокие частоты своей гитары! Предисловие получилось длинным, но так надо.
Что нам понадобится:
1. Резисторы - 100 кОм - 3шт.
2. Резистор - 560 Ом - 1 шт.
3. Резистор - 1 МОм - 1 шт.
4. Конденсатор - 47 мкФ - 1шт.
5. Конденсатор - 1 мкФ - 1шт.
6. Конденсатор - 0.1 мкФ - 1 шт.
7. Микросхема TL072CP - 1 шт.
8. Гнездо питания, пластикое - 1шт.
9. Держатель светодиода - 1 шт.
10.Резистор для светодиода - 1 кОм (или если сверхяркий светодиод то до 5 кОм) 1шт.
11.Корпус - 1шт.
12.Разъемы - 2шт.
13.Сверло 0.8 - 1 мм.
14. Кусочек одностороннего текстолита размером 2.5 X 2.5 см.

Собирать устройство мы будем на печатной плате, переводить рисунок дорожек мы будем методом ЛУТ (Лазерно Утюжная Технология) пожалуйста прочтите сами, что это такое и как делается, от себя добавлю пару советов,  фото бумагу используйте глянцевую минимум 120 грамм, когда приложите отрезок бумаги на плату, просто поставьте утюг на секунд 10 не двигая, так тонер прилипнет к меди и дальше можно будет накрыть сверху чистым листом и проглаживать все места, для травления используйте перекись водорода, лимонную кислоту и соль, также пластиковый стаканчик одноразовый.
Провода используйте МГТФ если есть или любые другие желательно медные, тонкие ... В оригинальной схеме все конденсаторы пленочные и электролитические, нам потребуется один пленочный и два электролита, операционный усилитель приобретите с буквами "СP" как в оригинале TL072CP например Texas Instrumets рублей 50 стоит максимум.
После травления аккуратно надо накернить гвоздем или саморезом с тонким кончиком места для пайки ( то есть поставить аккуратные точки, чтобы сверло не съезжало ). Потом сверлом руками прокрутите в этих точках, сделайте маленькие дырочки, так будет сверлить значительно удобней и точнее. Для меня была еще та задача чем сверлить, но все решилось просто, я попросил шуруповерт с зажимом под тонкие сверла и все. На плату при сверлении не давить, держать сверло строго вертикально! Все это делается за 2 часа ( вырезать заготовку, нанести тонер, вытравить, просверлить и аккуратно собрать) я думал, что все гораздо сложнее, главное потратьте больше времени, но сделайте аккуратно! Корпус выбирайте какой есть, или какой захотите, их миллион разных, я взял прямоугольный. Собрать всю схему как мне сказали можно даже на картоне, или на макетке, но это не мой путь ) Когда будете лудить, используйте только канифоль и все, или спиртоканифоль, хорошо смажьте плату или посыпьте канифолью плату, наберите на паяльник чуть олова и быстрыми движениями пройдитесь по плате, если долго задерживаться, есть риск отслоения дорожек! Когда будете собирать, не забудьте все землянные провода спаять в один на входном гнезде !!! и изолировать термоусадкой или чем нибудь еще от корпуса, иначе звука не будет !!!
Вроде все рассказал и показал, надеюсь тема будет полезной хоть для кого то, тем самым буду рад!!! Также если будет нужен оригинал схемы для программы, кто хочет может написать свое имя или имя кота на плате,  ;D  могу скинуть на почту, пишите shortanov@mail.ru 



Также важное замечание по поводу подключения светодиода!
+ от разъёма должен идти непосредственно на плату буфера, а + светодиода должен подключаться к этой шине через резистор 1 кОм.
Если ставить сверхъяркий светодиод (безразлично - прозрачный или матовый), то этот резистор можно увеличить вплоть до 10 кОм.

« Последнее редактирование: Марта 16, 2015, 12:54:11 от Asker »

Онлайн Geezer

  • Живу на форуме
  • *******
  • Сообщений: 12626
  • Atypique
А зачем питание на плату подано через светодиодный резистор 1 кОм? (красная шина на монтажной схеме)
Светодиод, будучи растянутым между массой и шиной питания, сгорит при первом же включении. Схему надо поправить.
« Последнее редактирование: Марта 15, 2015, 18:57:09 от Geezer »

Оффлайн kynep

  • Ветеран форума
  • ******
  • Сообщений: 6822
  • Руби МиТоЛ!!!
Asker, еще больше, жирней шрифт не мог сделать? А то не видно нифига... а лучше КРАСНЫМ выдели, чтоб еще заметней было.  :7: :7: :pozor: :pozor: :pozor: :pozor:

Оффлайн Asker Автор темы

  • Частый посетитель
  • **
  • Сообщений: 101
Главное что все работает ... А так светодиод конечно можно подключить по разному, но если изолировать термоусадкой то будет гуд.
« Последнее редактирование: Марта 15, 2015, 15:34:43 от Asker »

Оффлайн kynep

  • Ветеран форума
  • ******
  • Сообщений: 6822
  • Руби МиТоЛ!!!
Asker, сделай, я же попросил... а то у меня -10 зрение, не вижу ни фига, даже на максимальном масштабе в браузере.  :7:
 :trollface:

Оффлайн Asker Автор темы

  • Частый посетитель
  • **
  • Сообщений: 101
Asker, сделай, я же попросил... а то у меня -10 зрение, не вижу ни фига, даже на максимальном масштабе в браузере.  :7:
 :trollface:
тебе легче подарить устройство такое, чтобы вообще не читал  ;)

Оффлайн Мясников

  • Эксперт
  • *****
  • Сообщений: 1861
  • myasnikov-custom.com
    • https://www.youtube.com/channel/UCHZESeK456yYQQXrzjPVB8g
тл071\72  - это ж мне кажется кабзда звуку не особо меньшая чем кабель длинный, не?)   

Оффлайн Asker Автор темы

  • Частый посетитель
  • **
  • Сообщений: 101
Лично у меня тоже было мнение, что надо поставить какой нибудь современный "крутой" ОУ, но оказалось, что TL072 весьма удачно применяется в гитарной технике и никто не "жужит" по этому поводу... Второй момент мы точно копировали схему из вышеуказанной педали, поэтому вариантов не оставалось )) и третье, смысл записывать сэмплы не вижу так как в инете полно видео записей при использовании буфера насколько улучшается сигнал в высокочастотном диапазоне, построенных даже на полевых транзисторах и т.д. Попробуйте собрать данный буфер и на своем примере убедитесь в том, что "с сигналом теперь все гуд" ... Но повторюсь, не всем нужна яркость, некоторые очень любят слегка мутные верха, но это уже другая история...

... и добавил:

А этот буфер не меняет тон гитары, не бустит сигнал, он лишь согласовывает вход-выход сигнала и продувает высокие частоты нивелируя емкость кабелей и разъемов. Я искренне советую, так как если бы игра не стоила свеч, тему не создавал бы никогда.

... и добавил:

А зачем питание на плату подано через светодиодный резистор 1 кОм? (красная шина на монтажной схеме)
Светодиод, будучи растянутым между массой и шиной питания, сгорит при первом же включении. Схему надо поправить.

Светодиод отдельно надо подключить через резистор отдельным проводом, я правильно понял ? Вы больше в этом понимаете и мне лично помогли в другой теме по поводу предварительной сборки данного устройства )))

... и добавил:

У меня близко ножки светодиода в корпусе и подключены напрямую в гнездо питания, от плюса питания уже идет отдельный провод на плату, вроде работает, но когда лупер собирал, перегорал, как раз как вы говорите, при касании с корпусом, так должно быть ? Вернее не должно ? ))
« Последнее редактирование: Марта 15, 2015, 22:57:54 от Asker »

Онлайн Geezer

  • Живу на форуме
  • *******
  • Сообщений: 12626
  • Atypique
Давайте поправим: + от разъёма должен идти непосредственно на плату буфера, а + светодиода должен подключаться к этой шине через резистор 1 кОм.
Если ставить сверхъяркий светодиод (безразлично - прозрачный или матовый), то этот резистор можно увеличить вплоть до 10 кОм.

Оффлайн Vitallka

  • Эксперт
  • *****
  • Сообщений: 1175
  • Антиум
А этот буфер не меняет тон гитары, не бустит сигнал, он лишь согласовывает вход-выход сигнала и продувает высокие частоты нивелируя емкость кабелей и разъемов. Я искренне советую, так как если бы игра не стоила свеч, тему не создавал бы никогда.
Как бы и любой буфер на полевике или ОУ, включенным в качестве повторителя не должны ничего бустить по определению. Компрессия же в них наступает из-за низкого напряжения питания, поскольку во время атаки амлитуда может доходить до нескольких вольт.

Онлайн Geezer

  • Живу на форуме
  • *******
  • Сообщений: 12626
  • Atypique
Компрессия - это сжатие динамического диапазона без искажения формы сигнала. Здесь же возможно только ограничение по типу rail-to-rail. Но с пассивами это весьма маловероятно...


Оффлайн Asker Автор темы

  • Частый посетитель
  • **
  • Сообщений: 101
Давайте поправим: + от разъёма должен идти непосредственно на плату буфера, а + светодиода должен подключаться к этой шине через резистор 1 кОм.
Если ставить сверхъяркий светодиод (безразлично - прозрачный или матовый), то этот резистор можно увеличить вплоть до 10 кОм.

Спасибо большое ))

Онлайн Geezer

  • Живу на форуме
  • *******
  • Сообщений: 12626
  • Atypique

Оффлайн Лёха2009

  • Эксперт
  • *****
  • Сообщений: 1197
А куда этот буфер ставить лучше в начале цепи или после? Спаял сегодня, микруха mc33178p, tl072 не было. Разница в начале цепи еле заметна при том что поставил после буфера специально хреновый патч кабель который ужасно поганил звук. Последней включать не пробовал пока. Примочек четыре все с тру байпас может поэтому и мало заметно.  Да и провода до и после борда по два метра всего. Ставил так буффер>дист>фленжер>хорус>дилей. Короче думал что на клине звук прочистит немного но видать лучше требл бустер для этого спаять.

Оффлайн Asker Автор темы

  • Частый посетитель
  • **
  • Сообщений: 101
А куда этот буфер ставить лучше в начале цепи или после? Спаял сегодня, микруха mc33178p, tl072 не было. Разница в начале цепи еле заметна при том что поставил после буфера специально хреновый патч кабель который ужасно поганил звук. Последней включать не пробовал пока. Примочек четыре все с тру байпас может поэтому и мало заметно.  Да и провода до и после борда по два метра всего. Ставил так буффер>дист>фленжер>хорус>дилей. Короче думал что на клине звук прочистит немного но видать лучше требл бустер для этого спаять.

Скорее всего не тот ОУ, так как разница очень была бы заметна.