Автор Тема: Собираем гитарный ламповый преамп по мотивам Mesa Rectifier - Видео  (Прочитано 134684 раз)

0 Пользователей и 1 Гость просматривают эту тему.

Оффлайн Charleskaig

  • Новичок
  • *
  • Сообщений: 37
  • GuitarPlayer.Ru fan!
Спасибо. А на звуке не может отразится?

Оффлайн Kulibinbig

  • Эксперт
  • *****
  • Сообщений: 1279
  • Эх, играть бы научиться...
Не может. В идеале конечно, ставить все неполярные кондеры пленочные, полярные - электролиты, или по задумке автора - тантал, но, бывает, что мелкие номиналы не найти. Поэтому и ставят керамику. Есть в Diy Tubes пленка такая, Mica кажется. А вольт в кондерах, главное чтобы не меньше. А там, хоть 10 киловольт ставь.

... и добавил:

И ещё. Коль уж увлекся лампочками, советую в пару к преампу это:  https://guitarplayer.ru/index.php?topic=388953.0
Есть и то и другое. Отлично работают вместе.
« Последнее редактирование: Сентября 24, 2018, 05:46:39 от Kulibinbig »

Оффлайн Charleskaig

  • Новичок
  • *
  • Сообщений: 37
  • GuitarPlayer.Ru fan!
Ох, спасибо большое, я рад что есть люди которые помогут

Оффлайн alkuz

  • Ветеран форума
  • ******
  • Сообщений: 4481
  • Зарегистрированный
    • http://
...Есть в Diy Tubes пленка такая, Mica кажется...
тяжек удел просветителя...  :D

Оффлайн Kulibinbig

  • Эксперт
  • *****
  • Сообщений: 1279
  • Эх, играть бы научиться...
тяжек удел просветителя...  :D
Сам еще недавно такие же вопросы задавал. А кондеры точно называются Silver Mica. Так что, склероз пока только на 50%.

Оффлайн Dying Fetus

  • Moderator
  • *****
  • Сообщений: 10302
  • DIYng Fetus
    • http://cathar.ru
Сам еще недавно такие же вопросы задавал. А кондеры точно называются Silver Mica. Так что, склероз пока только на 50%.
нга чуть больше, т.к. это не плёнка  ;)

Оффлайн Medvedeff8

  • Ветеран форума
  • ******
  • Сообщений: 3023
  • Слабоумие и отвага!
Silver Mica, название говорит само за себя. Материал диэлектрика - миканит, это слюда. Материал обкладок серебро. По сути, аналогичны нашим К31-11

Оффлайн Михаил Ильин

  • Новичок
  • *
  • Сообщений: 19
  • GuitarPlayer.Ru fan!
    • Молния - Heavy Metal из Нижнего Новгорода
Всем привет!

Собрал год назад себе такой преамп. Был доволен очень.

Никто так и не сделал версию с чистым каналом?

Оффлайн AZG

  • Живу на форуме
  • *******
  • Сообщений: 95353
  • Санкт-Петербург
    • AZG CUSTOM
Михаил Ильин, Гугли проекты по SRT - их навалом.

Оффлайн 20BaLeN02

  • Новичок
  • *
  • Сообщений: 10
  • GuitarPlayer.Ru fan!
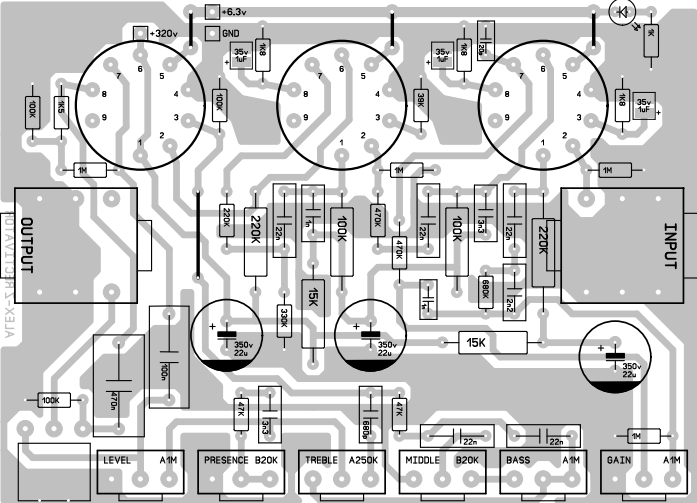
Здравствуйте, хочу собрать схемку. Не подскажите, где можно приобрести подходящий трансформатор, и какие есть аналоги? Какие конденсаторы следует ставить для лучшего звучания? Прочитал, что
В идеале конечно, ставить все неполярные кондеры пленочные, полярные - электролиты, или по задумке автора - тантал, но, бывает, что мелкие номиналы не найти.
А вроде бы в видео говорилось, что некоторые нужны керамические. Под какое напряжение нужны конденсаторы, чтобы они подошли под размеры платы? Где нужны высоковольтные? Автор упомянул про Silver Mica. Есть смысл их ставить?
Пока что выбрал конденсаторы примерно как у автора. На фото список:
(нажмите чтобы показать/спрятать)
Лучше керамические заменить на такие же металлоплёночные? Какие лучше: прямоугольные пластиковые или маленькие, покрытые эпоксидкой? Ещё бывают дисковые, многослойные, запутался. Какие лучше брать?
Резисторы взял всё металлоплёночные 0.25 Вт
Детали искал по схемам ниже, пока что смотрел на Чип и Дип. Некоторые детали, которых нет, искал вводя значения в других единицах, например, вместо 1 мф вбивал 1000 пф
(нажмите чтобы показать/спрятать)

Вот список:
(нажмите чтобы показать/спрятать)

« Последнее редактирование: Декабря 30, 2018, 20:27:06 от 20BaLeN02 »

Оффлайн in_text

  • Новичок
  • *
  • Сообщений: 54
  • GuitarPlayer.Ru fan!
Цитировать
Не подскажите, где можно приобрести подходящий трансформатор, и какие есть аналоги?

Подобный можно заказать у ТрансЛеда, либо тороид с такими же параметрами у Торэла. Но это достаточно дорого. До этого на канале висело видео, где Алексей собирал импульсник для этого преда, но потом он его удалил, название импульсника - Никси (прямо как газоразрядные индикаторы, собственно для них он и создавался), но штука эта капризная очень.

Цитировать
Какие конденсаторы следует ставить для лучшего звучания?
В идеале такие, какие в оригинале, т.е. Orange Drop и Silver Mica, но это, опять же, если есть деньги, а так - Epcos или Wima.

Цитировать
Прочитал, чтоА вроде бы в видео говорилось, что некоторые нужны керамические.

Все пикушные (pF, пикофарады) керамика, желательно высоковольтная от фирмы Murata. Но керамику не особо жалуют в звуковом тракте, опять же, если есть деньги - заказывайте Silver Mica.

Цитировать
Под какое напряжение нужны конденсаторы, чтобы они подошли под размеры платы?
Вся плёнка, кроме 100н (450в), 470н (450в) и 1н (63в, имеется ввиду тот кондёр, который в обвязке Гейна), на 400в, керамика вся высоковольтная

Цитировать
Лучше керамические заменить на такие же металлоплёночные?
Да, соблюдая напряжения.

Цитировать
Какие лучше: прямоугольные пластиковые или маленькие, покрытые эпоксидкой?
Пластиковые

Цитировать
Ещё бывают дисковые, многослойные, запутался. Какие лучше брать?
Керамические высоковольтные.

Цитировать
Резисторы взял всё металлоплёночные 0.25 Вт
Смотрите внимательно на рисунок размещения компонентов. Некоторые резисторы на 1Вт.

Цитировать
Некоторые детали, которых нет, искал вводя значения в других единицах, например, вместо 1 мф вбивал 1000 пф
Не правильно считаете. 1мФ = 1000нФ = 1000000пФ

Цитировать

Вот список:
(нажмите чтобы показать/спрятать)
//Поправил список

Оффлайн sasha_g

  • Новичок
  • *
  • Сообщений: 67
  • Зарегистрированный
большие резисторы там стоят на 2Вт, вот список деталей с ссылками на позиции... Список для основной платы, без БП
« Последнее редактирование: Декабря 30, 2018, 22:14:26 от sasha_g »

Оффлайн 20BaLeN02

  • Новичок
  • *
  • Сообщений: 10
  • GuitarPlayer.Ru fan!
in_text, sasha_g, спасибо, но в ваших списках есть некоторые отличия:
Конденсатор 1 нф в первом списке плёночный, во втором - керамика
2.2 нф и 3.3 нф - на 400 или на 100 В?
100 нф - 450 или 630 В?

Ещё в DIY-TUBES нет потенциометра B20K
Увидел, что вроде бы можно поставить такой трансформатор
Да, соблюдая напряжения.
То есть можно взять плёночный конденсатор на 1 нф? Или некоторые должны быть обязательно керамические? Конденсаторов на 20 и 680 пф плёночных вроде бы там нет.
Конденсаторы 1 мкф можно взять SMD как на видео?
Не правильно считаете. 1мФ = 1000нФ = 1000000пФ
Опечатался, имел ввиду 1 нф=1000 пф
« Последнее редактирование: Декабря 31, 2018, 11:30:58 от 20BaLeN02 »

Оффлайн sasha_g

  • Новичок
  • *
  • Сообщений: 67
  • Зарегистрированный
керамика там стоит только на 20pF и 680pF, остальные все плёнка и три электролита. 2.2 нф и 3.3 нф на 100В, с diy-tubes, которые серые.. 100 нф, на 630В. В моем списке же специально ссылки на каждый номинал есть, переходи по ним и смотри какие надо))
Потенциометр бери на B25K, такой.. http://diy-tubes.ru/index.php?route=product/product&path=25_63&product_id=587
И на танталы у меня тоже есть ссылки в списке, правда они не smd, переделал пятаки на плате и вставил обычные..


Оффлайн in_text

  • Новичок
  • *
  • Сообщений: 54
  • GuitarPlayer.Ru fan!
Цитировать
Конденсатор 1 нф в первом списке плёночный, во втором - керамика
Откройте принципиальную схему. Там один конденсатор в обвязке Гейна, можно брать на 63в и больше. Второй - в цепи анодного резистора, можно брать на 400в и выше, но для печатки Алексей нужно брать керамику, т.к. 1нФ на 400в туда просто не влезет.

Цитировать
2.2 нф и 3.3 нф - на 400 или на 100 В?
2н2 можно брать от 63в, 3н3 от 400в и выше т.к. конденсатор находится в высоковольтной цепи анодного резистора.

Цитировать
100 нф - 450 или 630 В?
Смотрите в спецификации конденсаторов на сайте ЧиД чтобы расстояние между выводами было 15мм (справедливо для кондёров на 100н и 470н

Цитировать
Ещё в DIY-TUBES нет потенциометра B20K
Можно взять несколько больший номинал, на 25к, но на крайняк можно и 50к, хотя и не рекомендуется.

Цитировать
Увидел, что вроде бы можно поставить такой трансформатор
Нет, для 6Н2П 12в это очень много, либо менять лампы на 12АХ7.

Цитировать
То есть можно взять плёночный конденсатор на 1 нф?
На 400в можно и плёнку, а так остаётся только вариант с керамикой.

Цитировать
Или некоторые должны быть обязательно керамические?
Пикофарады номиналы в оригинале - слюда Silver Mica, но если на неё денег нет - берите керамику, просто её не любят в звуковых трактах.

Цитировать
Конденсаторов на 20 и 680 пф плёночных вроде бы там нет.
Такие номиналы бывают только у керамики и слюды.

Цитировать
Конденсаторы 1 мкф можно взять SMD как на видео?
Да, конечно