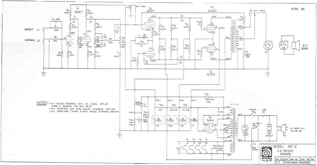
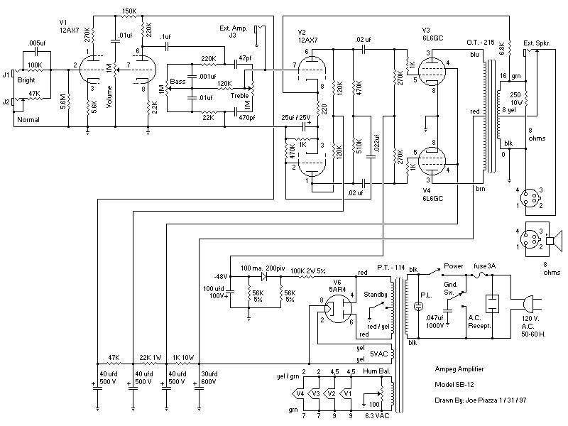
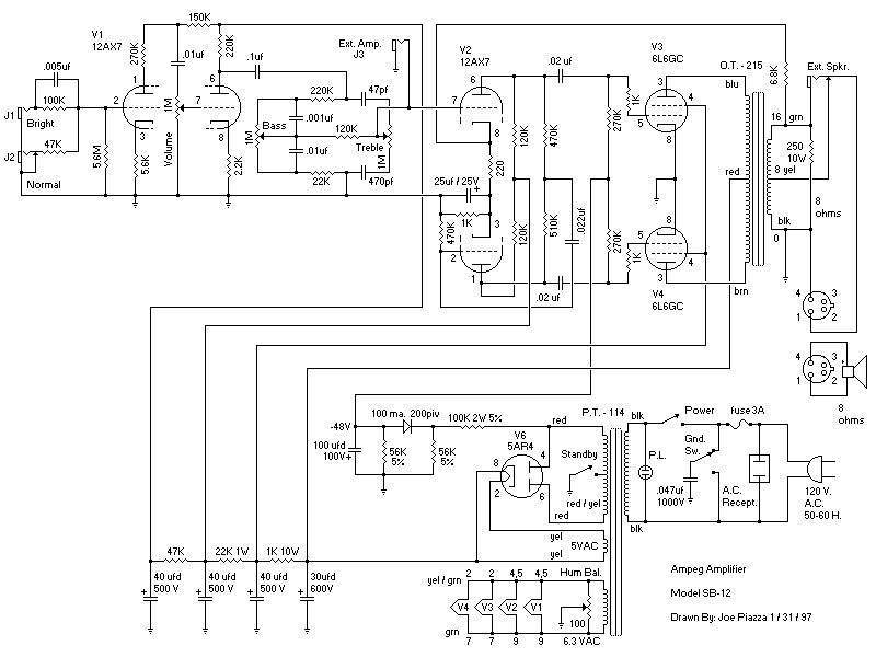
поразмышляв немного пришел к выводу - я мазохист

потому транзисторы не вариант, хочу лампу

варианта осталось 2:
1. Искать оконечник на 6v6 (6п1п-ЕВ) под железо 7.5 см
2 - вроде должно сойтись в рассчетах
Но мощности тогда совсем маловато, вроде до 15Вт с пары
2. Всетаки 6п3с а железо взять другое, а именно: Ш32х40 (210Вт)
Железо не столь хорошое как то что на 7.5 см
2 (местами ржавое, не покрытое ничем), зато мощности в 2 раза больше с 6п3с
Незнаю даже что лучче, меньше мощности или плохой выходник
