Добрый день всем)))
Да простят меня коллеги модераторы за очередную тему про SLO)) Просто тут я собираюсь делать только hi-gain преампа, не хотелось бы в теме про усилители постить, засерать, ну да ладно..
Duing Fetus, если посчитаешь нужным, грохнешь тему, или объединишь

...
Короче, волею судеб созрела идея собрать сие прекраснейшее изделие

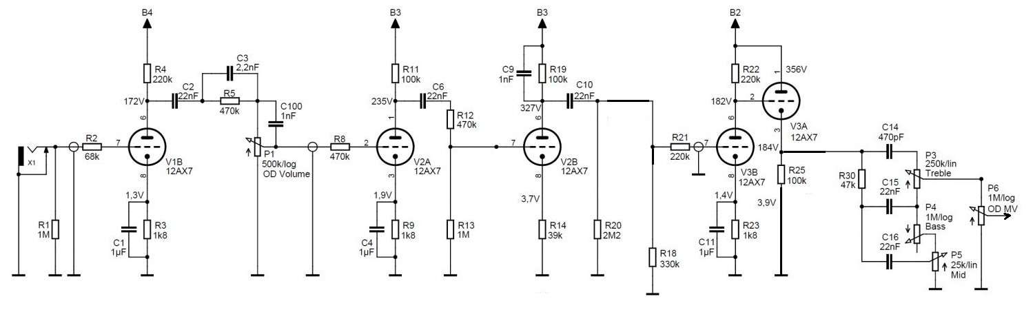
За основу взял оригинальную схему (кому надо, прикрепил, не жалко).. Выкинул нафиг всё, кроме лид канала, в т.ч. и петлю, и оставил только то что нужно, предварительно задав некоторые вопросы местным знатокам, и получив ответ, что на "солданистость" это не повлияет

Просто, так сложилось, что кранчем вообще не пользуюсь, а клин использую крайне редко.. На этот случай клин имеется в моей Бугере (и кранч, кстати, тоже), и в предыдущем детище "Энгло-Кранке"

И ещё: свои железяки использую исключительно для записи и реампинга (концертная и репетиционная деятельность ушла в прошлое), поэтому, дополнительные навороты в виде петель, спикерсимов, и т.д., не интересны..
Втыкать преамп планирую в мощник "Энгло-Кранка" (мощник там по кранкенштейну, только на 50 вт, на 2-х баллонах JJ 6L6, фазик на JJ ECC83), а также в ретарн Бугеры 333 (входа в мощник у неё нет), ну а там посмотрим, куда лучше зазвучит..
Собственно, по сборке... Как всегда вариант у меня немного бюджетный

, но в этот раз экономить планирую не на всём, а только на том, что минимально влияет на звук. И хочу собрать более трепетно и продуманнее, чем раньше!!
Собственно, собирать буду из того, что доступно по месту, ибо тянуть с тюбтауна в лом, и дороже на порядок.. Лампы планирую ставить JJ ECC83, конденсаторы Orange Drop, потцы Alpha..
Остальное из того, что имеется в запасе..
Силовой трансформатор заказал вот такой (обощёлся в 2,5 доллара вместе с доставкой)

Для корпуса имеется старое маленькое шасси, и коробок от магазина сопротивлений (РЭСовский), который, думаю удастся превратить в корпус.. В общем, есть выбор))
Печатку отрисовал (если можно, покритикуйте, прикрепляю).. Единственное, ещё не нарисовал плату блока питания. Когда-то хотел сделать пред по красному каналу ректы, но не задалось.. Но наработки были, в т.ч. и печатку тогда развел.. Путём несложных манипуляций трансформировал её в СЛО

... Она ещё не опробована, даже не протравлена.. Поэтому советы по внесению в неё коррективов приветствуются..
Комплектуху заказал. Когда придёт, будем начинать

Пожелайте удачи

PS: Кстати, по окончанию сборки обязательно будут звуки
