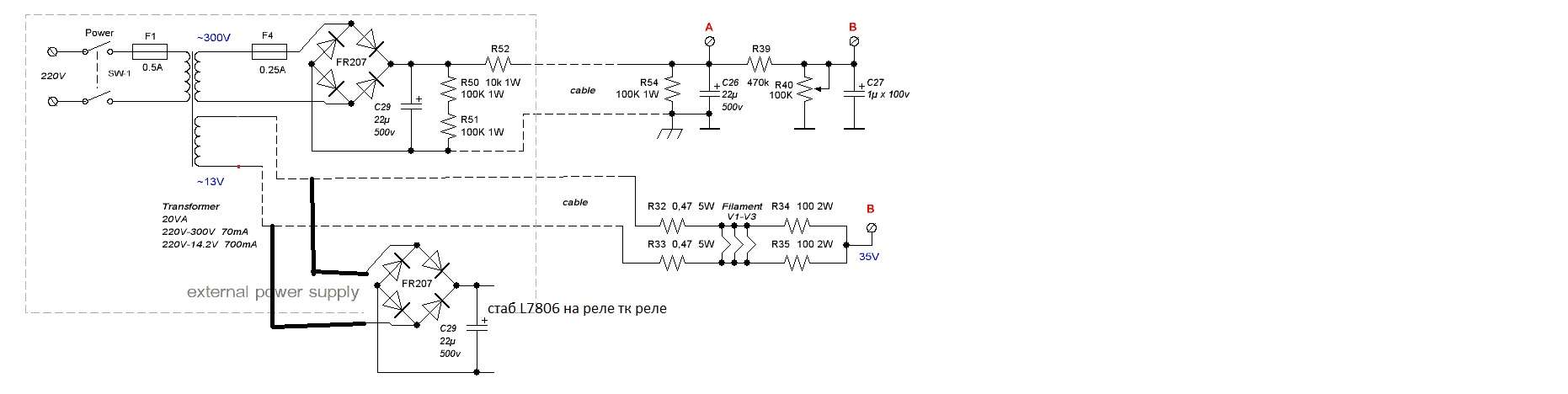
На стадии сборки Преамп Peavey 6505+ канал лид, бп готов, корпус тоже, осталась распечатать лейку, но появилось пару вопросов, буфер обязателен? вроде как внешняя нагрузка что бы на работу не влияла, но говорят мол не обязательно
схему пририсовал буфера правильно?
срисовывал с платы своего преампа 5150
кстати в корпусе теперь лишняя 3pdt кнопка, может что ни будь можно внедрить? в плане типа кнопки бридж, или модерн, или чего ни будь подобного, какой ни будь режим изменяющий немного звучание
схема в пдф
https://yadi.sk/d/UtVUfK8_jkqUPБП
220
280 анодка
10в накал запитаю накал 6.3 вольтами через 5 ватные резюки как на схеме бп
схемы и лейку прилагаю
R22 использовать 10К или 4.7к? опираюсь на схему 5150 там 4.7к у меня в этом месте резюк, я думаю что на 10к будет большое падение напруги.
схема та что в пдф она оконечная, я просто не в ту буфер зарисовал)

на плату с лампами не смотреть там накал я ещё не организовал я там проводами буду накидывать к 9-ым ногам, и обрезать дорожку от 4 ноги к середине