Автор Тема: Советский ламповый усилитель УО-4  (Прочитано 12256 раз)

0 Пользователей и 1 Гость просматривают эту тему.

Оффлайн hmuryi Автор темы

  • Частый посетитель
  • **
  • Сообщений: 132
  • GuitarPlayer.Ru fan!
Советский ламповый усилитель УО-4
« : Сентября 16, 2013, 12:08:56 »
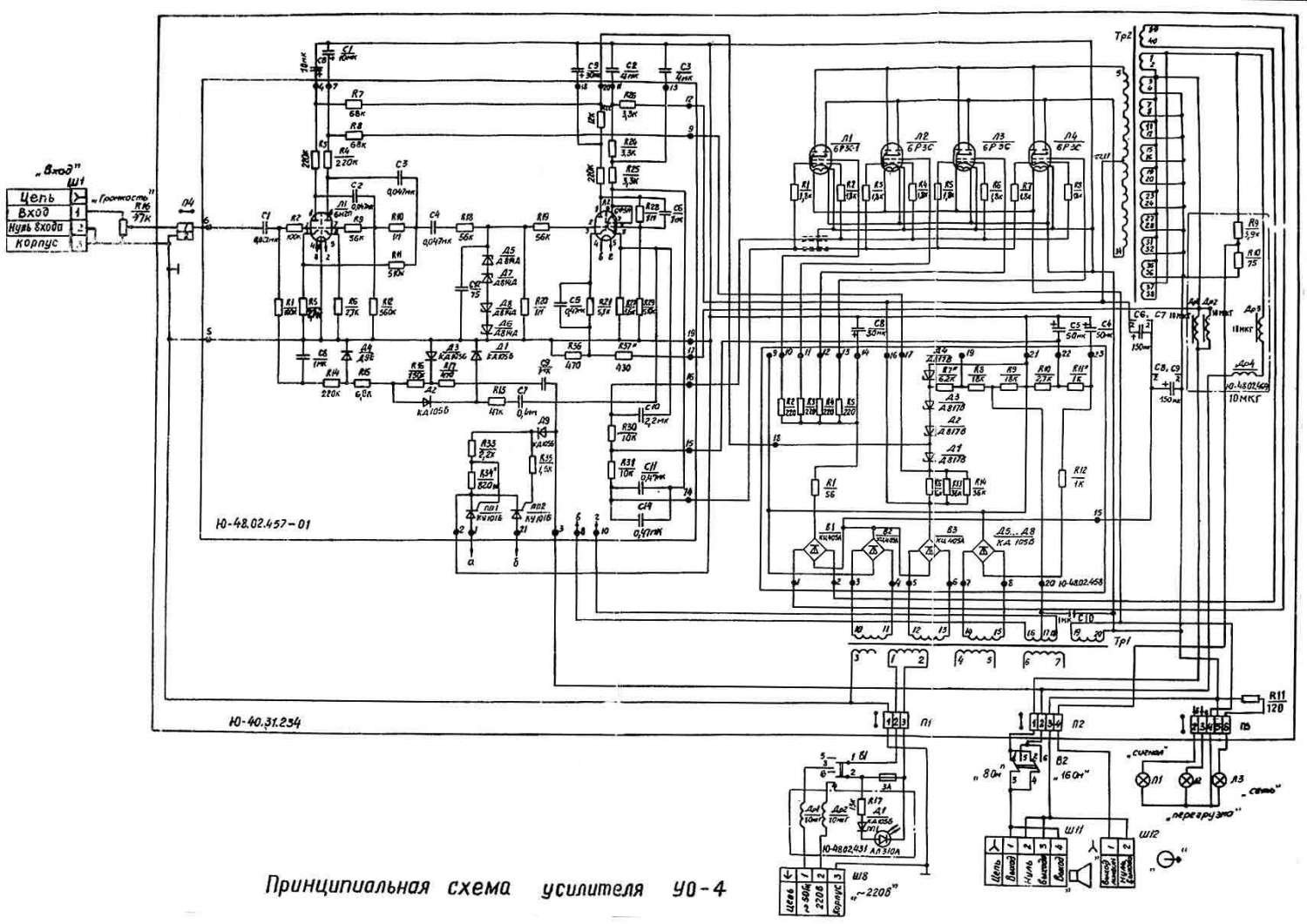
Всем привет! Есть в наличии ламповый усилитель уо-4 , подойдёт ли он в качестве гитарного оконечника ? Может кто пользовал (переделывал , дорабатывал) такой ?

Оффлайн ficus1987

  • Эксперт
  • *****
  • Сообщений: 2050
  • Process engineer...
Re: Советский ламповый усилитель УО-4
« Ответ #1 : Сентября 16, 2013, 13:33:45 »
Изьять трансы и сделать с нуля нормальный усилитель... На 6Р3С не дело совсем :hmmm:

Оффлайн oxigen

  • Эксперт
  • *****
  • Сообщений: 1406
  • Если нельзя, но очень хочется, то можно
Re: Советский ламповый усилитель УО-4
« Ответ #2 : Сентября 16, 2013, 14:08:51 »
ficus1987, Ну изымешь, например, выходной трансформатор, да, хорошо секционирован, для гитары даже излишне, да, железо говорят хорошее, но для его Ra придется ставить примерно 8 ламп типа 6L6 на выходе. Готов ли к этому счастливый обладатель этого монстрика  ;)?

Оффлайн ficus1987

  • Эксперт
  • *****
  • Сообщений: 2050
  • Process engineer...
Re: Советский ламповый усилитель УО-4
« Ответ #3 : Сентября 16, 2013, 14:16:25 »
 :crazy: Ну оригинальные лампы тоже не дело :hmmm:

Оффлайн oxigen

  • Эксперт
  • *****
  • Сообщений: 1406
  • Если нельзя, но очень хочется, то можно
Re: Советский ламповый усилитель УО-4
« Ответ #4 : Сентября 16, 2013, 14:26:53 »
ficus1987, Если не путаю, то ГУ19-1 прямая им замена. В заблуждение вводить не буду, сам их не пользовал, но писали, что они облегчают жизнь владельцам  таких усилителей.

Оффлайн Мяталист

  • Ветеран форума
  • ******
  • Сообщений: 5743
  • Будь как все. Собирай JCM 800 и SLO 100
Re: Советский ламповый усилитель УО-4
« Ответ #5 : Сентября 16, 2013, 16:08:59 »
ficus1987, Если не путаю, то ГУ19-1 прямая им замена. В заблуждение вводить не буду, сам их не пользовал, но писали, что они облегчают жизнь владельцам  таких усилителей.
Тоже читал такое, но попробуй из достань. Да и они рано или поздно совсем кончатся. Нужно переделывать на 6п3ки и иже с ними.
Самое интересное, на какую нагрузку выходник?

Оффлайн Santjago

  • Живу на форуме
  • *******
  • Сообщений: 10916
  • Hard As A Rock
Re: Советский ламповый усилитель УО-4
« Ответ #6 : Сентября 16, 2013, 16:43:26 »
Всем привет! Есть в наличии ламповый усилитель уо-4 , подойдёт ли он в качестве гитарного оконечника ? Может кто пользовал (переделывал , дорабатывал) такой ?

Приличное время именно для таких нужд пользовался этим усилителем. Как для такой мощности, у него ещё довольно приемлимые массогабариты  :) Звучит мутновато, но, если "прочистить" вход и фазик, то он обязан звучать лучше.

Оффлайн oxigen

  • Эксперт
  • *****
  • Сообщений: 1406
  • Если нельзя, но очень хочется, то можно
Re: Советский ламповый усилитель УО-4
« Ответ #7 : Сентября 16, 2013, 16:44:30 »
Мяталист, Там написано 8ом - 16ом через переключатель.

Оффлайн Мяталист

  • Ветеран форума
  • ******
  • Сообщений: 5743
  • Будь как все. Собирай JCM 800 и SLO 100
Re: Советский ламповый усилитель УО-4
« Ответ #8 : Сентября 16, 2013, 16:46:05 »
Мяталист, Там написано 8ом - 16ом через переключатель.
Значит стоящий набор.
С него получился бы офигенный басовик. Лок-тар тебе расскажет, если захочет.

Оффлайн Santjago

  • Живу на форуме
  • *******
  • Сообщений: 10916
  • Hard As A Rock
Re: Советский ламповый усилитель УО-4
« Ответ #9 : Сентября 16, 2013, 16:46:34 »
Изьять трансы и сделать с нуля нормальный усилитель... На 6Р3С не дело совсем :hmmm:

Дело говоришь. Коммутацией обмоток, уверен, можно добиться приемлимой приведёнки для квартета 6П3С-Е, например.
« Последнее редактирование: Сентября 16, 2013, 16:49:34 от Santjago »

Оффлайн Мяталист

  • Ветеран форума
  • ******
  • Сообщений: 5743
  • Будь как все. Собирай JCM 800 и SLO 100
Re: Советский ламповый усилитель УО-4
« Ответ #10 : Сентября 16, 2013, 16:49:27 »
Коммутацией вторичек?  :big-big-eyes:
Я конечно понимаю что это возможно но как представлю себе этот процесс и какой после этого получится жмут возле транса то  :facepalm2:
И думаю ТС этот процесс не по зубам.

Оффлайн Santjago

  • Живу на форуме
  • *******
  • Сообщений: 10916
  • Hard As A Rock
Re: Советский ламповый усилитель УО-4
« Ответ #11 : Сентября 16, 2013, 16:50:23 »
Коммутацией вторичек?  :big-big-eyes:
Я конечно понимаю что это возможно но как представлю себе этот процесс и какой после этого получится жмут возле транса то  :facepalm2:

Какой жмут? У него все секции выведены на отдельные клеммы. Коммутируй до нихочу.

Цитировать
И думаю ТС этот процесс не по зубам.

Ну, это уже ему виднее.

Оффлайн oxigen

  • Эксперт
  • *****
  • Сообщений: 1406
  • Если нельзя, но очень хочется, то можно
Re: Советский ламповый усилитель УО-4
« Ответ #12 : Сентября 16, 2013, 16:52:38 »
Santjago, Ты наверно не видел как там накоммутировано  :crazy:
Если он не сгоревший, то лучше не трогать, безопаснее для психики.
« Последнее редактирование: Сентября 16, 2013, 16:54:54 от oxigen »

Оффлайн Мяталист

  • Ветеран форума
  • ******
  • Сообщений: 5743
  • Будь как все. Собирай JCM 800 и SLO 100
Re: Советский ламповый усилитель УО-4
« Ответ #13 : Сентября 16, 2013, 16:54:03 »
Лучше все же 8мь 6п3с, а лучше 6п3с-е, лучше в кубе че то из буржуйских 6L6 уже подобранных.
И демпфирование лучше, вообще для басовика сказка. Правда в басовиках чаще более низкоомные выходы нужны.
Погодите, так это если сделать на 4ке 6п3ек то без переделки просто приведенка получится 4 и 8 ом. Или я ошибаюсь?

Оффлайн oxigen

  • Эксперт
  • *****
  • Сообщений: 1406
  • Если нельзя, но очень хочется, то можно
Re: Советский ламповый усилитель УО-4
« Ответ #14 : Сентября 16, 2013, 16:57:05 »
Мяталист, Ошибаешься, наоборот нагрузка 16 и 32 ома.