Автор Тема: Sovtek MIG-50. Сборка почти с нуля  (Прочитано 17735 раз)

0 Пользователей и 1 Гость просматривают эту тему.

Оффлайн MrMihap Автор темы

  • Завсегдатай
  • ***
  • Сообщений: 350
  • а потом мне прострелили колено.
Sovtek MIG-50. Сборка почти с нуля
« : Мая 25, 2013, 07:51:50 »
Привет, друзья. Случилось в моей жизни небольшое событие. В обмен на немного денежных знаков я получил заводской MIG-50, с той небольшой проблемой, что он не собран.
Изначально в комплекте корпус, шасси, два транса, немного лампочек(2х 6п3с) и немного деталек + клювики.









Сейчас буду покупать детальки для преампа и оконечника (проходные кондеры, как минимум, точно буду менять), ну и процесс сборки, наверно, буду постить сюда.
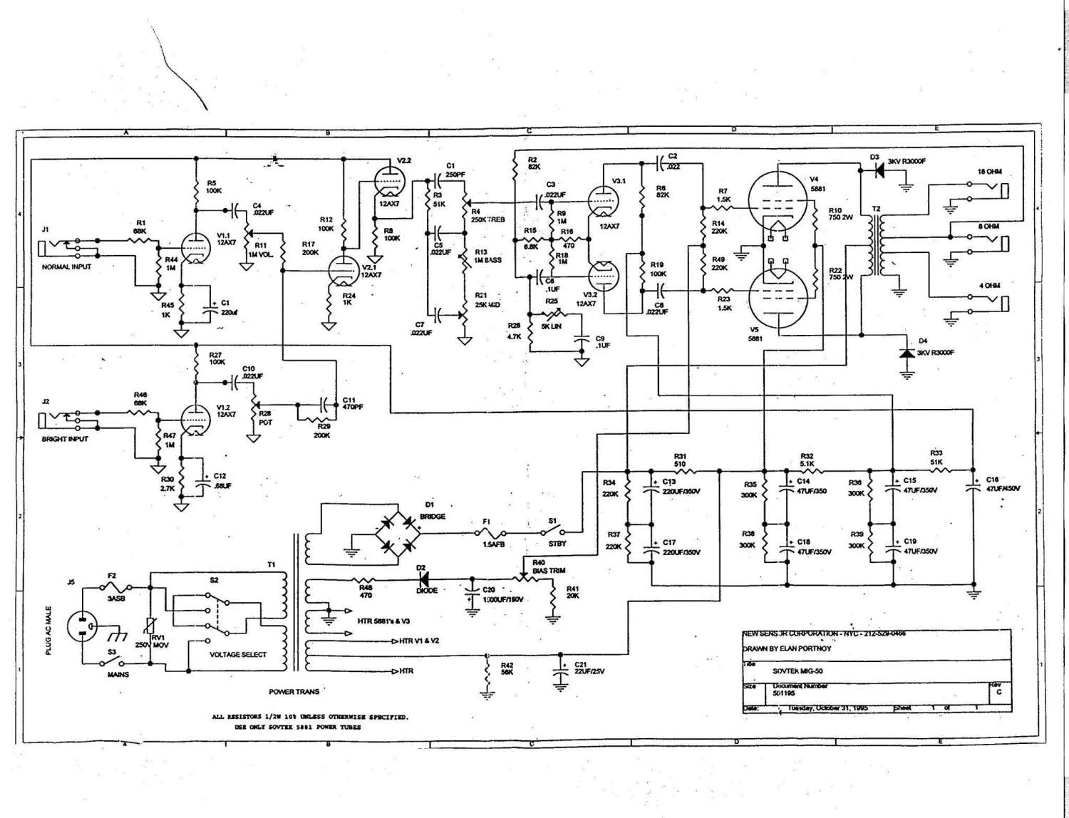
вот, что говорит гугл.

« Последнее редактирование: Мая 28, 2013, 09:41:54 от MrMihap »

Оффлайн Юрий Попов

  • Новичок
  • *
  • Сообщений: 1
  • GuitarPlayer.Ru fan!

Оффлайн MrMihap Автор темы

  • Завсегдатай
  • ***
  • Сообщений: 350
  • а потом мне прострелили колено.
Еще трансы вызывают много вопросов. У питальника выходы на накал - ПЭЛ матерого сечения в чем то толстом липком и непонятном. Вопрос, можно ли эту липкую массу, в прошлом, видимо, изоляцию, к чертям нафиг убрать, оставив только лакированный провод? Или всё таки КЗ будт возможны? Как тогда поступать в таком случае? Можно ли заменить эти выводы транса, или сняв эту "изоляцию", обтянуть термоусадкой?. Второй вопрос, есть ли где то документация на цвет - вольтаж выводов с транса?

нашел более-менее читаемую схему.
« Последнее редактирование: Мая 25, 2013, 08:44:54 от MrMihap »

Оффлайн Angel

  • Опытный
  • ****
  • Сообщений: 769
Делай сразу 800й маршалл на этой основе.  :)

Оффлайн MrMihap Автор темы

  • Завсегдатай
  • ***
  • Сообщений: 350
  • а потом мне прострелили колено.
Думаешь? От маршала, его, вроде, только некоторые номиналы отличают. Я все таки хотел бы использовать оригинальную плату. И отсутствие маркировки трансов это все равно не отменяет.

Оффлайн Ден2

  • Ветеран форума
  • ******
  • Сообщений: 4278
Зачётнейший конструктор, но вот рассыпуху я бы сразу в резерв ставки отправил, вместе с коробкой)))И купил бы что-то более серьёзное.

Ну и да, поработай немного со схемами, а то высказывания про то что фендер - однотакт, и про то, что схема мига от 800-го отличается только парой номиналов - немного обескураживают как-то... ;)

Оффлайн MrMihap Автор темы

  • Завсегдатай
  • ***
  • Сообщений: 350
  • а потом мне прострелили колено.
 Ден2, Спасибо, что поправил, про фендер - реально тупанул, чампов слишком уж много было на форуме. Про номиналы - цитировал азнаура. Речь, правда могла идти об mig-60. От рассыпухи, наверно, оставлю себе клювики для аутентичности и млт резисторы. За остальным, обращусь к ерасову.

Оффлайн AZG

  • Живу на форуме
  • *******
  • Сообщений: 95636
  • Санкт-Петербург
    • AZG CUSTOM
MrMihap, Судя по плате и передней панели у тебя как-раз аналог Бассмана, который приведен на ТВОЕЙ схеме. Но тут есть один момент - что ты сам хочешь получить?

По деталям - коробку реально выкидывать. Поты эти ужасны, электролиты более-менее, но живут не долго. Коробку тоже стоит переделать чтобы передняя панель была видна полностью.

Оффлайн MrMihap Автор темы

  • Завсегдатай
  • ***
  • Сообщений: 350
  • а потом мне прострелили колено.
AZG, Спасибо. Просто много тем на буржуйском про mig-50 as jcm800 ввели в заблуждение. Все таки хочу собирать аналог 800. Корпус подправлю - это, надеюсь, проблем не вызовет. Поты, кстати, вообще прокручиваются с трудом)
Не подскажете, эти трансы под 800 подходят? И адекватно ли собирать jcm на ерасовской виме?

Оффлайн AZG

  • Живу на форуме
  • *******
  • Сообщений: 95636
  • Санкт-Петербург
    • AZG CUSTOM
MrMihap, Да, лучше делать 800-ку. Плату в таком случае не получится использовать. и ВИМА МКР не совсем то, что надо такому усилителю. Лучше затариться аксиальным полиэстером, нормальными потами типа 24мм Альфы и хорошими электролитами. Сделать все на плате с турретами/айлетами. Леек в нете море.

... и добавил:

А. трансы подходят. У Совтека вообще не было разделения по трансам.
« Последнее редактирование: Мая 25, 2013, 10:30:04 от AZG »

Оффлайн MrMihap Автор темы

  • Завсегдатай
  • ***
  • Сообщений: 350
  • а потом мне прострелили колено.
AZG, Еще раз спасибо. Собственно, можно ли заказать у вас турретборд под 800ку, или хотя бы сами турреты?

Оффлайн AZG

  • Живу на форуме
  • *******
  • Сообщений: 95636
  • Санкт-Петербург
    • AZG CUSTOM
MrMihap, Пиши в личку, обсудим...

Оффлайн Santjago

  • Живу на форуме
  • *******
  • Сообщений: 10916
  • Hard As A Rock
MrMihap,  :good: зачётный кит.. Про панель AZG, верно подметил, подрезать, да и пайпинг заменить можно. 6П3С я бы заменил на 6П3С-Е. Содержимое коробочки, да, лучше куда-то в чулан. А вот 800-ку собирать или плекс - это уже дело личных предпочтений  :)

... и добавил:

тумблеры эти совковые тугие очень, и, если не изменяет память, на одну группу, я бы заменил...
« Последнее редактирование: Мая 25, 2013, 14:54:28 от Santjago »

Оффлайн AZG

  • Живу на форуме
  • *******
  • Сообщений: 95636
  • Санкт-Петербург
    • AZG CUSTOM
Santjago, Там нет пайпинга как такового, просто окрашенные в белый рейки.

Оффлайн MrMihap Автор темы

  • Завсегдатай
  • ***
  • Сообщений: 350
  • а потом мне прострелили колено.
Тумблера невероятно тугие, буду менять их точно, к тому же два красивых уже есть.