Автор Тема: Sovtek MIG-50. Сборка почти с нуля  (Прочитано 17709 раз)

0 Пользователей и 1 Гость просматривают эту тему.

Оффлайн Weiss

  • Эксперт
  • *****
  • Сообщений: 1256
  • ну... как-то так
Re: Sovtek MIG-50. Сборка почти с нуля
« Ответ #60 : Июля 08, 2013, 22:39:20 »
Каким смайлом нужно помечать комментарий, что бы тебе было понятно, что это шутка?
:sarcastic: runing, :dontmention:

Weiss, На данный момент ни одного силовика в 100 ватт Ерасовых не заменил.
умгу :sarcastic: завод трансвит(или транслед что ли?) лучше трансы делать стал? бугагашеньки  :sarcastic:

Оффлайн AZG

  • Живу на форуме
  • *******
  • Сообщений: 95583
  • Санкт-Петербург
    • AZG CUSTOM
Re: Sovtek MIG-50. Сборка почти с нуля
« Ответ #61 : Июля 08, 2013, 23:06:47 »
умгу :sarcastic: завод трансвит(или транслед что ли?) лучше трансы делать стал? бугагашеньки  :sarcastic:

 :pozor: Бугагашеньки! ТОР-ы в 100-ках производства ТОРЭЛ. И факт остается фактом - ни одного в замену. На перечисленных тоже ТОР-ы от ТРОЭЛ-а и там были проблемы.

От ТрансЛеда у Ерасова не так и много, кстати. И сейчас ТрансЛед делает очень хорошо, пользуюсь и буду пользоваться.

Оффлайн Weiss

  • Эксперт
  • *****
  • Сообщений: 1256
  • ну... как-то так
Re: Sovtek MIG-50. Сборка почти с нуля
« Ответ #62 : Июля 09, 2013, 10:34:46 »
 :boyan:
« Последнее редактирование: Июля 09, 2013, 10:40:27 от Weiss »

Оффлайн AZG

  • Живу на форуме
  • *******
  • Сообщений: 95583
  • Санкт-Петербург
    • AZG CUSTOM
Re: Sovtek MIG-50. Сборка почти с нуля
« Ответ #63 : Июля 09, 2013, 11:29:01 »
Weiss,  8)

Оффлайн aberezhn

  • Новичок
  • *
  • Сообщений: 20
  • guitarampservice.ru
    • Ремонт и модификация гитарного оборудования
Re: Sovtek MIG-50. Сборка почти с нуля
« Ответ #64 : Июля 10, 2013, 19:38:12 »
aberezhn, Пот 22К. Конденсатор любой от 10 до 100 мкФ на 63-100В.
Спасибо.
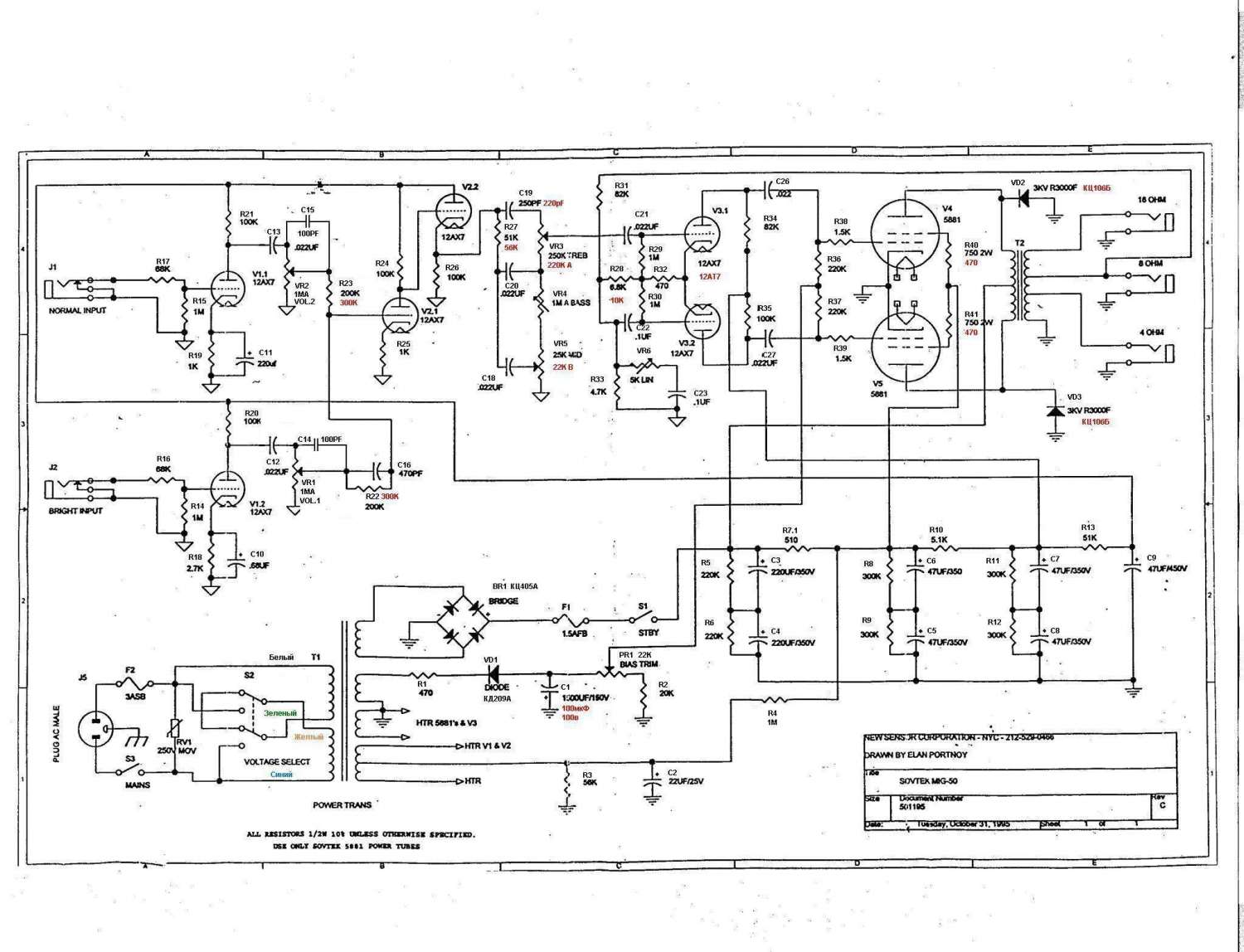
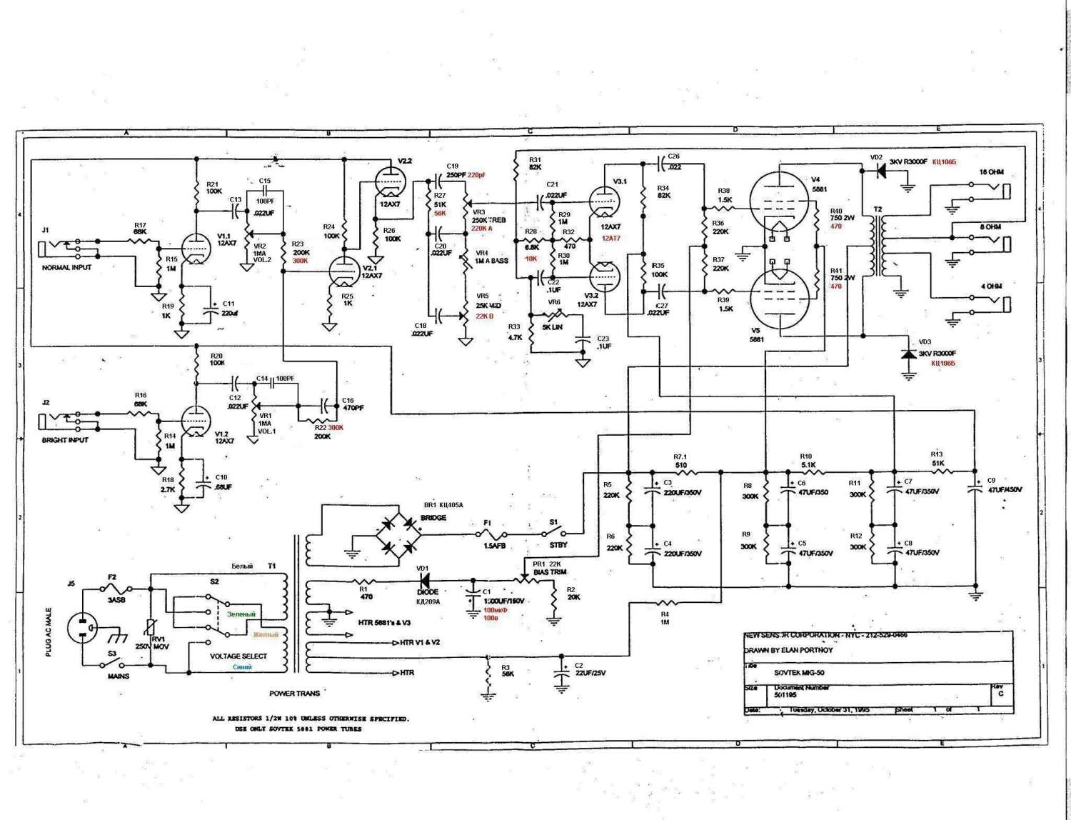
Составил перечень комплектующих и добавил к схеме позиционные обозначения -может кому пригодится.
Внимание схема и список еще не проверены!
« Последнее редактирование: Июля 23, 2013, 11:56:37 от aberezhn »

Оффлайн AZG

  • Живу на форуме
  • *******
  • Сообщений: 95583
  • Санкт-Петербург
    • AZG CUSTOM
Re: Sovtek MIG-50. Сборка почти с нуля
« Ответ #65 : Июля 11, 2013, 07:55:27 »
aberezhn, Если используешь отечественные поты, тогда надо характеристики наоборот. На ВЧ и СЧ характеристику А, на НЧ характеристику В. Но отечественных хороших нет. Так что лучше не полениться и закупиться нормальными.

Оффлайн aberezhn

  • Новичок
  • *
  • Сообщений: 20
  • guitarampservice.ru
    • Ремонт и модификация гитарного оборудования
Re: Sovtek MIG-50. Сборка почти с нуля
« Ответ #66 : Июля 11, 2013, 10:20:54 »
aberezhn, Если используешь отечественные поты, тогда надо характеристики наоборот. На ВЧ и СЧ характеристику А, на НЧ характеристику В. Но отечественных хороших нет. Так что лучше не полениться и закупиться нормальными.
Я на схеме зарубежную маркировку приводил, насколько я понимаю Уровень1,2,НЧ -лограрифмические, а СЧ,ВЧ и Presence линейные? потенциометры буду менять вместе с конденсаторами, но их еще заказывать нужно. Меня еще такой вопрос смущает -на фотографиях некоторые резисторы 0,25Вт, не маленькая мощность у них? и по корпусу -насколько я понял оба конденсатора 220мкФ 350В сидят на шасси через изоляционные прокладки. В какой точке лучше землю с шасси соединить? Или у него по умолчанию "ground lift"  :)

Оффлайн AZG

  • Живу на форуме
  • *******
  • Сообщений: 95583
  • Санкт-Петербург
    • AZG CUSTOM
Re: Sovtek MIG-50. Сборка почти с нуля
« Ответ #67 : Июля 11, 2013, 11:15:02 »
aberezhn, Да, Гейны, Громкости, НЧ логарифм, остальные линейные. Если найдешь, на Презенс лучше обратный логарифм, намного плавнее получается (характеристика С у буржуев).

0.25вт в сигнальной части без проблем. 0.5 вт или выше надо в питание, аноды и в катод КП.

По поводу электролитов - там этажерка. Нижний сидит на шасси. Верхний изолирован.

Оффлайн aberezhn

  • Новичок
  • *
  • Сообщений: 20
  • guitarampservice.ru
    • Ремонт и модификация гитарного оборудования
Re: Sovtek MIG-50. Сборка почти с нуля
« Ответ #68 : Июля 11, 2013, 13:37:56 »
aberezhn, Да, Гейны, Громкости, НЧ логарифм, остальные линейные. Если найдешь, на Презенс лучше обратный логарифм, намного плавнее получается (характеристика С у буржуев).

0.25вт в сигнальной части без проблем. 0.5 вт или выше надо в питание, аноды и в катод КП.

По поводу электролитов - там этажерка. Нижний сидит на шасси. Верхний изолирован.
Спасибо.

... и добавил:

Забыл еще про лампы спросит -вроде в фазоинверторе 6н1п стояла, так ли это?

Оффлайн AZG

  • Живу на форуме
  • *******
  • Сообщений: 95583
  • Санкт-Петербург
    • AZG CUSTOM
Re: Sovtek MIG-50. Сборка почти с нуля
« Ответ #69 : Июля 11, 2013, 13:54:56 »
Совтеки никогда не строились на советских лампах. 12АХ7 по жизни.

Оффлайн aberezhn

  • Новичок
  • *
  • Сообщений: 20
  • guitarampservice.ru
    • Ремонт и модификация гитарного оборудования
Re: Sovtek MIG-50. Сборка почти с нуля
« Ответ #70 : Июля 11, 2013, 14:42:27 »
Совтеки никогда не строились на советских лампах. 12АХ7 по жизни.
Спасибо

Оффлайн Azatto

  • Завсегдатай
  • ***
  • Сообщений: 488
Re: Sovtek MIG-50. Сборка почти с нуля
« Ответ #71 : Июля 11, 2013, 21:46:43 »
aberezhn, на схеме С14  не правильно подключен.

Оффлайн aberezhn

  • Новичок
  • *
  • Сообщений: 20
  • guitarampservice.ru
    • Ремонт и модификация гитарного оборудования
Re: Sovtek MIG-50. Сборка почти с нуля
« Ответ #72 : Июля 12, 2013, 18:55:16 »
aberezhn, на схеме С14  не правильно подключен.
Косяк, исправил.

Оффлайн aberezhn

  • Новичок
  • *
  • Сообщений: 20
  • guitarampservice.ru
    • Ремонт и модификация гитарного оборудования
Re: Sovtek MIG-50. Сборка почти с нуля
« Ответ #73 : Июля 23, 2013, 12:05:54 »
Запустил вчера -звук радует. Но есть несколько моментов:
1)При включении/отключении анодного напряжения раздается ощутимый щелчек -приличный кабинет подключат пока не хочется.
2)При повороте ручки presence на минимум начинает заводиться в одном из крайних положений ручки treble -проблема решена, перепутал сетки выходных ламп, так что, вместо отрицательной обратной связи получилась положительная
:)
3)Второй канал пропускает небольшой уровень сигнала при укрученной на минимум ручке volume 2 -полечил, подавая сигнал с резисторов 300к (которые микшируют сигнал с первого и второго входов) на второй каскад через проводник в оплетке.
4)Есть небольшого фон.
Если кто сталкивался -может подскажет в какую сторону копать.

... и добавил:

Обновил схему -там не хватало резистора R4
« Последнее редактирование: Июля 24, 2013, 22:27:26 от aberezhn »

Оффлайн aberezhn

  • Новичок
  • *
  • Сообщений: 20
  • guitarampservice.ru
    • Ремонт и модификация гитарного оборудования
Re: Sovtek MIG-50. Сборка почти с нуля
« Ответ #74 : Июля 24, 2013, 22:49:14 »
А вот с фоном и щелчками при включении отключении анодного напряжения справится пока не могу, может я напрасно голову ломаю и фон в пределах нормы? Прилагаю фотографии того, как разведен накал.