семплы хотел записать ,но на студии как раз рабочую машину сменили, и сейчас там не настроена еще система в рабочий вид,так что просто поиграть вышло!
но зато я сделал такую штуку(давно хотел,месяца два-три)
короче один перец (производитель как я понял,не из снг

) писал что в хайгейн каналах созо от меллори ну прям ваще не отличается ну совсем, на клине и кранче отличается, а там нет.
ну я взял сегодня пакетик созо,пакетик мелори,потом еще пакетик вишеевских кондеров, к40-у9 , к78-2

и к78-31.а,еще пакетик оранж дропов! . виму я не брал по двум причинам-от этих коротконожек ничего интересного не услышать

)))))))
созо отличается от мелори в хайгейн каскаде короче , а к78-2 хорошо работает подключенным параллельно сетевому шнуру

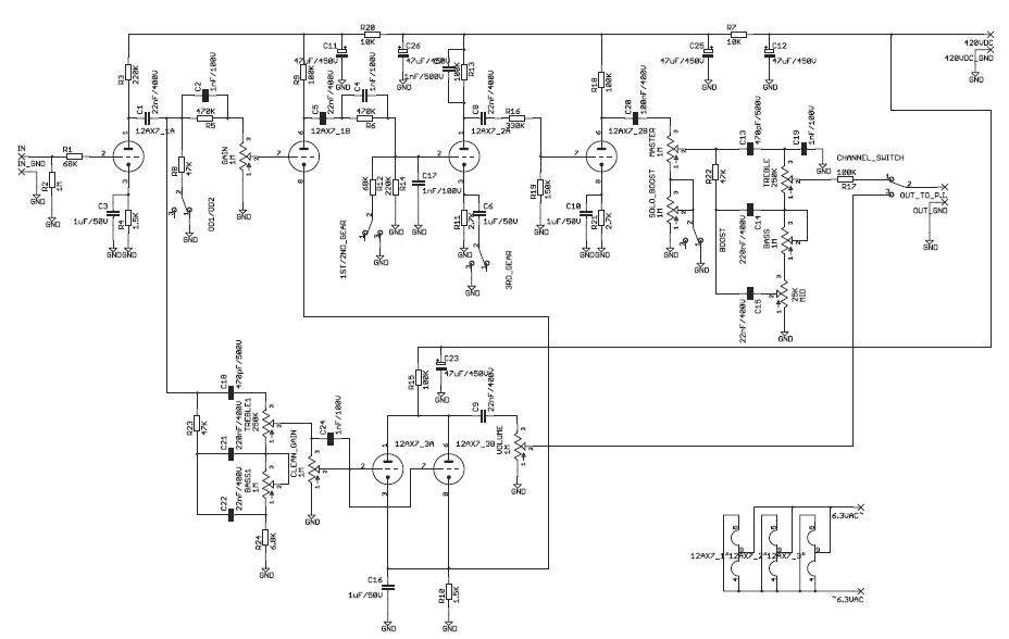
по поводу звука сплона-наверное собирать буду все же авенжер, такая концепция 39к стероид-маршала мне больше нравится ...