Форум гитаристов
У нас самая большая гитарная тусовка
Добро пожаловать,
Гость
. Пожалуйста,
войдите
или
зарегистрируйтесь
.
Не получили
письмо с кодом активации
?
1 час
1 день
1 неделя
1 месяц
Навсегда
В теме
В разделе
По форуму
Яндекс
Начало
Помощь
Поиск
Media
Пользователи
Общий список
Поиск пользователей
Вход
Регистрация
|
Размещение рекламы
Правила форума
Форум гитаристов
»
Оборудование
»
equipment.craft
(Модератор:
Dying Fetus
) »
Тема:
Стоит ли собирать данную схему?
« предыдущая тема
следующая тема »
Печать
Страницы: [
1
]
Вниз
Автор
Тема: Стоит ли собирать данную схему? (Прочитано 1154 раз)
0 Пользователей и 1 Гость просматривают эту тему.
fogy
Новичок
Сообщений: 86
музыкы это жизнь!
Стоит ли собирать данную схему?
«
:
Октября 05, 2010, 20:01:04 »
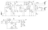
Господа! Хотелось бы услышать ваше мнение о данной схеме.
Записан
виндоус - это юникс для тупых и мак для бедных
Dying Fetus
Moderator
Сообщений: 10316
DIYng Fetus
Re: Стоит ли собирать данную схему?
«
Ответ #1 :
Октября 05, 2010, 20:13:05 »
fogy,
Чем обусловлен такой выбор схемы?
Имхо тон здесь не нужен, выход на наушники, тоже. Муть с накалом тут какая-то...
P.S> если хочешь собрать - стоит, не хочешь - не стоит. Врятли кто-то собирал ИМЕННО эту схему. А так, вариантов чампа "тыщи".
Записан
fogy
Новичок
Сообщений: 86
музыкы это жизнь!
Re: Стоит ли собирать данную схему?
«
Ответ #2 :
Октября 05, 2010, 20:17:56 »
Спасибо за совет! Это переделанная схема vox ac4, вот и хотел узнать насколько грамотно ее изменили. Значит будем собирать оригинал)))
... и добавил:
Цитата: Dying Fetus от Октября 05, 2010, 20:13:05
fogy,
А так, вариантов чампа "тыщи".
А здесь косяков нет?
«
Последнее редактирование: Октября 05, 2010, 20:20:27 от fogy
»
Записан
виндоус - это юникс для тупых и мак для бедных
Dying Fetus
Moderator
Сообщений: 10316
DIYng Fetus
Re: Стоит ли собирать данную схему?
«
Ответ #3 :
Октября 05, 2010, 23:30:11 »
fogy,
нет. тут есть тема, как
Finch
собирал его
Записан
Vlds
Эксперт
Сообщений: 2621
Re: Стоит ли собирать данную схему?
«
Ответ #4 :
Октября 06, 2010, 10:48:23 »
ставь первый пентод EF86 он звучит куда приятнее того что в схеме.
первый каскад смотри как тут сделан:
http://guitaramps.ru/Schematic/Vox/Vox%20AC4%20Amplifier.jpg
Записан
лаборатория гитарного звука -
https://vk.com/sobakinfx
Ravilko
Новичок
Сообщений: 79
art is resistance
Re: Стоит ли собирать данную схему?
«
Ответ #5 :
Октября 06, 2010, 16:12:26 »
делал однотакт с 6Ж32П в преде, чистый ещё ниче, кранч вообще не вкатил.
Записан
fogy
Новичок
Сообщений: 86
музыкы это жизнь!
Re: Стоит ли собирать данную схему?
«
Ответ #6 :
Октября 06, 2010, 17:32:46 »
Спасибо за помощь!!!
Записан
виндоус - это юникс для тупых и мак для бедных
Blooddynothigh
Частый посетитель
Сообщений: 159
Re: Стоит ли собирать данную схему?
«
Ответ #7 :
Октября 25, 2010, 10:45:57 »
пока не собирёшь не поймёшь, надо или не надо
Записан
Genrih
Эксперт
Сообщений: 2277
с уважением, Генрих...
Re: Стоит ли собирать данную схему?
«
Ответ #8 :
Октября 25, 2010, 18:51:23 »
Тем более что можно еще так собрать
что ваще не вкатит
при том любая схема
Записан
Мозг->Руки-крюки->Burny RSG-55'63 или красненький стратокастер из разных там японских, мастеровых, корейских запчастей->нижние слои атмосферы
Печать
Страницы: [
1
]
Вверх
« предыдущая тема
следующая тема »
Форум гитаристов
»
Оборудование
»
equipment.craft
(Модератор:
Dying Fetus
) »
Тема:
Стоит ли собирать данную схему?