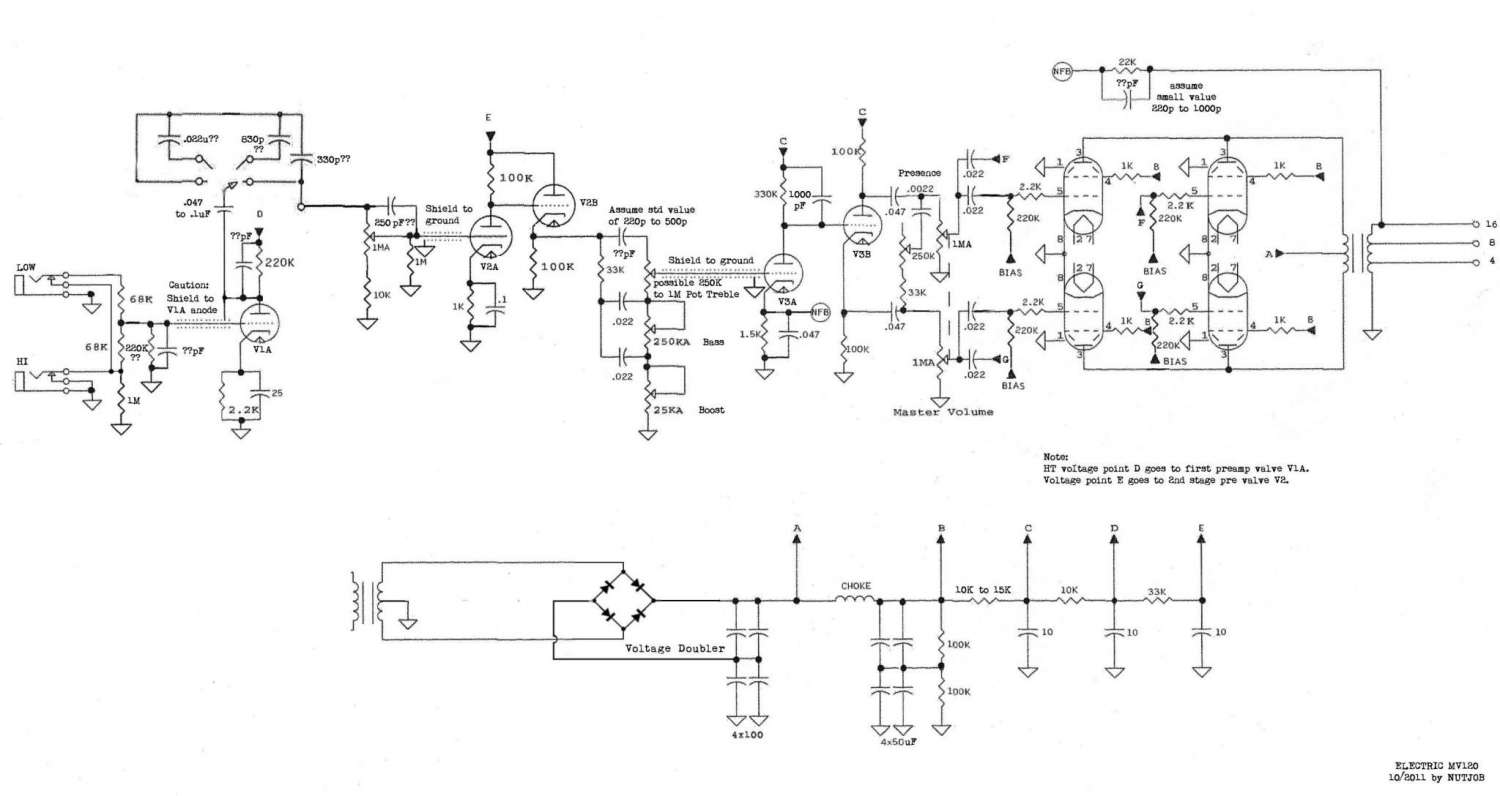
"вопрос к знатокам: если собирать вариацию на тему вот такого матампа

то как оно в целом будет с использованием в качестве ламп 6н9с например?
кстати, есть ли где-нибудь в интернете хранилище схем всяких матампов? они судя по всему очень редки

[/quote]"
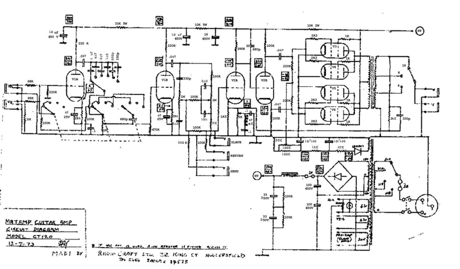
В свое время Demonoid выкладывал ссылку на продающийся комбик Matamp с октальной лампой в преде типа 6н9с и КТ88 в качестве выходной. В дополнение ко всему там стоял большущий по размерам выходной трансформатор. В описании было сказано, что есть возможность применения в качестве выходных разных больших ламп. К сожалению ссылка уже не работает. Умозаключения привели к тому, что скорей всего такие вариации ламп применялись для того, чтобы усилитель как можно позже грузился. Я делал себе Matamp по схеме С7 полностью на октальных лампах. С помощью переходника ставил на место первой лампы и 12AX7 вместо 6SL7. Менялась только степень перегруженности, характер примерно сохранялся.