Всем привет! Начинаю новый проект, подробности буду выкладывать тут.

После постройки JCM800, задумался о преде с петлей... выбор пал на Кранк. Посмотрим что из этого получиться.

Вот что получилось, на данный момент, впереди изготовление и обтяжка корпуса



-------------------------------------------------------------
По прошествии почти 10 лет, я наконец собрал скворешник для этого преампа! Поздравьте меня!
Проект длинною в 10 лет, офигеть!

Вот фоточки:



Добавил окантовочку и поменял ручки:

------------------------------------------------------------
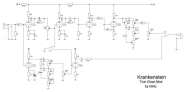
Вот схема преда:

Вот схема петли:

Монтаж навесной, на "турретах", платы т/б и б/п выполнены на печатках от
h84, с ГТЛаба. Лейку навеса рисовал сам, карандашем на бумаге.

Нафиг Корелы и прочую лабуду. Мне так проще и результат лучше.

Вот платы, основная и петля, без деталей:

Плата б/п:

Вот платы уже с деталями, буквально вчера закончил, канифоль не отмыл еще.
Основная плата:


Петля:


Платы тембо блоков:

Транс силовой, ТАН-10, переключение каналов и индикация - на реле.
Футсвитч.
Лампы - 6Н2П,
Элементная база - резики МЛТ и... что-то еще...
Кондеры - К73, пикухи по 470п - Вима.
Шасси - П образная крышка от компа.
Пред будет оформлен в виде головы, подключать планирую во вход оконечника JCM800, благо этот вход предусмотрен и сделан на моем усилке.
Переднюю панель планирую нарисовать в ближайшее время, точней она уже нарисована, на бумаге, нужно перенести в Корел, дабы отдать на изготовление рекламщикам.
Постараюсь полностью закончить проект к Новому Году, подарок для себя любимого.
Надеюсь успею! Всем спасибо за внимание!
-------------------------------------------------------------
По прошествии почти 10 лет, я наконец собрал скворешник для этого преампа! Поздравьте меня!
Проект длинною в 10 лет, офигеть!

Вот фоточки:


