Автор Тема: Supro 1624 + выход на 6п3с?  (Прочитано 9479 раз)

0 Пользователей и 1 Гость просматривают эту тему.

Оффлайн ykurilo Автор темы

  • Завсегдатай
  • ***
  • Сообщений: 439
Supro 1624 + выход на 6п3с?
« : Февраля 24, 2013, 18:29:52 »
Уважаемое сообщество подскажите пожалуйста, как применить в этой схеме на выходе вместо родных ламп наши родные 6п3с. У этих лампочек 6973 ближайший наш аналог, я слышал -6п6с? Но у меня сейчас в наличии 6п3с и выходной транс под них.На одном из форумов схему JCM 800 тоже собирали с 6п3с на выходе и была выложена схема их включения, питание вторых сеток отдельное и другие ньюансы .Я собирал по данной схеме JCM , все работало нормально. Но схемы фазоинвертеров в JCM и Supro разные, вот у меня и вопрос к разбирающимся как подключить к схеме фазика Supro 6п3с. Или не морочить голову, а собрать конец по второй схеме?
В теории не очень, паяю по готовым  схемам...

Оффлайн kfender

  • Ветеран форума
  • ******
  • Сообщений: 5915
  • к.т.н.
Re: Supro 1624 + выход на 6п3с?
« Ответ #1 : Февраля 24, 2013, 18:45:46 »
Ну обвязку подправить как у усилка с 6П3С с автосмещением, типа такого:

http://fotki.yandex.ru/users/kdolotov/view/308979/

Оффлайн Rolly

  • Живу на форуме
  • *******
  • Сообщений: 9083
  • Мнение - не повод получить пулю сразу.
Re: Supro 1624 + выход на 6п3с?
« Ответ #2 : Февраля 24, 2013, 18:58:05 »
Грубо можно отрезать по красной линии и приделать нужное. Питание поправить соответственно. Но это уже будет не "оригинал".  :)

Оффлайн ykurilo Автор темы

  • Завсегдатай
  • ***
  • Сообщений: 439
Re: Supro 1624 + выход на 6п3с?
« Ответ #3 : Февраля 24, 2013, 19:06:44 »
Грубо можно отрезать по красной линии и приделать нужное. Питание поправить соответственно. Но это уже будет не "оригинал".  :)
Собрать оригинал задача не стоит, просто схема не заезжена,интересно собрать.Отрезать по красной-понятно, а приделать нужное, нельзя ли по-подробнее?

Оффлайн Rolly

  • Живу на форуме
  • *******
  • Сообщений: 9083
  • Мнение - не повод получить пулю сразу.
Re: Supro 1624 + выход на 6п3с?
« Ответ #4 : Февраля 24, 2013, 19:15:20 »
ykurilo, взять готовую схему оконечника на 6п3с с автоматическим смещением и соответственно соединить. У меня такой отрисованной схемы нет.

Оффлайн kfender

  • Ветеран форума
  • ******
  • Сообщений: 5915
  • к.т.н.
Re: Supro 1624 + выход на 6п3с?
« Ответ #5 : Февраля 24, 2013, 19:23:22 »
У 6П3С, 6П3С-E, 6L6, 5881 все обвязка идентична кроме того что самые первые рассчитаны под более низкое напряжение (см. даташит).

Оффлайн ykurilo Автор темы

  • Завсегдатай
  • ***
  • Сообщений: 439
Re: Supro 1624 + выход на 6п3с?
« Ответ #6 : Февраля 25, 2013, 06:24:06 »
ykurilo, взять готовую схему оконечника на 6п3с с автоматическим смещением и соответственно соединить. У меня такой отрисованной схемы нет.
Может фиксированное смещение сделать? Какие величины сеточных резисторов 6п3с ставить? Что это за переключатель в выходном каскаде первой схеме топика?

Оффлайн Log_out

  • Эксперт
  • *****
  • Сообщений: 1162
Re: Supro 1624 + выход на 6п3с?
« Ответ #7 : Февраля 25, 2013, 10:01:22 »
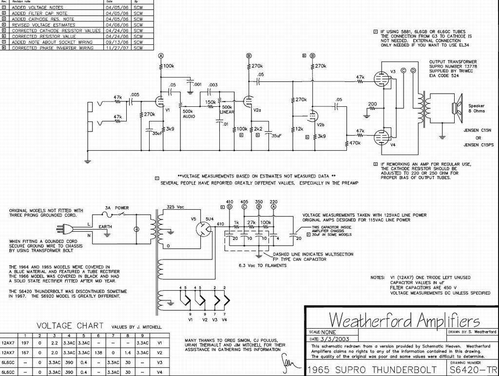
ykurilo, я тоже интересуюсь темой Valco-Supro. И уже определился, что хочу собрать Supro 6420 Thunderbolt, там в оконечнике как раз 6L6, которые можно заменить на наши 6П3С, думаю что и оригинальные напряжения они потянут, может быть только придётся увличить резистор в катодах 6П3С. Звук у Supro 6420 Thunderbolt тоже правильный, если судить по ютубу :) :)
1965 Supro Thunderbolt amp demo (telecaster, les paul) 2899862-0

Оффлайн runing

  • Живу на форуме
  • *******
  • Сообщений: 12572
  • Киев
Re: Supro 1624 + выход на 6п3с?
« Ответ #8 : Февраля 25, 2013, 10:11:16 »
ykurilo, я тоже интересуюсь темой Valco-Supro. И уже определился, что хочу собрать Supro 6420 Thunderbolt

Только ты должен знать, что он очень громкий, как и все усилители той эпохи. И что бы услышать такой звук, как на видео, нужно поругаться со всеми соседями с своём доме и в соседних ;)

Оффлайн Log_out

  • Эксперт
  • *****
  • Сообщений: 1162
Re: Supro 1624 + выход на 6п3с?
« Ответ #9 : Февраля 25, 2013, 10:19:28 »
Только ты должен знать, что он очень громкий, как и все усилители той эпохи. И что бы услышать такой звук, как на видео, нужно поругаться со всеми соседями с своём доме и в соседних ;)
а то :D :D Собирал 5Е3, до открытых боестолкновений с соседями ещё не дошло, но по батарее стучат регулярно :) Я даже атенюатор AirBrake собрал по такому случаю

Оффлайн runing

  • Живу на форуме
  • *******
  • Сообщений: 12572
  • Киев
Re: Supro 1624 + выход на 6п3с?
« Ответ #10 : Февраля 25, 2013, 10:21:59 »
Я даже атенюатор AirBrake собрал по такому случаю

Тогда другое дело ;)

Оффлайн Log_out

  • Эксперт
  • *****
  • Сообщений: 1162
Re: Supro 1624 + выход на 6п3с?
« Ответ #11 : Февраля 25, 2013, 10:33:30 »
меня только немного смущают номиналы керамических конденсаторов 0,05 мкФ, в этой схеме. Такие трудно найти, максимум 0,01 мкФ в продаже, параллелить придётся.

Оффлайн runing

  • Живу на форуме
  • *******
  • Сообщений: 12572
  • Киев
Re: Supro 1624 + выход на 6п3с?
« Ответ #12 : Февраля 25, 2013, 11:03:52 »
меня только немного смущают номиналы керамических конденсаторов 0,05 мкФ, в этой схеме. Такие трудно найти, максимум 0,01 мкФ в продаже, параллелить придётся.

Это ты просто ещё искать не начинал. Садишься за комп, отставляешь пиво, и внимательно просматриваешь E-bay. Ты же выбрал старую схему, значит и детали нужно искать NOS ;)

http://www.ebay.com/itm/10-capacitors-Sprague-5GAS20-ceramic-disc-02mfd-1000vdc-02-mfd-1kv-20-NEW-/181087119668?pt=LH_DefaultDomain_0&hash=item2a29a22934

http://www.ebay.com/itm/15x-0-1uF-100nf-104-500V-Ceramic-Disc-Capacitor-e-/160964233734?pt=LH_DefaultDomain_0&hash=item257a374a06

Оффлайн bottle

  • Ветеран форума
  • ******
  • Сообщений: 6388
  • решил включить дурачка
Re: Supro 1624 + выход на 6п3с?
« Ответ #13 : Февраля 25, 2013, 11:18:46 »
...
Звук у Supro 6420 Thunderbolt тоже правильный, если судить по ютубу :) :)
...
Прикольно! Хочу такое.
Я правильно понимаю, с делителем перед 3-м каскадом придется посидеть, подгоняя амплитуду на выходе так, чтоб было похоже на верхнее плечо оконечника?

Оффлайн runing

  • Живу на форуме
  • *******
  • Сообщений: 12572
  • Киев