Автор Тема: Supro 1624 + выход на 6п3с?  (Прочитано 9481 раз)

0 Пользователей и 1 Гость просматривают эту тему.

Оффлайн runing

  • Живу на форуме
  • *******
  • Сообщений: 12572
  • Киев
Re: Supro 1624 + выход на 6п3с?
« Ответ #45 : Февраля 27, 2013, 08:26:29 »
А если фиксированное смещение изобразить?

Ты вообще то что собираешь? Тебе абсолютно всё равно как будет в результате звучать?

Оффлайн SBB

  • Завсегдатай
  • ***
  • Сообщений: 308
Re: Supro 1624 + выход на 6п3с?
« Ответ #46 : Февраля 27, 2013, 09:46:57 »
ykurilo,  А ты кенотрон будешь ставить?

Оффлайн ykurilo Автор темы

  • Завсегдатай
  • ***
  • Сообщений: 439
Re: Supro 1624 + выход на 6п3с?
« Ответ #47 : Февраля 27, 2013, 17:25:25 »
Ты вообще то что собираешь? Тебе абсолютно всё равно как будет в результате звучать?
Собираю ламповый усилитель по мотивам схемы Супро1624т... а что я разделом форума ошибся? :hmmm: Как будет звучать усилитель в итоге мне не все равно, хотя я понимаю что на той элементной базе, что есть у меня ,оригинального звука мне вряд ли добиться :( А если я сделаю фиксированное вместо авто-смещения это так критично?
ykurilo,  А ты кенотрон будешь ставить?
Вот с кенотроном пока не ясно, силовик придется мотать самому и есть сомнения в том поместятся ли все обмотки (ведь 6п3с надо отдельные 270в на вторые сетки помимо 350 в на аноды см. вторую схему топика) Боюсь ,что придется делать диодное питание... Короче, РАНИНГ и другие гуру данного форума вряд ли примут меня в свой клуб ... :)Но я не особенно расстраиваюсь из-за этого, тем более и банковской платежной карточки у меня нет :pozor:

Оффлайн runing

  • Живу на форуме
  • *******
  • Сообщений: 12572
  • Киев
Re: Supro 1624 + выход на 6п3с?
« Ответ #48 : Февраля 27, 2013, 18:20:04 »
Собираю ламповый усилитель по мотивам схемы Супро1624т...

Ну так и собирай по мотивам схемы. Где ты в схеме Супро1624т видел фиксированное смещение?
Это совершенно другая схема, не имеющая ничего общего по звучанию с тем, на что ты нацелился.

А если я сделаю фиксированное вместо авто-смещения это так критично?

Даже если ты соберёшь два абсолютно одинаковых усилителя, на абсолютно одинаковых компонентах, но с разным типом смещения, звучать они будут по разному.
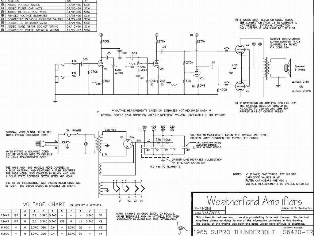
На мой взгляд логично было бы при использовании в оконечнике ламп 6П3С, выполнить выходной каскад как в модели Supro 6420 Thunderbolt, который на 6L6. А пред с тремоло от своей модели.


Вот с кенотроном пока не ясно, силовик придется мотать самому и есть сомнения в том поместятся ли все обмотки (ведь 6п3с надо отдельные 270в на вторые сетки помимо 350 в на аноды см. вторую схему топика)

Не нужно отдельной обмотки для вторых сеток. Подключай их как в тут, только через резисторы 470-ом и всё.


Короче, РАНИНГ и другие гуру данного форума вряд ли примут меня в свой клуб ... :) Но я не особенно расстраиваюсь из-за этого, тем более и банковской платежной карточки у меня нет

Ничего не понятно. Нет у меня никакого клуба и тем более меня не интересует твоя банковская карточка. Если у тебя есть деньги, которыми ты хочешь поделиться, то я предпочту наличные  ;D

Оффлайн SBB

  • Завсегдатай
  • ***
  • Сообщений: 308
Re: Supro 1624 + выход на 6п3с?
« Ответ #49 : Февраля 27, 2013, 18:57:34 »
Вот с кенотроном пока не ясно, силовик придется мотать самому и есть сомнения в том поместятся ли все обмотки (ведь 6п3с надо отдельные 270в на вторые сетки помимо 350 в на аноды см. вторую схему топика) Боюсь ,что придется делать диодное питание...

Кенотрон нужен обязательно, это часть звука этого усилителя. Обмотку на вторые сетки не надо. Сделай оконечный каскад с автосмещением как в Supro 6420 Thunderbolt  . Впрочем runing,  писал об этом.

Оффлайн ykurilo Автор темы

  • Завсегдатай
  • ***
  • Сообщений: 439
Re: Supro 1624 + выход на 6п3с?
« Ответ #50 : Февраля 27, 2013, 19:25:26 »
Ну так и собирай по мотивам схемы. Где ты в схеме Супро1624т видел фиксированное смещение?
Это совершенно другая схема, не имеющая ничего общего по звучанию с тем, на что ты нацелился.

Даже если ты соберёшь два абсолютно одинаковых усилителя, на абсолютно одинаковых компонентах, но с разным типом смещения, звучать они будут по разному.
На мой взгляд логично было бы при использовании в оконечнике ламп 6П3С, выполнить выходной каскад как в модели Supro 6420 Thunderbolt, который на 6L6. А пред с тремоло от своей модели.


Не нужно отдельной обмотки для вторых сеток. Подключай их как в тут, только через резисторы 470-ом и всё.


Ничего не понятно. Нет у меня никакого клуба и тем более меня не интересует твоя банковская карточка. Если у тебя есть деньги, которыми ты хочешь поделиться, то я предпочту наличные  ;D
Я же говорю,что уже спаял плату по схеме 1624 ??? попробую с этим предом и фазиком, если не понравится перепаяю по Тандерболту.
По поводу питания вторых сеток 6п3с не совсем понятно твое предложение подключить, как ты предлагаешь...Здесь разница в напряжении между анодным и вторыми сетками-5 вольт,что хорошо 6L6. А для 6п3с .требуется около 80-90 в. см.вторую схему топика, она выложена была на форуме ГитарГир, там еще целая дискуссия на эту тему была.
Насчет банковской карточки-забей, это была неудачная шутка.По хорошему завидую твоей возможности закупаться на Тубдепоте и прочих их сайтах...

Оффлайн Ден2

  • Ветеран форума
  • ******
  • Сообщений: 4278
Re: Supro 1624 + выход на 6п3с?
« Ответ #51 : Февраля 27, 2013, 19:30:06 »
Цитировать
Здесь разница в напряжении между анодным и вторыми сетками-5 вольт,что хорошо 6L6. А для 6п3с .требуется около 80-90 в. см.вторую схему топика, она выложена была на форуме ГитарГир, там еще целая дискуссия на эту тему была.

Не читайте на ночь советских газет;) Делай как runing сказал, и всё в порядке будет. Живое тому подтверждение на 6П3С у коллеги уже несколько месяцев играет.

Более того, даже если ты в обвязку по родной схеме вместо оригинальных оконечных ламп воткнёшь 6П3С, изменив только катодный резистор - даже в этом случае всё будет работать адекватно и надёжно.
« Последнее редактирование: Февраля 27, 2013, 19:32:03 от Ден2 »

Оффлайн ykurilo Автор темы

  • Завсегдатай
  • ***
  • Сообщений: 439
Re: Supro 1624 + выход на 6п3с?
« Ответ #52 : Февраля 27, 2013, 19:47:10 »
Спасибо за совет, попробую и так...
Что бы не быть голословным,вот http://guitar-gear.ru/forum/topic/2300-marshall-jcm-800-%D0%BE%D0%B1%D0%BD%D0%BE%D0%B2%D0%B8%D0%BB-%D1%82%D0%BE%D0%BF%D0%B8%D0%BA/ там где-то в середине обсуждается подключение 6п3с

Оффлайн runing

  • Живу на форуме
  • *******
  • Сообщений: 12572
  • Киев
Re: Supro 1624 + выход на 6п3с?
« Ответ #53 : Февраля 27, 2013, 20:34:00 »
Что бы не быть голословным, вот

Видишь ли, есть так называемые любители собирать ламповые усилители, которые в свою очередь делятся на два подвида: одни их собирают для прослушивания аудио, другие собирают гитарные усилители. Так вот и те и другие крутят пальцем у виска глядя на схемы друг друга  ;D
Если тебя интересует гитарный усилитель, изучай соответствующие схемы и обращай внимания на режимы и способы включения ламп.

И как правильно заметил Ден2, не читай то, что не относится к делу. Когда "крутой аудиофил" берется разработать и собрать гитарный усилитель, я ещё не разу на видел и не слышал приемлемого результата. Хотя эти люди хорошо разбираются в ламповой схемотехнике  :pardon:

Оффлайн ra6da

  • Завсегдатай
  • ***
  • Сообщений: 338
Re: Supro 1624 + выход на 6п3с?
« Ответ #54 : Февраля 27, 2013, 20:49:15 »
если бы выключатель стоял параллельно джеку под футсвич, тогда понятно что он для ручного включения тремоло, почему и спросил...
"Если бы выключатель стоял параллельно джеку под футсвич", то футсвич стал бы неотъемлимой частью твоего усилителя... а выключатель лишней деталькой для большей солидности.. ;)

Оффлайн ykurilo Автор темы

  • Завсегдатай
  • ***
  • Сообщений: 439
Re: Supro 1624 + выход на 6п3с?
« Ответ #55 : Февраля 27, 2013, 20:49:59 »
Видишь ли, есть так называемые любители собирать ламповые усилители, которые в свою очередь делятся на два подвида: одни их собирают для прослушивания аудио, другие собирают гитарные усилители. Так вот и те и другие крутят пальцем у виска глядя на схемы друг друга  ;D
Если тебя интересует гитарный усилитель, изучай соответствующие схемы и обращай внимания на режимы и способы включения ламп.

И как правильно заметил Ден2, не читай то, что не относится к делу. Когда "крутой аудиофил" берется разработать и собрать гитарный усилитель, я ещё не разу на видел и не слышал приемлемого результата. Хотя эти люди хорошо разбираются в ламповой схемотехнике  :pardon:
Мне остается лишь поверить  на слово...Еще раз спасибо за подсказки :)

... и добавил:

"Если бы выключатель стоял параллельно джеку под футсвич", то футсвич стал бы неотъемлимой частью твоего усилителя... а выключатель лишней деталькой для большей солидности.. ;)
Просто встречал схемы тремоло, где переключатель менял характер звучания, а не просто включал и выключал тремоло, почему и спросил
« Последнее редактирование: Февраля 27, 2013, 20:55:02 от ykurilo »

Оффлайн ra6da

  • Завсегдатай
  • ***
  • Сообщений: 338
Re: Supro 1624 + выход на 6п3с?
« Ответ #56 : Февраля 27, 2013, 21:07:23 »
Просто встречал схемы тремоло, где переключатель менял характер звучания, а не просто включал и выключал тремоло, почему и спросил
Ты хотел тумблер выключения тремоло поставить параллельно джеку футсвича, о характере звучания речи не было. Я тебя предостерёг, так так в этом случае без футсвича тремоло будет не отключаемым и из "любимого" быстро станет ненавистным...

Оффлайн runing

  • Живу на форуме
  • *******
  • Сообщений: 12572
  • Киев
Re: Supro 1624 + выход на 6п3с?
« Ответ #57 : Февраля 27, 2013, 21:08:20 »
Мне остается лишь поверить  на слово...

Ну почему же? Ты же занимаешься сборкой, значит сможешь всё проверить на практике  ???
Кстати, кенотрон я бы тоже рекомендовал использовать.

Оффлайн ykurilo Автор темы

  • Завсегдатай
  • ***
  • Сообщений: 439
Re: Supro 1624 + выход на 6п3с?
« Ответ #58 : Февраля 27, 2013, 21:17:17 »
Ну почему же? Ты же занимаешься сборкой, значит сможешь всё проверить на практике  ???
Кстати, кенотрон я бы тоже рекомендовал использовать.
Собирал и с кеном и на диодах, если откровенно то заметной разницы звучания не ощутил, может у меня что-то со слухом не в порядке(к докторам не посылайте, я их не очень люблю)
Ты хотел тумблер выключения тремоло поставить параллельно джеку футсвича, о характере звучания речи не было. Я тебя предостерёг, так так в этом случае без футсвича тремоло будет не отключаемым и из "любимого" быстро станет ненавистным...
Я имел в виду гнездо для фут-свитча
« Последнее редактирование: Февраля 27, 2013, 21:20:07 от ykurilo »

Оффлайн ykurilo Автор темы

  • Завсегдатай
  • ***
  • Сообщений: 439
Re: Supro 1624 + выход на 6п3с?
« Ответ #59 : Марта 21, 2013, 22:10:35 »
Собрал этот усилитель с 6п3с на выходе,вторые сетки через резисторы 470 ом. Все завелось с первого раза, не фонит ,не шипит, звук в основном чистый ,при повороте ручки громкости где то процентов на 80 начинает кранчить, но предыдущий мой усилитель по схеме ДеЛюкс 5Е3 на 6п6с звучит и громче этого и подгружаться начинает гораздо раньше. И собирал еще раньше 800 тоже с 6п3с с таким же выходным трансом, так тот вообще очень громко звучал, правда там питание вторых сеток было от отдельной обмотки и анодное было на первом плюсе больше где то 360 в, здесь около 325 получилось. Фазик по другой схеме? Лампы тоже 6п3с, но другие? Анодное меньше нормы? Подскажите пожалуйста где искать причину недостаточной выходной мощности....детали перед установкой проверял, паял по лейке.
И еще такая хрень, если первый канал работает нормально, то второй звучит нормально только с включенным тремоло или если отпаять провод соединяющий точки С по схеме (катоды ламп преда и тремоло). Если включить питание с выключенным тремоло то пару секунд усилитель звучит громко, затем плавно уменьшается практически до нуля.Где рыть, монтаж проверял, вроде бы ошибок нет.