Автор Тема: Switched Jacks в кабинетах  (Прочитано 1020 раз)

0 Пользователей и 1 Гость просматривают эту тему.

Оффлайн Gunpowder Автор темы

  • Эксперт
  • *****
  • Сообщений: 1096
Switched Jacks в кабинетах
« : Декабря 30, 2011, 13:45:55 »
Подскажите, плз, допустимо ли использование Switched Jacks (типа такого) при коммутации кабинетов с точки зрения подводимой мощности, надежности.

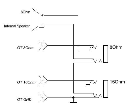
Зачем оно надо? Ну, например, автоотключение внутреннего динамика комбо при подключении внешнего кабинета:



Или последовательное соединение кабинетов на терминале одного из кабинетов:




Оффлайн AZG

  • Живу на форуме
  • *******
  • Сообщений: 95664
  • Санкт-Петербург
    • AZG CUSTOM
Re: Switched Jacks в кабинетах
« Ответ #1 : Декабря 30, 2011, 15:36:12 »
Более чем, притом 90% производителей именно такие и ставят. Мощности обычно не более 100-120 ватт. При мощностях более 200 ватт я бы ставил спикон.

Да, Клифф не очень рекомендую. Постоянно с ними сталкиваюсь - усталость металла. Потихоньку пропадает соединение отключаемой части. В этом отношении Амфенолы, Нойтрики и соответственно Реан сильно лучше. Я Реан пользую в хвост и гриву - очень хороши!

Оффлайн oxigen

  • Эксперт
  • *****
  • Сообщений: 1410
  • Если нельзя, но очень хочется, то можно
Re: Switched Jacks в кабинетах
« Ответ #2 : Декабря 30, 2011, 15:49:43 »
Gunpowder, Я такое в 5ти ваттнике применил. Большую мощность так коммутировать точно бы не стал, поставил бы переключатель. Вспомни сколько встречается раздолбанных входных разъемов, а там мизерные токи.
Вот ответили и более опытные пока набирал.
« Последнее редактирование: Декабря 30, 2011, 15:53:30 от oxigen »

Оффлайн Gunpowder Автор темы

  • Эксперт
  • *****
  • Сообщений: 1096
Re: Switched Jacks в кабинетах
« Ответ #3 : Декабря 30, 2011, 15:56:43 »
Ок, понял. Спасибо!

Еще вопрос. Что предпочтительнее: использовать на самих динах пайку или клеммовое соединение проводов. У буржуев это называется "quick disconnect terminal":



Оффлайн runing

  • Живу на форуме
  • *******
  • Сообщений: 12572
  • Киев
Re: Switched Jacks в кабинетах
« Ответ #4 : Декабря 30, 2011, 15:59:53 »
Пайка всегда надёжнее, тем более если не будешь трижды в день менять динамики :)

Оффлайн Gunpowder Автор темы

  • Эксперт
  • *****
  • Сообщений: 1096
Re: Switched Jacks в кабинетах
« Ответ #5 : Декабря 30, 2011, 16:05:10 »
Логично, спасибо! С другой стороны место под небольшой но вибрацией, оттого и вопрос возник.

Оффлайн AZG

  • Живу на форуме
  • *******
  • Сообщений: 95664
  • Санкт-Петербург
    • AZG CUSTOM
Re: Switched Jacks в кабинетах
« Ответ #6 : Декабря 30, 2011, 16:09:08 »
Gunpowder, Динамики лучше паять.

oxigen, Раздолбанные бывают из-за качества самих разъемов. У одних пластмасса уг, у других, как у Клиффов, металл слабый. Реаны ставлю уже лет 10. Старые приборы приходят на обслуживание - все живые и держат хорошо.

Оффлайн Gunpowder Автор темы

  • Эксперт
  • *****
  • Сообщений: 1096
Re: Switched Jacks в кабинетах
« Ответ #7 : Декабря 30, 2011, 16:11:24 »
Ок, риспект!

Оффлайн runing

  • Живу на форуме
  • *******
  • Сообщений: 12572
  • Киев
Re: Switched Jacks в кабинетах
« Ответ #8 : Декабря 30, 2011, 16:16:23 »
Реаны ставлю уже лет 10. Старые приборы приходят на обслуживание - все живые и держат хорошо.

А это какие?

Оффлайн oxigen

  • Эксперт
  • *****
  • Сообщений: 1410
  • Если нельзя, но очень хочется, то можно
Re: Switched Jacks в кабинетах
« Ответ #9 : Декабря 30, 2011, 16:33:59 »
AZG, Будь добр напиши название латинскими буквами, не получается найти.

Оффлайн Gunpowder Автор темы

  • Эксперт
  • *****
  • Сообщений: 1096

Оффлайн AZG

  • Живу на форуме
  • *******
  • Сообщений: 95664
  • Санкт-Петербург
    • AZG CUSTOM
Re: Switched Jacks в кабинетах
« Ответ #11 : Декабря 30, 2011, 17:01:56 »
oxigen, Смотри сайт Нойтрика. NYS216, 215, 219, 212.

Оффлайн oxigen

  • Эксперт
  • *****
  • Сообщений: 1410
  • Если нельзя, но очень хочется, то можно
Re: Switched Jacks в кабинетах
« Ответ #12 : Декабря 30, 2011, 17:02:09 »
Gunpowder, Спасибо, буду знать.

... и добавил:

AZG, Спасибо.