Автор Тема: Тёплый, ламповый, домашний.  (Прочитано 647852 раз)

0 Пользователей и 1 Гость просматривают эту тему.

Оффлайн Kulibinbig Автор темы

  • Эксперт
  • *****
  • Сообщений: 1279
  • Эх, играть бы научиться...
Re: Тёплый, ламповый, домашний.
« Ответ #1530 : Августа 22, 2018, 08:05:50 »
Кстати, по поводу контрольных напряжений. После подстроечника должно быть около -10В. Т.е. на узле R19, R21, C14, RP.

Оффлайн Xolst

  • Новичок
  • *
  • Сообщений: 5
Re: Тёплый, ламповый, домашний.
« Ответ #1531 : Августа 22, 2018, 09:00:21 »
Я уже точно не помню (много что и где мерил при настройке и не записывал), но после подстрочника не больше -8 вольт можно было нарулить.
Я ещё все выпрямительные диоды на шоттки заменил и фильтрующие емкости по питанию в два раза больше поставил, но думаю это не должно было повлиять.
Ещё такой вопрос не совсем по теме. У меня звучки на гитаре активные с модом на 18 вольт, но гитару уже года 1,5 не трогал и есть подозрение что батарейки подсели. Может ли из-за этого перегружаться звук? Пробывал на минимуме гейна и мастера всё равно как будто через фуз играешь. Подкинул бас с пассивными звучками вроде чисто.

Оффлайн Kulibinbig Автор темы

  • Эксперт
  • *****
  • Сообщений: 1279
  • Эх, играть бы научиться...
Re: Тёплый, ламповый, домашний.
« Ответ #1532 : Августа 22, 2018, 10:09:20 »
1. С16 поставь такой, как на схеме, не надо там больше.
2. Шоттки - норм. А еще лучше, ультрафасты.
3. Ясен пень, батарейку менять. 100% будет фузить и подгружаться.

Оффлайн Xolst

  • Новичок
  • *
  • Сообщений: 5
Re: Тёплый, ламповый, домашний.
« Ответ #1533 : Августа 22, 2018, 11:00:20 »
Я имел в виду по высокому напряжению, 47мкФ поставил.
С16 как на схеме.
Конечно ультрафасты поставил. С шотками напутал, их и нет на такое напряжение)) UF5408 в высоковольтную часть и UF4007 в смещение.
Ещё думаю как организовать защиту выходного каскада. В Хайоктане вешал 220 Ом параллельно вторичной обмотке выходного, на случай неподключенного динамика. Предусмотрел место под установку гирлянды диодов с земли на контакты 1, 6 лампы, как в двухтактах брендовых аппаратов. Хочется полностью защитится от дурака)

Оффлайн uzerPRO

  • Ветеран форума
  • ******
  • Сообщений: 3546
    • Гитарные видео: паяем примочки, тесты, обзоры и тп

Оффлайн Kulibinbig Автор темы

  • Эксперт
  • *****
  • Сообщений: 1279
  • Эх, играть бы научиться...
Re: Тёплый, ламповый, домашний.
« Ответ #1535 : Августа 22, 2018, 11:52:38 »
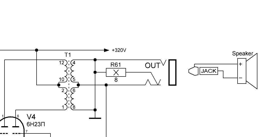
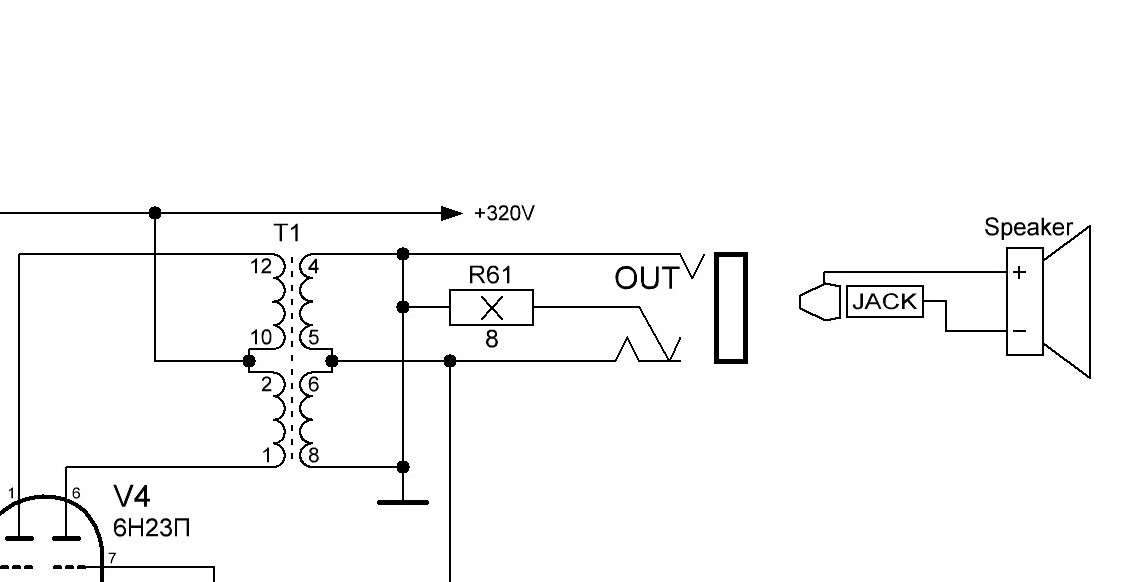
Хочется полностью защитится от дурака)
На выходное гнездо, на размыкающиеся контакты резистор 8,2 Ом 7 и более Ватт. Вот и вся защита.
http://www.youtube.com/watch?v=0XRYHpbEXgg
КРАСОТАААААА!!!

... и добавил:

Хочется полностью защитится от дурака)
Как то так:
« Последнее редактирование: Августа 22, 2018, 12:05:10 от Kulibinbig »

Оффлайн kot-perm

  • Завсегдатай
  • ***
  • Сообщений: 397
Re: Тёплый, ламповый, домашний.
« Ответ #1536 : Августа 22, 2018, 13:35:01 »
Попал в руки vox vt 20+
Не рабочий! Впервые вокс сломанный вижу, залез, искал косяк и ска все норм, звук через Aux усиливает, в через гитарный вход ни в дин ни в наушники не поёт, разъёмы глянул. Сижу думаю... Задербанить и сделать прям ламповый комбик без ничего или ещё пошаманить...

Оффлайн Kulibinbig Автор темы

  • Эксперт
  • *****
  • Сообщений: 1279
  • Эх, играть бы научиться...
Re: Тёплый, ламповый, домашний.
« Ответ #1537 : Августа 22, 2018, 13:37:43 »
Был одно время vox vt 40+ . То еще г.... Я б не стал ковыряться. Собери на 2х 6V6 и будет счастье.

... и добавил:

Для AZG.
« Последнее редактирование: Августа 22, 2018, 19:26:01 от Kulibinbig »

Оффлайн _an_

  • Новичок
  • *
  • Сообщений: 21
  • GuitarPlayer.Ru fan!
Re: Тёплый, ламповый, домашний.
« Ответ #1538 : Августа 23, 2018, 09:33:56 »
Начал собирать 44й. С деталями проблема, поэтому в сетки и катоды поставил резисторы на 1\4 ватта. Если есть критичные места, то подскажите где обязательно ставить 1\2 ватта. Пот С25к не нашел, зато нашел С50к. Если подпереть резюком в 24к получится нормальный диапазон регулировки или лучше линейный поставить? С LND150 тоже засада, хочу сделать петлю на лампе. Если не сложно, подкиньте подходящую схему

Оффлайн Kulibinbig Автор темы

  • Эксперт
  • *****
  • Сообщений: 1279
  • Эх, играть бы научиться...
Re: Тёплый, ламповый, домашний.
« Ответ #1539 : Августа 23, 2018, 09:53:05 »
Начал собирать 44й. С деталями проблема, поэтому в сетки и катоды поставил резисторы на 1\4 ватта. Если есть критичные места, то подскажите где обязательно ставить 1\2 ватта. Пот С25к не нашел, зато нашел С50к. Если подпереть резюком в 24к получится нормальный диапазон регулировки или лучше линейный поставить? С LND150 тоже засада, хочу сделать петлю на лампе. Если не сложно, подкиньте подходящую схему
Все резисторы, кроме тех, что в анодном питании можно 0,25 ставить. Про пот - надо пробовать. LND150 - вааще не проблема. Вот в наличии.  http://diy-tubes.ru/index.php?route=product/search&filter_name=LND150   Не надо там ламповую петлю. На ЛНД ОЧЕНЬ адекватно и хорошо и + к этому, ламповая петля у тебя изменит звук. А лнд не красит практически. + транс силовой к ламповой петле поболее надо. ЛНД рулит, очень хороша, опробована сотни раз сотнями людей. С закрытыми глазами ты хрен отличишь ламповую от лндшной. Вообще многие из компонентов есть на diy-tubes.ru , особенно хитрый кондер в 500 пик в петле.

Оффлайн AZG

  • Живу на форуме
  • *******
  • Сообщений: 95681
  • Санкт-Петербург
    • AZG CUSTOM
Re: Тёплый, ламповый, домашний.
« Ответ #1540 : Августа 23, 2018, 10:00:20 »
На презенс можно смело С10К, В10К, В20К, В25К из доступного. У линейных диапазон будет ближе к максимуму. Обратный логарифм тем и хорош, что растягивает шкалу. Логарифм сюда нельзя. С50К тоже ОК, в параллель подобрать резистор чтобы шкала была адекватная. Я ставил 47К.

Петля - так просто меняем ЛНД на лампу и все будет ОК. Изменения простые, убираем стабилитроны и в катоде Ретурна резистор на 2к2-4к7, подобрать по требуемому усилению.

Оффлайн Darksid

  • Эксперт
  • *****
  • Сообщений: 1198
  • Паяю не спеша для души.....
Re: Тёплый, ламповый, домашний.
« Ответ #1541 : Августа 23, 2018, 14:23:49 »
Пот С25к насколько помню заказывал у Ерасова там же и выходник.Остальное в Диай и Чипе.

Оффлайн Kulibinbig Автор темы

  • Эксперт
  • *****
  • Сообщений: 1279
  • Эх, играть бы научиться...
Re: Тёплый, ламповый, домашний.
« Ответ #1542 : Августа 23, 2018, 14:34:48 »
Пот С25к насколько помню заказывал у Ерасова там же и выходник.Остальное в Диай и Чипе.
Кончились у Ерасова. Да и из за нескольких потов у Ерасова заказ оформлять.....

Оффлайн Darksid

  • Эксперт
  • *****
  • Сообщений: 1198
  • Паяю не спеша для души.....
Re: Тёплый, ламповый, домашний.
« Ответ #1543 : Августа 23, 2018, 18:02:43 »
Мне в основном выходник был нужен пот до кучи зацепил на тот момент.

Оффлайн Kulibinbig Автор темы

  • Эксперт
  • *****
  • Сообщений: 1279
  • Эх, играть бы научиться...
Re: Тёплый, ламповый, домашний.
« Ответ #1544 : Августа 23, 2018, 18:18:16 »
Нашел поты с25к в микронике.