Автор Тема: Тёплый, ламповый, домашний.  (Прочитано 647155 раз)

0 Пользователей и 2 Гостей просматривают эту тему.

Оффлайн Alex_SG

  • Живу на форуме
  • *******
  • Сообщений: 7526
  • хейтер и пессимист :crazy:
Re: Тёплый, ламповый, домашний.
« Ответ #5340 : Ноября 01, 2023, 12:59:51 »
Spero_In_Inteligo, Чего маловато то? Вопрос цены того LDO. Можно и на 0,2в падения найти если денег лишних много.
Но проще взять что-то недорогое и приспособить к нему внешний полевик, обретя тем самым счастье и душевный покой :)

Оффлайн Spero_In_Inteligo

  • Живу на форуме
  • *******
  • Сообщений: 8950
  • Код пишу, на досуге на проволоку нажимаю.
Re: Тёплый, ламповый, домашний.
« Ответ #5341 : Ноября 01, 2023, 13:01:04 »
Spero_In_Inteligo, Чего маловато то? Вопрос цены того LDO. Можно и на 0,2в падения найти если денег лишних много.
Но проще взять что-то недорогое и приспособить к нему внешний полевик, обретя тем самым счастье и душевный покой :)

1. Не встречал, из доступных.
2. Можно кинуть в меня схемой? :rolleyes: ;D

Оффлайн Alex_SG

  • Живу на форуме
  • *******
  • Сообщений: 7526
  • хейтер и пессимист :crazy:
Re: Тёплый, ламповый, домашний.
« Ответ #5342 : Ноября 01, 2023, 13:07:47 »
1. Не встречал, из доступных.
Естественно, о чём я и сказал  8)

2. Можно кинуть в меня схемой? :rolleyes: ;D
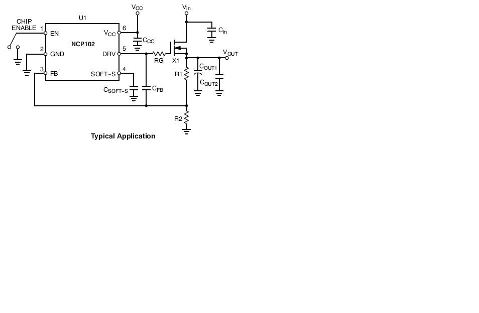
Да легко
https://www.google.com/search?q=ldo+external+fet
https://www.onsemi.com/products/power-management/linear-regulators-ldo/NCP102#overview
https://www.onsemi.com/download/drawing-application-diagram/jpg/ncp102_ad.jpg
Ну и ещё мильён подобных, но принцип, думаю понятен

Оффлайн Spero_In_Inteligo

  • Живу на форуме
  • *******
  • Сообщений: 8950
  • Код пишу, на досуге на проволоку нажимаю.
Re: Тёплый, ламповый, домашний.
« Ответ #5343 : Ноября 01, 2023, 13:09:34 »
Естественно, о чём я и сказал  8)
Да легко
https://www.google.com/search?q=ldo+external+fet
https://www.onsemi.com/products/power-management/linear-regulators-ldo/NCP102#overview
https://www.onsemi.com/download/drawing-application-diagram/jpg/ncp102_ad.jpg
Ну и ещё мильён подобных, но принцип, думаю понятен

Да разберусь далее) Главное понятно что искать.

Оффлайн Сергей Рубцов

  • Частый посетитель
  • **
  • Сообщений: 181
  • GuitarPlayer.Ru fan!
Re: Тёплый, ламповый, домашний.
« Ответ #5344 : Ноября 01, 2023, 14:08:29 »
Spero_In_Inteligo, Alex_SG - это вы о чём? Что, нельзя низкоомными сопротивлениями снизить переменку и постоянку до требуемых 6,3В напряжения накала?

Оффлайн Spero_In_Inteligo

  • Живу на форуме
  • *******
  • Сообщений: 8950
  • Код пишу, на досуге на проволоку нажимаю.
Re: Тёплый, ламповый, домашний.
« Ответ #5345 : Ноября 01, 2023, 14:09:03 »
Spero_In_Inteligo, Alex_SG - это вы о чём? Что, нельзя низкоомными сопротивлениями снизить переменку и постоянку до требуемых 6,3В напряжения накала?

Про стабилизацию накала, выпрямленного.

Оффлайн Alex_SG

  • Живу на форуме
  • *******
  • Сообщений: 7526
  • хейтер и пессимист :crazy:
Re: Тёплый, ламповый, домашний.
« Ответ #5346 : Ноября 01, 2023, 14:13:04 »
Сергей Рубцов, Если не нужна стабилизация, то можно и сопротивлениями и виток лишний с обмотки смотать, да и от выпрямления накала отказаться.
Если нужен реально хайгейн, то вылезают вот эти все выверты со стабилизацией выпрямленного и вот это вот всё ???

Оффлайн Balandin

  • Завсегдатай
  • ***
  • Сообщений: 281
Re: Тёплый, ламповый, домашний.
« Ответ #5347 : Ноября 01, 2023, 14:13:55 »
Сеогей Рубцов, можно домотать первичку на силовом трансформаторе. То, что мост греется, ничего страшного не вижу, я поставил KBL610, 6 амперный, запас по току в 6 раз, более чем достаточно, если снизим нагрев, то напряжение накала еще более вырастет

Оффлайн Spero_In_Inteligo

  • Живу на форуме
  • *******
  • Сообщений: 8950
  • Код пишу, на досуге на проволоку нажимаю.
Re: Тёплый, ламповый, домашний.
« Ответ #5348 : Ноября 01, 2023, 14:17:29 »
Alex_SG, а вот если не транс курочить, то с чего интереснее электричество в тепло переводить - с радиатора стаба или с резисторов ?

Можно список умозрительных +/- накидать за оба варианта... ???

Оффлайн Alex_SG

  • Живу на форуме
  • *******
  • Сообщений: 7526
  • хейтер и пессимист :crazy:
Re: Тёплый, ламповый, домашний.
« Ответ #5349 : Ноября 01, 2023, 14:21:36 »
Spero_In_Inteligo, Если цель согреться зимним вечером - то разницы нет никакой :)
Если нужно тупо понизить переменку не ломая трансформатор, то очевидное и простейшее решение естественно резистор.
Если паримся с хайгейном, с выпрямлением накала, то очевидно, что излишек напряжения гасить разумнее стабилизатором для пущей фильтрации.

Ну а если у нас транс впритык по мощности и в тепло её тратить ну совсем не хочется, то тут деваться некуда и придётся делать импульсный стабилизатор.
Но лучше на трансформаторе не экономить  8)

Оффлайн Spero_In_Inteligo

  • Живу на форуме
  • *******
  • Сообщений: 8950
  • Код пишу, на досуге на проволоку нажимаю.
Re: Тёплый, ламповый, домашний.
« Ответ #5350 : Ноября 01, 2023, 14:23:35 »
Spero_In_Inteligo, Если цель согреться зимним вечером - то разницы нет никакой :)
Если нужно тупо понизить переменку не ломая трансформатор, то очевидное и простейшее решение естественно резистор.
Если паримся с хайгейном, с выпрямлением накала, то очевидно, что излишек напряжения гасить разумнее стабилизатором для пущей фильтрации.

Ну а если у нас транс впритык по мощности и в тепло её тратить ну совсем не хочется, то тут деваться некуда и придётся делать импульсный стабилизатор.
Но лучше на трансформаторе не экономить  8)

а... я в свое время имел еще соображение на тему напряжения в розетке и стабилизации накала. ???

правда для мелких ламп не сильно актуально, а в мощнике токи большие

Оффлайн Alex_SG

  • Живу на форуме
  • *******
  • Сообщений: 7526
  • хейтер и пессимист :crazy:
Re: Тёплый, ламповый, домашний.
« Ответ #5351 : Ноября 01, 2023, 14:31:38 »
я в свое время имел еще соображение на тему напряжения в розетке и стабилизации накала. ???
Если отклонения в розетке находятся в пределах, описанных в "ГОСТ 29322-92 (МЭК 38-83) Стандартные напряжения" то по накалу для любых ламп, хоть мелких, хоть мощных, ничего криминального не появится и беспокоиться по этому поводу не стоит.
Если отклонения сильно превышают заданные в стандарте, тогда надо во первых сильно трясти поставщика электричества, а во вторых, если из него кроме песка ничего не вытряхивается, приобретать стабилизатор для питания усилителя.

А вот в самом усилителе всякие стабилизаторы уместны (по моему личному мнению) только в случае когда нам реально надо накал стаблизированной постоянкой в случае дикого хайгейна или большого числа каскадов усиления например.

Оффлайн Сергей Рубцов

  • Частый посетитель
  • **
  • Сообщений: 181
  • GuitarPlayer.Ru fan!
Re: Тёплый, ламповый, домашний.
« Ответ #5352 : Ноября 01, 2023, 14:43:26 »
Ваши ответы, в теории конечно, хороши! Вот только применительно к моему случаю предполагаю: переменку понизить пятиватниками от 0,15 Ом до 0,33 Ом, а постоянку диодом типа 10А10 с выносом после С43 на корпус с креплением для теплоотвода.

... и добавил:

Balandin, а как у вас продвигаются дела? Судя по вашим фото, силовой транс выдает 1,6А по линии 6,3В, не мало?
« Последнее редактирование: Ноября 01, 2023, 14:54:05 от Сергей Рубцов »

Оффлайн Alex_SG

  • Живу на форуме
  • *******
  • Сообщений: 7526
  • хейтер и пессимист :crazy:
Re: Тёплый, ламповый, домашний.
« Ответ #5353 : Ноября 01, 2023, 15:03:19 »
постоянку диодом типа 10А10
Ну можно конечно и диодом просадить постоянку, только вот греться то он будет никак не меньше резистора во первых, во вторых падение напряжения на диоде зависит от тока через него, только не линейно в отличие от резистора. Смотрим даташит:
https://static.chipdip.ru/lib/439/DOC030439671.pdf


Оффлайн Balandin

  • Завсегдатай
  • ***
  • Сообщений: 281
Re: Тёплый, ламповый, домашний.
« Ответ #5354 : Ноября 01, 2023, 17:10:56 »
Balandin, а как у вас продвигаются дела? Судя по вашим фото, силовой транс выдает 1,6А по линии 6,3В, не мало?
6н2п 3шт х 340ма, 6н23п 1 шт х 310ма, итого 1.33а.