Автор Тема: Тёплый, ламповый, домашний.  (Прочитано 647414 раз)

0 Пользователей и 1 Гость просматривают эту тему.

Оффлайн trengtor

  • Ветеран форума
  • ******
  • Сообщений: 4843
  • Диванный блюз-блендер
    • Ремонт [комбо]усилителей и педалей эффектов, в т.ч. бутиковых
Re: Тёплый, ламповый, домашний.
« Ответ #975 : Апреля 29, 2018, 13:28:54 »
Одно на пару/квартет/октет, если подобранные лампы.

Оффлайн Kulibinbig Автор темы

  • Эксперт
  • *****
  • Сообщений: 1279
  • Эх, играть бы научиться...
Re: Тёплый, ламповый, домашний.
« Ответ #976 : Апреля 29, 2018, 13:30:15 »
А вообще, есть ли толк регулировать отдельно на каждой лампе?

... и добавил:

Чуть попозже перерисую схему.

Оффлайн AZG

  • Живу на форуме
  • *******
  • Сообщений: 95674
  • Санкт-Петербург
    • AZG CUSTOM
Re: Тёплый, ламповый, домашний.
« Ответ #977 : Апреля 29, 2018, 13:44:44 »
AZG, а смещение делать раздельное на каждую лампу, или одно на пару? Лампы буду брать подобранные.

Тут как пожелаешь. И подбор на сколько реально хороший? Я бы сделал все раздельно.

Если хочется поменьше мучений, для начала можно собрать автоматическое смещение. Когда все заработает, переделаешь на фиксу.

Оффлайн Kulibinbig Автор темы

  • Эксперт
  • *****
  • Сообщений: 1279
  • Эх, играть бы научиться...
Re: Тёплый, ламповый, домашний.
« Ответ #978 : Апреля 29, 2018, 13:52:17 »
Тут как пожелаешь. И подбор на сколько реально хороший? Я бы сделал все раздельно.

Если хочется поменьше мучений, для начала можно собрать автоматическое смещение. Когда все заработает, переделаешь на фиксу.
А хрен его знает, насколько хороший. Брать пары буду в диу тубс. И понимаю, что  раздельным можно точнее настроить. А по поводу фиксы и автомата,... Я ж только по готовым схемам могу что то делать, в теории не силен. Лучше буду делать 1 раз, но как надо. Мне бы со схемой все утрясти. А я не до конца понимаю работу смещения.

Оффлайн kot-perm

  • Завсегдатай
  • ***
  • Сообщений: 397
Re: Тёплый, ламповый, домашний.
« Ответ #979 : Апреля 29, 2018, 13:53:55 »
А хрен его знает, насколько хороший. Брать пары буду в диу тубс. И понимаю, что  раздельным можно точнее настроить. А по поводу фиксы и автомата,... Я ж только по готовым схемам могу что то делать, в теории не силен. Лучше буду делать 1 раз, но как надо. Мне бы со схемой все утрясти. А я не до конца понимаю работу смещения.
Разница при раздельном в один лишний пот )

Оффлайн Kulibinbig Автор темы

  • Эксперт
  • *****
  • Сообщений: 1279
  • Эх, играть бы научиться...
Re: Тёплый, ламповый, домашний.
« Ответ #980 : Апреля 29, 2018, 14:42:35 »
 kot-perm, AZG, вы хоть от руки набросайте, как надо в этой схеме сделать, плиз, а то у меня мозгов на это что то не хватает.

Оффлайн AZG

  • Живу на форуме
  • *******
  • Сообщений: 95674
  • Санкт-Петербург
    • AZG CUSTOM
Re: Тёплый, ламповый, домашний.
« Ответ #981 : Апреля 29, 2018, 15:03:16 »
Kulibinbig,  ??? Из описания все понятно же!

Оффлайн Kulibinbig Автор темы

  • Эксперт
  • *****
  • Сообщений: 1279
  • Эх, играть бы научиться...
Re: Тёплый, ламповый, домашний.
« Ответ #982 : Апреля 29, 2018, 15:15:34 »
Kulibinbig,  ??? Из описания все понятно же!
Мега спасибо!!! Теперь дошло.  :pozor:

Оффлайн kot-perm

  • Завсегдатай
  • ***
  • Сообщений: 397
Re: Тёплый, ламповый, домашний.
« Ответ #983 : Апреля 29, 2018, 15:36:58 »
Пока от руки рисовал - AZG уже выложил )  и красивее чем мои кривульки маркером )

Мне тут в руки попал второй такой же кинап ! - сижу думаю че с ним делать, доктора на праздники убегают, два дня свободы )   руки чешутся... Весь в оригинале, слой пыли конский внутри, но мэн сказал что оно работало в пионерском лагере долго.
Может его перепаять по входу шоб все разъемы современные были и вход под гитару - а остальное оставить как есть ?    однотакт под кенотроном )  или добавить лмпу одну и сделать перегруз...
« Последнее редактирование: Апреля 29, 2018, 15:40:52 от kot-perm »

Оффлайн Kulibinbig Автор темы

  • Эксперт
  • *****
  • Сообщений: 1279
  • Эх, играть бы научиться...
Re: Тёплый, ламповый, домашний.
« Ответ #984 : Апреля 29, 2018, 15:45:46 »
Однотакт под перегруз..... Сомнительная затея.

Оффлайн AZG

  • Живу на форуме
  • *******
  • Сообщений: 95674
  • Санкт-Петербург
    • AZG CUSTOM
Re: Тёплый, ламповый, домашний.
« Ответ #985 : Апреля 29, 2018, 15:51:20 »
kot-perm, Перепахивать! В оригинале ловить нечего.

Kulibinbig, Дошло когда я нарисовал диод. Ты же не хочешь представить всю схему целиком.

Теперь еще на счет выпрямления думай. Кен или диоды и от этого будет все остальное зависеть.

... и добавил:

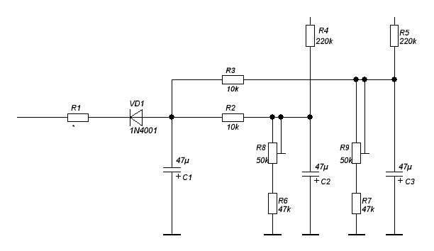
Да, резистор R1 надо будет подобрать на реальном аппарате в зависимости от силовика. И на реальных лампах. Сначала делаем максимальное напряжение и подстроечники на середину. Измеряем ток ламп и подбором R1 добивается относительно близкого значения к требуемому. Далее измеряем получившееся сопротивление и запаиваем близкое из стандартного ряда. Далее уже настраиваем подстроечниками номинальный ток каждой лампы.
« Последнее редактирование: Апреля 29, 2018, 15:53:55 от AZG »

Оффлайн Kulibinbig Автор темы

  • Эксперт
  • *****
  • Сообщений: 1279
  • Эх, играть бы научиться...
Re: Тёплый, ламповый, домашний.
« Ответ #986 : Апреля 29, 2018, 15:54:34 »
Не, не из за диода. Тупил, как разделить регулировки. Будет 5ц3с. Я ж на позапрошлой странице уже полную схему с питанием выложил. Наверняка с ошибками. В том числе и смещение.

Оффлайн trengtor

  • Ветеран форума
  • ******
  • Сообщений: 4843
  • Диванный блюз-блендер
    • Ремонт [комбо]усилителей и педалей эффектов, в т.ч. бутиковых
Re: Тёплый, ламповый, домашний.
« Ответ #987 : Апреля 29, 2018, 16:42:13 »
Kulibinbig, тут дело такое (как вижу). Если это, условно говоря, хайэндовый усилитель – да, можно заморочиться и сделать индивидуальное управление смещением для каждой лампы. Подстраивать потом в процессе эксплуатации и т.п. Для домашнего гитарного – ну, тоже можно, конечно. Но (имхо, опять же) излишество.

Оффлайн Kulibinbig Автор темы

  • Эксперт
  • *****
  • Сообщений: 1279
  • Эх, играть бы научиться...
Re: Тёплый, ламповый, домашний.
« Ответ #988 : Апреля 29, 2018, 16:46:09 »
Kulibinbig, тут дело такое (как вижу). Если это, условно говоря, хайэндовый усилитель – да, можно заморочиться и сделать индивидуальное управление смещением для каждой лампы. Подстраивать потом в процессе эксплуатации и т.п. Для домашнего гитарного – ну, тоже можно, конечно. Но (имхо, опять же) излишество.
Ну, на хайэнд он явно не тянет. Максимум хай фай. Просто теплый усилитель для музыки.

... и добавил:

На данный момент это последний вариант схемы. Жду ваше слово, господа. Где что не так. И по каналу и по БП.




... и добавил:

И повторю один вопрос: нужен ли в этой схеме драйверный каскад, или с RCA сразу на точку In?
« Последнее редактирование: Апреля 29, 2018, 17:24:53 от Kulibinbig »

Оффлайн kot-perm

  • Завсегдатай
  • ***
  • Сообщений: 397
Re: Тёплый, ламповый, домашний.
« Ответ #989 : Апреля 29, 2018, 17:27:08 »
kot-perm, Перепахивать! В оригинале ловить нечего.
Так я один и так пахаю) но второй такой же не осилю, уж тогда что-то другое в него толкать, эти трансы торы никак не лезут в корпус, решил сделать переходную пластину шоб один внутри а второй как бы к днищу и похоже днище резать придётся) ножки удлиннять.
Просто в стандартном объёме прям очень не хорошо - трансы вплотную и к лампе фазика вплотную один...
А второй думаю может вообще сделать оконечником чисто, под педальки всякие... По стопам одного твоего изделия) или наоборот, мега преамп)