Автор Тема: Univox U45B на 6Ф3П, вопрос по приведёнке  (Прочитано 2491 раз)

0 Пользователей и 1 Гость просматривают эту тему.

Оффлайн runing Автор темы

  • Живу на форуме
  • *******
  • Сообщений: 12572
  • Киев
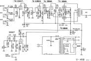
Хочу на макете собрать этот амп. только без тремоло.

Вот схема:

279708-0

Вместо 6ВМ8 наши 6Ф3П
Вместо 6Х4 - 6Ц4П-ЕВ

В качестве выходного транса Hammond 125Е. В нём можно по разному коммутировать первичку выбирая необходимое сопротивление.

http://angela.com/hammonduniversalsingleendedorpush-pulloutputtransformers.aspx

Так вот, в схеме показано 16к приведёнка. Вопрос, в моем случае с лампами 6Ф3П какую лучше выбрать?
А то с этими лампами я что то не могу понять, кто то рекомендует 8к, на гтлабе 6к, в этой схеме 16к  ???

Оффлайн runing Автор темы

  • Живу на форуме
  • *******
  • Сообщений: 12572
  • Киев
Re: Univox U45B на 6Ф3П, вопрос по приведёнке
« Ответ #1 : Июля 26, 2010, 16:21:37 »
Однако сложный вопрос для знатоков форума оказался :(
Приз уходит телезрителю  :crazy:

Оффлайн Gunpowder

  • Эксперт
  • *****
  • Сообщений: 1096
Re: Univox U45B на 6Ф3П, вопрос по приведёнке
« Ответ #2 : Июля 26, 2010, 16:43:02 »
При 400В анодки приведенка должна быть 16к.
8к это при 250-270 В.

Оффлайн runing Автор темы

  • Живу на форуме
  • *******
  • Сообщений: 12572
  • Киев
Re: Univox U45B на 6Ф3П, вопрос по приведёнке
« Ответ #3 : Июля 26, 2010, 16:54:05 »
При 400В анодки приведенка должна быть 16к.
8к это при 250-270 В.
А разве на эти лампы можно подавать 400в?  :o
Да и в схеме, что я привёл приведёнка 16к, а анодное не более 320в  ???

Оффлайн el-doctor

  • Ветеран форума
  • ******
  • Сообщений: 3734
Re: Univox U45B на 6Ф3П, вопрос по приведёнке
« Ответ #4 : Июля 26, 2010, 16:54:54 »
6ф3п с 400в анодки???  :pozor: ее нутро через крышу вылетит...

Оффлайн Gunpowder

  • Эксперт
  • *****
  • Сообщений: 1096
Re: Univox U45B на 6Ф3П, вопрос по приведёнке
« Ответ #5 : Июля 26, 2010, 16:57:36 »
Имею ввиду 6ВМ8.

Оффлайн runing Автор темы

  • Живу на форуме
  • *******
  • Сообщений: 12572
  • Киев
Re: Univox U45B на 6Ф3П, вопрос по приведёнке
« Ответ #6 : Июля 26, 2010, 17:04:32 »
Имею ввиду 6ВМ8.
А, это в смысле просто поговорить ;)
Зачем мне 6ВМ8? Я конкретно спрашиваю про замену на 6Ф3П в этой схеме и как быть с приведёнкой. Выбирать 16к или другую  ???