Автор Тема: Усилок 4 ватта,на сверхминиатюрных лампах.  (Прочитано 6794 раз)

0 Пользователей и 1 Гость просматривают эту тему.

Оффлайн jriy51 Автор темы

  • Частый посетитель
  • **
  • Сообщений: 172
  • GuitarPlayer.Ru fan!
Re: Усилок 4 ватта,на сверхминиатюрных лампах.
« Ответ #15 : Августа 25, 2015, 14:19:10 »
С таким размером забавно будет смотреться, если сделать фото усилка держа его рукой, для визуального понимания размера :crazy:
Да пожалуйста.

Оффлайн Ksandr-

  • Эксперт
  • *****
  • Сообщений: 1437
  • хто здесь?!
Re: Усилок 4 ватта,на сверхминиатюрных лампах.
« Ответ #16 : Августа 25, 2015, 14:34:48 »
jriy51, приходишь такой на репетицию и достаешь усилитель из кармана штанов ;D. я как то планировал собрать jtm1. плата, все на борту, получилась 100х160мм, смотрелось бы еще забавней

Оффлайн jriy51 Автор темы

  • Частый посетитель
  • **
  • Сообщений: 172
  • GuitarPlayer.Ru fan!
Re: Усилок 4 ватта,на сверхминиатюрных лампах.
« Ответ #17 : Августа 25, 2015, 16:02:31 »
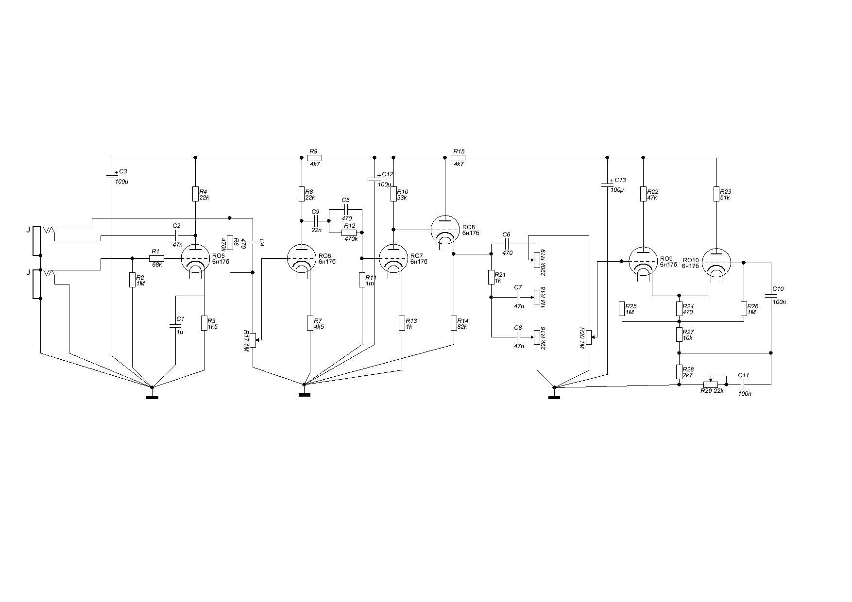
Вот схема приампа.
Выходной штатный с фиксированным смещением.4лампы.

Оффлайн jriy51 Автор темы

  • Частый посетитель
  • **
  • Сообщений: 172
  • GuitarPlayer.Ru fan!
Re: Усилок 4 ватта,на сверхминиатюрных лампах.
« Ответ #18 : Августа 27, 2015, 08:57:47 »
Сэмплы реампинга