Автор Тема: Усилок на 6п3с  (Прочитано 8198 раз)

0 Пользователей и 1 Гость просматривают эту тему.

Оффлайн niz

  • Эксперт
  • *****
  • Сообщений: 1252
  • верните мне 1957
Re: Усилок на 6п3с
« Ответ #15 : Ноября 03, 2015, 07:31:39 »
тут на каждой странице крафта есть как минимум по 1 теме, где собирали нечто хорошее и мощное, почему бы не полазить не поглядеть, а заодно и теорию поднять?
собирать надо либо то, что хочется, либо то, под что есть комплектуха на руках
второе не ваш случай точно, так что ищите смотрите

Оффлайн Ден2

  • Ветеран форума
  • ******
  • Сообщений: 4278
Re: Усилок на 6п3с
« Ответ #16 : Ноября 03, 2015, 07:39:31 »
Если уж реально всё равно, что строить, строй оконечник от 2204. Разжёван вдоль и поперек и почти универсален, и тут, похоже, его ВСЕ строили :D, подсказать найдётся кому))

Оффлайн Алексей Зеленов Автор темы

  • Новичок
  • *
  • Сообщений: 39
  • GuitarPlayer.Ru fan!
Re: Усилок на 6п3с
« Ответ #17 : Ноября 03, 2015, 14:41:53 »
Если уж реально всё равно, что строить, строй оконечник от 2204. Разжёван вдоль и поперек и почти универсален, и тут, похоже, его ВСЕ строили :D, подсказать найдётся кому))
Не то чтобы все равно что хотелось бы и по этой схеме поработать. Я детали так то набрал. на него. только трансы и шасси осталось.
Вот по силовому трансу. хотелось бы знать какое лучше брать напряжение на анодку. т.к. тут 4 лампы под нагрузкой просядет напряжение. да ещё в эту цепочку поставлено ещё  анодка лампы в раскачке которая.
Вот тут обвел кружком. Я тут так понял что это вход чисто на усилитель. Но зачем здесь катушка индуктивности.


« Последнее редактирование: Ноября 03, 2015, 14:53:37 от Алексей Зеленов »

Оффлайн dimondss

  • Новичок
  • *
  • Сообщений: 44
  • GuitarPlayer.Ru fan!
Re: Усилок на 6п3с
« Ответ #18 : Ноября 03, 2015, 15:06:27 »
Я бы не стал делать с 4-мя лампами. Подобрать 4-ку ламп это ж сколько 6П3С надо иметь, и еще стенд собирать.   Да и мощность на 4-х лампах будет ватт 80.

Анодка для 6П3С должна быть не больше 400В по даташиту.  Знакомый делал  - силовой транс выдает на анодной обмотке 320в, после выпрямителя - 450в без нагрузки. Под нагрузкой (когда лампы разогреваются) естественно падает, может и до как раз 400.  Мощность на выходе - ок 40Вт.  Схему оконечника он брал отсюда - http://guitarwork.ru/electronic/Marshall/JCM_800_2204/


Оффлайн Алексей Зеленов Автор темы

  • Новичок
  • *
  • Сообщений: 39
  • GuitarPlayer.Ru fan!
Re: Усилок на 6п3с
« Ответ #19 : Ноября 03, 2015, 15:09:43 »
Я бы не стал делать с 4-мя лампами. Подобрать 4-ку ламп это ж сколько 6П3С надо иметь, и еще стенд собирать.   Да и мощность на 4-х лампах будет ватт 80.

Анодка для 6П3С должна быть не больше 400В по даташиту.  Знакомый делал  - силовой транс выдает на анодной обмотке 320в, после выпрямителя - 450в без нагрузки. Под нагрузкой (когда лампы разогреваются) естественно падает, может и до как раз 400.  Мощность на выходе - ок 40Вт.  Схему оконечника он брал отсюда - http://guitarwork.ru/electronic/Marshall/JCM_800_2204/


Дак для этого есть узел смещение. где подается отрицательное напряжение. И стоят подстроичники. вои и надо настраивать.

Оффлайн Виталийй

  • Частый посетитель
  • **
  • Сообщений: 232
  • GuitarPlayer.Ru fan!
Re: Усилок на 6п3с
« Ответ #20 : Ноября 03, 2015, 17:14:46 »
  dimondss пишет  "Да и мощность на 4-х лампах будет ватт 80."  Это ещё сильно постараться надо чтоб 80 W выжать с четырёх 6П3С))) у меня с Е=+445 В и Uс2=+410 В получилось чистых, до начала ограничения амплитуды 65 W правда максимальная мощность не была целью. С пары ГУ50 Е+740 UС2+260 В получил 80 W Все напряжения под нагрузкой.

Оффлайн Алексей Зеленов Автор темы

  • Новичок
  • *
  • Сообщений: 39
  • GuitarPlayer.Ru fan!
Re: Усилок на 6п3с
« Ответ #21 : Ноября 03, 2015, 17:23:10 »
да мощности даже 60 вт уже за глаза.

Оффлайн Виталийй

  • Частый посетитель
  • **
  • Сообщений: 232
  • GuitarPlayer.Ru fan!
Re: Усилок на 6п3с
« Ответ #22 : Ноября 03, 2015, 17:39:49 »
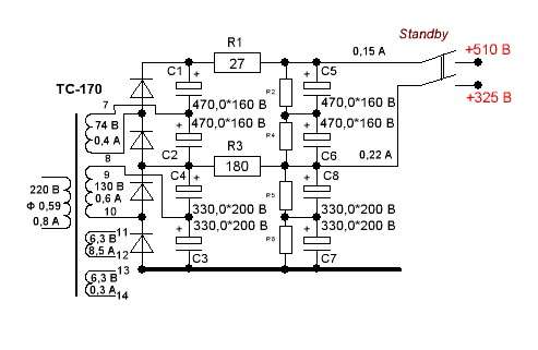
 По трансформаторам, как вариант, делал себе вот такой блок питания с ТС170 для квартета 6П3С тянет нормально, для пары, транс будет отдыхать.

 По схеме, чем больше отсебятины, тем больше потом переделывать, поэтому по мне лучше брать за основу проверенную схему фирменного аппарата и от неё плясать, выше Солдано предлагали, чем не вариант, чтобы упростить можно для начала без петли собрать.

Оффлайн Алексей Зеленов Автор темы

  • Новичок
  • *
  • Сообщений: 39
  • GuitarPlayer.Ru fan!
Re: Усилок на 6п3с
« Ответ #23 : Ноября 03, 2015, 17:45:20 »
По трансформаторам, как вариант, делал себе вот такой блок питания с ТС170 для квартета 6П3С тянет нормально, для пары, транс будет отдыхать.

 По схеме, чем больше отсебятины, тем больше потом переделывать, поэтому по мне лучше брать за основу проверенную схему фирменного аппарата и от неё плясать, выше Солдано предлагали, чем не вариант, чтобы упростить можно для начала без петли собрать.

я тут че то не понял это как получилось 510в? Можете рассказать.

Оффлайн Виталийй

  • Частый посетитель
  • **
  • Сообщений: 232
  • GuitarPlayer.Ru fan!
Re: Усилок на 6п3с
« Ответ #24 : Ноября 03, 2015, 17:59:39 »
 Вообще я на этот форум захожу больше чтоб поучиться, учителя здесь по опытней меня найдутся. В блоке питания банальная схема удвоения напряжения, две обмотки, потом в два этажа. Там не дорисована ещё схема для смещения, я использовал две обмотки по 17 В оставшиеся от первички (110 В + 17 В) аккуратно отделил, прозвонил мегомом по отношению к первичке, 17+17*2*1,3=-88 В

Оффлайн kdtp

  • Завсегдатай
  • ***
  • Сообщений: 316
  • Виктор.
Re: Усилок на 6п3с
« Ответ #25 : Ноября 03, 2015, 18:24:49 »
Виталийй, хорош скромничать. Худо-бедно, но Вы, можно сказать, эксперт по адаптации "фирменных аппаратов" под наши, советские, радиолампы.

Оффлайн Виталийй

  • Частый посетитель
  • **
  • Сообщений: 232
  • GuitarPlayer.Ru fan!
Re: Усилок на 6п3с
« Ответ #26 : Ноября 03, 2015, 19:04:53 »
Виктор. На этом форуме таких паяльщиков, как я нищебродами обзывают, поэтому стараюсь не высовываться)))

Оффлайн kdtp

  • Завсегдатай
  • ***
  • Сообщений: 316
  • Виктор.
Re: Усилок на 6п3с
« Ответ #27 : Ноября 03, 2015, 19:52:28 »
Оно конечно, Виталий.... Вот только..., могу себе представить - если бы Ваша "материальная база" была несколько (или значительно) побольше.
С фирменными запчастями - это любой (у кого руки и мозги не кривые) может "забабахать" нечто уникальное. А вот, вы попробуйте на нашей, на советско-отечественной "базе" радиодеталей "сотворить" что то "существенное"....
Мои знакомые пацаны (начинающие радиолюбители), когда просят схему лапового усилителя для повторения, то я всегда отсылаю их к Вашим "схематическим решениям".  Правда, пацаны эти, в основном собирают усилители для "музыку послушать"..., но сейчас одна пара энтузиастов "ваяет" Ваш "Солдано на отечественных лампах". Макет собрали - им очень нравиться. Скоро будут "воплощать" свой усилитель в "металле".
Ладно..., закругляюсь, а то сейчас "тумаков" мне (и Вам за одно) надают. :)
 

Оффлайн плюшкин

  • Завсегдатай
  • ***
  • Сообщений: 334
Re: Усилок на 6п3с
« Ответ #28 : Ноября 04, 2015, 07:03:22 »
дополнение по трансу:
можно получить нужные постоянные напряжения, с током 200, 300 или 400 ма, комбинируя, в "этажах", мостовую схему выпрямителя и схему с умножением напряжения, 6 вариантов, и это без утроения))
« Последнее редактирование: Ноября 04, 2015, 07:18:41 от плюшкин »

Оффлайн Алексей Зеленов Автор темы

  • Новичок
  • *
  • Сообщений: 39
  • GuitarPlayer.Ru fan!
Re: Усилок на 6п3с
« Ответ #29 : Ноября 05, 2015, 15:26:50 »
Вот тут обвел кружком. Я тут так понял что это вход чисто на усилитель. Но зачем здесь катушка индуктивности.



[/quote]