Автор Тема: В схеме больше ламп, чем в самом усилке (нубовопрос)  (Прочитано 691 раз)

0 Пользователей и 1 Гость просматривают эту тему.

Оффлайн antgg Автор темы

  • Завсегдатай
  • ***
  • Сообщений: 323
  • диванщик
Доброго дня грандмастерам схемотехникам!

Решил просветиться на тему ламп, усилков и т.д.
Открыл схему гавроша и на ней захотел приблизительно понять, как усилители работают.
В самом гавроше как я понял 6 ламп, из которых 2 ел84, которые "только в воксах работают, а в остальном бяка".
На схеме я увидел аж 10 ламп, 2 ел4 это самые жирные в мощнике, а 6 ламп в преампе это типа всего 3 лампы есс83 но задвоенные на схеме из -за двух каналов усилка. И еще две лампы в мощнике это на самом деле одна лампа Есс81.
Я правильно все понял?
Спасибо!


« Последнее редактирование: Ноября 08, 2019, 06:47:07 от antgg »

Оффлайн akl

  • Живу на форуме
  • *******
  • Сообщений: 8114
  • не шарю ваще
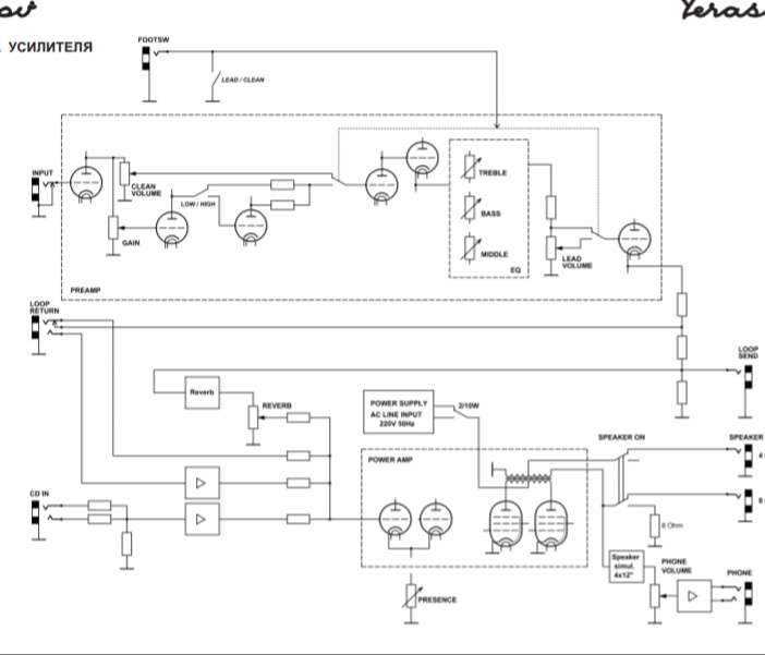
если открыть нормальную схему, то там есть довольно наглядные обозначения типа V1A V1B V2A V2B и т.д. ???
https://guitar-gear.ru/forum/index.php?app=core&module=attach&section=attach&attach_id=45055

Оффлайн antgg Автор темы

  • Завсегдатай
  • ***
  • Сообщений: 323
  • диванщик
Спасибо!
Получается, что одна лампа есс83 общая для двух каналов и на каждый канал работает по две половинки от еще двух ламп есс83?

Оффлайн akl

  • Живу на форуме
  • *******
  • Сообщений: 8114
  • не шарю ваще
в каждой лампе ecc83 тупо две отдельные лампы.

вот еще для общего развития http://www.sugardas.lt/~igoramps/article58/tube_preamp_circuity.pdf

Оффлайн antgg Автор темы

  • Завсегдатай
  • ***
  • Сообщений: 323
  • диванщик
Спасибо!