Автор Тема: Вопрос по Mark 4  (Прочитано 1538 раз)

0 Пользователей и 1 Гость просматривают эту тему.

Оффлайн Nightmare Автор темы

  • Завсегдатай
  • ***
  • Сообщений: 365
Вопрос по Mark 4
« : Октября 22, 2018, 15:02:59 »
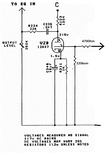
Всем привет! Надумал собрать Lead Chanel от марк 4, возникло пару вопросов, вот данный фрагмент нужен ли вообще если мне не нужна петля и тд? Я так понимаю это чисто усилительный каскад, после всяких делителей и петли? И по идее он не нужен в моих целях или все же он влияет на звук и если я его убираю то гейна не будет :D?


По сути преамп заканчивается на этой схеме?



Оффлайн AZG

  • Живу на форуме
  • *******
  • Сообщений: 95553
  • Санкт-Петербург
    • AZG CUSTOM
Re: Вопрос по Mark 4
« Ответ #1 : Октября 22, 2018, 15:07:54 »
По любому ваять все каскады до выхода на эквлайзер. без последнего каскада звук более тощий. Не перегружает, но плотнее и насыщеннее делает.

Все-равно есть 3 лампы. Чего жалеть каскад?

Оффлайн Nightmare Автор темы

  • Завсегдатай
  • ***
  • Сообщений: 365
Re: Вопрос по Mark 4
« Ответ #2 : Октября 22, 2018, 15:27:43 »
Получается я должен упростить схему до вот такого вида? Что посоветуешь поставить в катод первый и третий каскад 2,2мкф +1к5?
 У марк 2с+ в третьем каскаде вообще 1к5 и все. И еще смущает цепочка в 22ком, она вооще что дает?



Оффлайн bottle

  • Ветеран форума
  • ******
  • Сообщений: 6388
  • решил включить дурачка
Re: Вопрос по Mark 4
« Ответ #3 : Октября 22, 2018, 15:40:25 »
...

По сути преамп заканчивается на этой схеме?

(нажмите чтобы показать/спрятать)

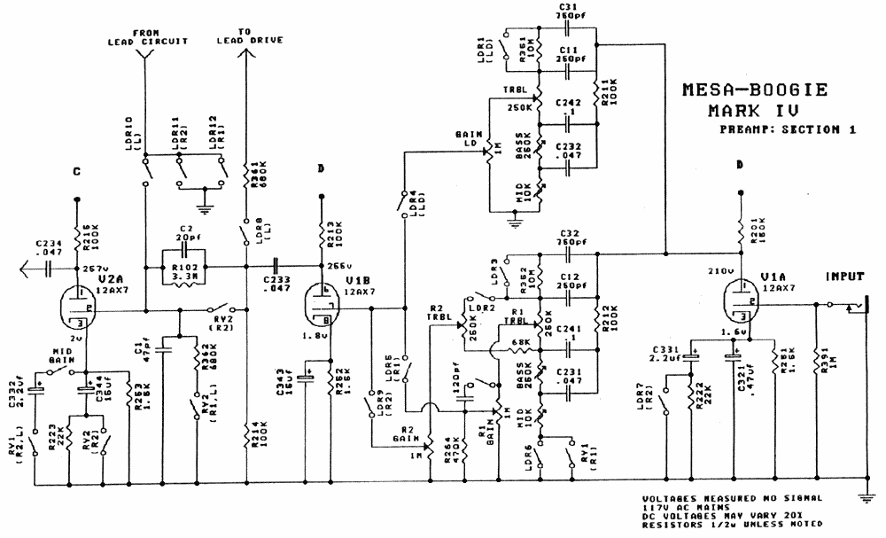
Это чистый, чтобы был Lead сигнал должен пройти по стрелочкам в левой верхней части схемы :)

... и добавил:

Там где "to lead drive" и "from lead circuit" :)
« Последнее редактирование: Октября 22, 2018, 15:42:20 от bottle »

Оффлайн Nightmare Автор темы

  • Завсегдатай
  • ***
  • Сообщений: 365
Re: Вопрос по Mark 4
« Ответ #4 : Октября 22, 2018, 15:42:15 »
Не ну это понятно, я имел ввиду про конец схемы, там где последний балон, сама цепочка резисторов верна? Меня смущает что там сетка притянута через 4к7, обычно номинал по более.

Оффлайн AZG

  • Живу на форуме
  • *******
  • Сообщений: 95553
  • Санкт-Петербург
    • AZG CUSTOM
Re: Вопрос по Mark 4
« Ответ #5 : Октября 22, 2018, 16:13:24 »
Nightmare, Итак, в первом каскаде 0.47. Смотрим режимы. там же все подписано что когда включается. В 3-м там подписано где включается Мидгейн.

Вход последнего каскада неправильно. Там 47К и до него кучка делителей. Все эти делители можно сильно упростить. Если только Лид, то можно фиксированный делитель со средним положением Левела.

Оффлайн Nightmare Автор темы

  • Завсегдатай
  • ***
  • Сообщений: 365
Re: Вопрос по Mark 4
« Ответ #6 : Октября 22, 2018, 18:51:53 »
Ну вот получается как в оригинале:



А вот так я понимаю надо обрезать?
Нафига столько делителей...



Оффлайн AZG

  • Живу на форуме
  • *******
  • Сообщений: 95553
  • Санкт-Петербург
    • AZG CUSTOM
Re: Вопрос по Mark 4
« Ответ #7 : Октября 22, 2018, 19:46:37 »
Вот можно и упростить. Плюс LD MSTR убрать, от него толку ноль, вместо него резистор на 47К. По итогу пересчитай делитель и сделай просто 2 резистора перед 47К.

Оффлайн Nightmare Автор темы

  • Завсегдатай
  • ***
  • Сообщений: 365
Re: Вопрос по Mark 4
« Ответ #8 : Октября 22, 2018, 20:25:43 »
Че то я не могу догнать все равно, получается тут 3 делителя: 47+47  150+4,7   3,3+47, правильно понимаю? Тогда если на входе 250в к примеру, на выходе получается около  3.55в. Тогда получается что эта цепочка гасит в 70 раз напряжение, следовательно нужно поставить 470ом+220к? или как по другому?





« Последнее редактирование: Октября 22, 2018, 20:48:14 от Nightmare »

Оффлайн AZG

  • Живу на форуме
  • *******
  • Сообщений: 95553
  • Санкт-Петербург
    • AZG CUSTOM
Re: Вопрос по Mark 4
« Ответ #9 : Октября 22, 2018, 22:32:41 »
На выходе предыдущего каскада от силы вольт 50 размаха...

Оффлайн Nightmare Автор темы

  • Завсегдатай
  • ***
  • Сообщений: 365
Re: Вопрос по Mark 4
« Ответ #10 : Октября 23, 2018, 09:44:41 »
Так, а какая разница делитель то не зависит от напряжения, с таким же успехом можно переменник поставить, и все. Я так понимаю этот какскад усиливает чисто сильно уменьшенный сигнал и все. Если там максимум 50в то получается на выходе с делителя около 0,7в.

Оффлайн AZG

  • Живу на форуме
  • *******
  • Сообщений: 95553
  • Санкт-Петербург
    • AZG CUSTOM
Re: Вопрос по Mark 4
« Ответ #11 : Октября 23, 2018, 10:03:31 »
Там уровень гасится для петли. По сути -10 дБ. И потом каскад восстанавливает этот уровень.