Форум гитаристов
У нас самая большая гитарная тусовка
Добро пожаловать,
Гость
. Пожалуйста,
войдите
или
зарегистрируйтесь
.
Не получили
письмо с кодом активации
?
1 час
1 день
1 неделя
1 месяц
Навсегда
В теме
В разделе
По форуму
Яндекс
Начало
Помощь
Поиск
Media
Пользователи
Общий список
Поиск пользователей
Вход
Регистрация
|
Размещение рекламы
Правила форума
Форум гитаристов
»
Оборудование
»
equipment.craft
(Модератор:
Dying Fetus
) »
Тема:
vox pathfinder 15r
« предыдущая тема
следующая тема »
Печать
Страницы: [
1
]
Вниз
Автор
Тема: vox pathfinder 15r (Прочитано 2822 раз)
0 Пользователей и 1 Гость просматривают эту тему.
zulman
Новичок
Сообщений: 3
vox pathfinder 15r
«
:
Апреля 29, 2013, 09:47:16 »
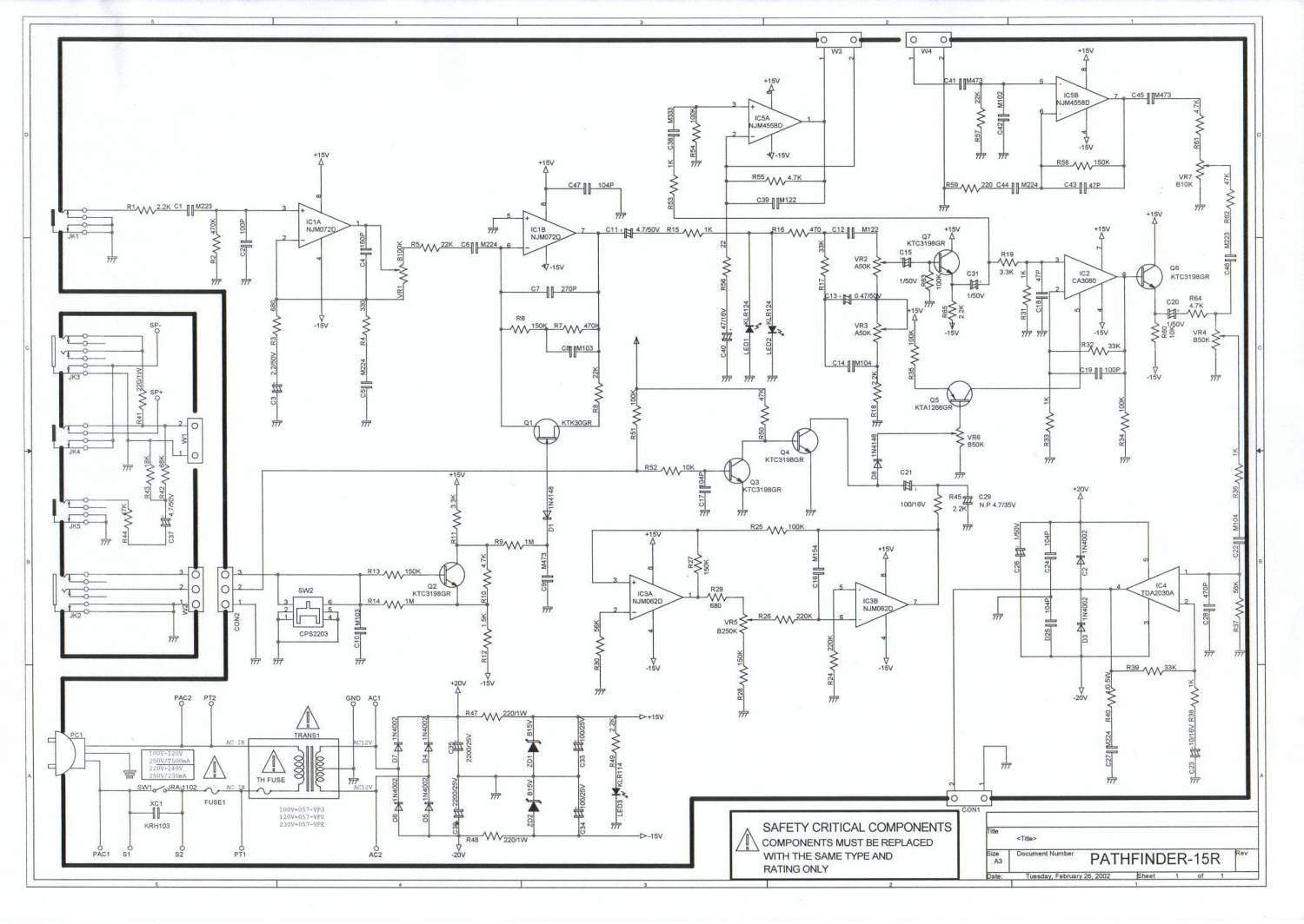
Добрый день. Есть комбик vox pathfinder 15r. Есть схема. Кто нибудь может сказать, как сделать вход на мощник минуя предусилитель этого девайса? Точнее обозначить на схеме где это сделать ))
«
Последнее редактирование: Апреля 29, 2013, 09:57:04 от zulman
»
Записан
Dying Fetus
Moderator
Сообщений: 10314
DIYng Fetus
Re: vox pathfinder 15r
«
Ответ #1 :
Апреля 29, 2013, 10:30:12 »
zulman,
через ёмкость на разъём CON1
Записан
zulman
Новичок
Сообщений: 3
Re: vox pathfinder 15r
«
Ответ #2 :
Апреля 29, 2013, 10:39:33 »
Цитата: Dying Fetus от Апреля 29, 2013, 10:30:12
zulman,
через ёмкость на разъём CON1
Спасибо большое. Только небольшое, т.к. ни разу не профессионал в этом, уточнение, что значит "через емкость".
Записан
siwang
Завсегдатай
Сообщений: 405
Re: vox pathfinder 15r
«
Ответ #3 :
Апреля 29, 2013, 16:18:36 »
Цитата: Dying Fetus от Апреля 29, 2013, 10:30:12
zulman,
через ёмкость на разъём CON1
ты хоть смотри че советуешь, это разъем для подключения динамика
можно подключиться к точке между С22 и R36.
«
Последнее редактирование: Апреля 29, 2013, 16:21:23 от siwang
»
Записан
www.vk.com/siwang
Вступай ВК:
www.vk.com/dutbeardy
Подписывайся на Телегу:
https://t.me/dutbeardy
Слушай мою группу:
www.naradametal.bandcamp.com
Dying Fetus
Moderator
Сообщений: 10314
DIYng Fetus
Re: vox pathfinder 15r
«
Ответ #4 :
Апреля 29, 2013, 17:19:56 »
ага ага извиняюс
Записан
zulman
Новичок
Сообщений: 3
Re: vox pathfinder 15r
«
Ответ #5 :
Апреля 29, 2013, 19:09:06 »
Вот теперь вроде понял. Спасибо.
Записан
Печать
Страницы: [
1
]
Вверх
« предыдущая тема
следующая тема »
Форум гитаристов
»
Оборудование
»
equipment.craft
(Модератор:
Dying Fetus
) »
Тема:
vox pathfinder 15r