Автор Тема: Я тоже такой хочу! (mod S XX)  (Прочитано 7564 раз)

0 Пользователей и 1 Гость просматривают эту тему.

Оффлайн Тимон

  • Ветеран форума
  • ******
  • Сообщений: 3556
  • Мохнатый
Re: Я тоже такой хочу! (mod S XX)
« Ответ #15 : Января 24, 2014, 09:09:48 »
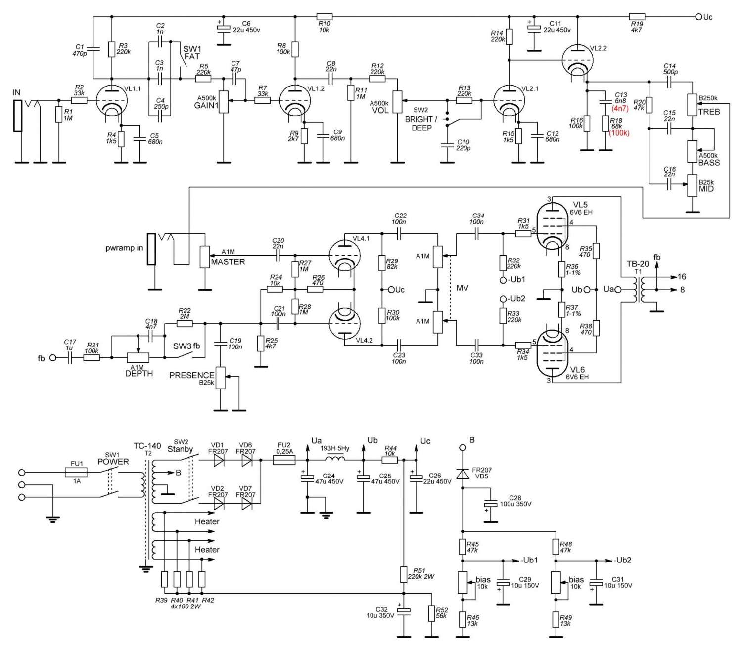
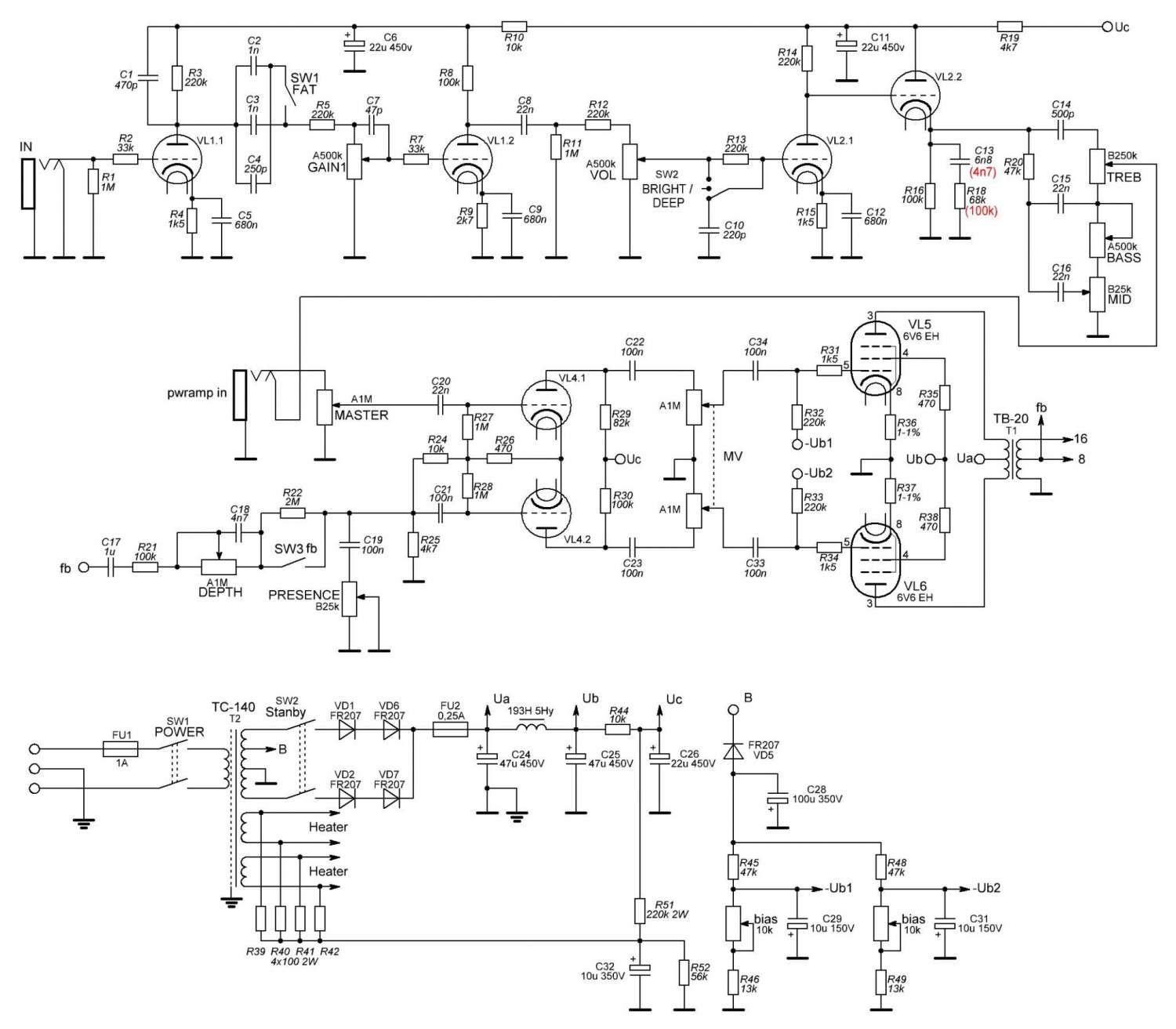
C7 должен быть 47 пик, 82 много, будет лажа.
Цепь догруза КП лучше 100к и 4н7 — универсальный вариант.
При такой организации смещения накала R43 не нужен.
Без мьюта мощника R33 так же особо не нужен, хотя можно и оставить.
Пот ППИМВ в 1 мег избыточен, будет очень кривая регулировка с учетом шунта резисторами утечки. Нужно поискать максимальную величину резистора утечки для 6в6, оттуда и плясать. Я не помню уже.


... и добавил:

Ну вот, во всех даташитах предельная величина резисторов утечки 100кОм при фиксированном смещении. Хотя 220кОм всегда использовались во всяких фенедрах.
При таких раскладах, я бы оставил 220кОм утечки и сделал бы пот А250к, хотя регулировка все равно будет кривовата)
« Последнее редактирование: Января 24, 2014, 09:18:05 от Тимон »

Оффлайн akl

  • Живу на форуме
  • *******
  • Сообщений: 8114
  • не шарю ваще
Re: Я тоже такой хочу! (mod S XX)
« Ответ #16 : Января 24, 2014, 09:28:04 »
Ну вот, во всех даташитах предельная величина резисторов утечки 100кОм при фиксированном смещении. Хотя 220кОм всегда использовались во всяких фенедрах.
это меня беспокоит уже давно кстати :hmmm: почему так ???


Оффлайн Мяталист

  • Ветеран форума
  • ******
  • Сообщений: 5743
  • Будь как все. Собирай JCM 800 и SLO 100
Re: Я тоже такой хочу! (mod S XX)
« Ответ #17 : Января 24, 2014, 10:27:15 »
siduk, В чем рисовал внешний вид и разводку внутри? Не в компасе ли случаем?

Оффлайн siduk Автор темы

  • Новичок
  • *
  • Сообщений: 90
Re: Я тоже такой хочу! (mod S XX)
« Ответ #18 : Января 24, 2014, 10:51:56 »
siduk, В чем рисовал внешний вид и разводку внутри? Не в компасе ли случаем?
Да, в нем самом.

Оффлайн Мяталист

  • Ветеран форума
  • ******
  • Сообщений: 5743
  • Будь как все. Собирай JCM 800 и SLO 100
Re: Я тоже такой хочу! (mod S XX)
« Ответ #19 : Января 24, 2014, 10:58:26 »
siduk, Круто, я хоть его азы и знаю но такое наверно не смогу.

Оффлайн DeMoN_AzzY

  • Новичок
  • *
  • Сообщений: 92
Re: Я тоже такой хочу! (mod S XX)
« Ответ #20 : Января 24, 2014, 15:34:29 »
Надо будет и себе попробовать нарисовать в компасе разводку. А то пытался в векторных редакторах всяких - плоховато получается.
Хотя это может быть и от того, что я не очень хороший танцор в этом вопросе  :)

Оффлайн Тимон

  • Ветеран форума
  • ******
  • Сообщений: 3556
  • Мохнатый
Re: Я тоже такой хочу! (mod S XX)
« Ответ #21 : Января 24, 2014, 16:42:24 »
это меня беспокоит уже давно кстати :hmmm: почему так ???
Превышение рекомендуемой величины сеточного резистора для мощных ламп может привести к их саморазогреву. Видимо на практике производители ламп перестраховываются и все работает в целом нормально — качество звука оказывается более значимым, чем единичные случаи саморазогрева ламп.


... и добавил:

siduk, и да, в пред лучше всего 12ах7eh ;)
« Последнее редактирование: Января 24, 2014, 17:36:37 от Тимон »

Оффлайн akl

  • Живу на форуме
  • *******
  • Сообщений: 8114
  • не шарю ваще
Re: Я тоже такой хочу! (mod S XX)
« Ответ #22 : Января 24, 2014, 16:47:32 »
Тимон, то есть таки уменьшение резисторов утечки может серьезно повлиять на качество звука? :hmmm:

... и добавил:

а :facepalm1: нагрузка фазика же

Оффлайн Rolly

  • Живу на форуме
  • *******
  • Сообщений: 9050
  • Мнение - не повод получить пулю сразу.
Re: Я тоже такой хочу! (mod S XX)
« Ответ #23 : Января 24, 2014, 17:09:38 »
Семён Семёныч...

... и добавил:

У Маршалла на каноничной схеме нагрузка 150к.  :hmmm:
« Последнее редактирование: Января 24, 2014, 17:17:37 от Rolly »

Оффлайн Тимон

  • Ветеран форума
  • ******
  • Сообщений: 3556
  • Мохнатый
Re: Я тоже такой хочу! (mod S XX)
« Ответ #24 : Января 24, 2014, 17:37:29 »
У Маршалла на каноничной схеме нагрузка 150к.  :hmmm:
У маршала есть схемы на 6в6? Энивэй, это все равно в полтора раза больше даташитных :)

Оффлайн Rolly

  • Живу на форуме
  • *******
  • Сообщений: 9050
  • Мнение - не повод получить пулю сразу.
Re: Я тоже такой хочу! (mod S XX)
« Ответ #25 : Января 24, 2014, 17:59:53 »
У маршала есть схемы на 6в6? Энивэй, это все равно в полтора раза больше даташитных :)
Это к тому, что меньше обычных для Маршалла 220k, и может быть уменьшение до 100к тоже будет хорошим вариантом.

Оффлайн Тимон

  • Ветеран форума
  • ******
  • Сообщений: 3556
  • Мохнатый
Re: Я тоже такой хочу! (mod S XX)
« Ответ #26 : Января 24, 2014, 18:40:54 »
Rolly, слушать надо. Может будет нормально, может не очень.

Оффлайн siduk Автор темы

  • Новичок
  • *
  • Сообщений: 90
Re: Я тоже такой хочу! (mod S XX)
« Ответ #27 : Января 31, 2014, 17:14:11 »
Продолжаем... бета два_ноль
Учел замечания R_M, и Тимона плюс поправил свои недоработки.
Вход оконечника переехал на переднюю панель.
Что ставить в догруз КП решу после того, как прослушаю оба варианта (6n8+68k или 4n7+100k).
При такой организации смещения накала R43 не нужен.
Спасибо! Что то я загнался и не обратил внимания на эту паралельную цепочку.
Пот ППИМВ в 1 мег избыточен, будет очень кривая регулировка с учетом шунта резисторами утечки. Нужно поискать максимальную величину резистора утечки для 6в6, оттуда и плясать. Я не помню уже.
Схему организации ППИМВ я подсмотрел у Финча https://guitarplayer.ru/index.php?topic=149205.0
Вроде как есть положительный пример использования подобной схемы, да и оконечник такой же. И потенциометр уже подобран, после 9 часов почти идиален, разбег всего в пару кОМ.(характеристика правда ужасна)))
В лейке заложен небольшой потенциал для безболезненной модернизации схемы ТБ.
Ну и немноговкусных созо_на_пайпинге). Все-таки не задушила меня жаба.

Оффлайн Dying Fetus

  • Moderator
  • *****
  • Сообщений: 10308
  • DIYng Fetus
    • http://cathar.ru
Re: Я тоже такой хочу! (mod S XX)
« Ответ #28 : Января 31, 2014, 19:04:43 »
дифицитов то понабрал)

Оффлайн Тимон

  • Ветеран форума
  • ******
  • Сообщений: 3556
  • Мохнатый
Re: Я тоже такой хочу! (mod S XX)
« Ответ #29 : Января 31, 2014, 19:37:03 »
Созо — это хорошо :)